概览
设计资源
评估硬件
产品型号带"Z"表示符合RoHS标准。评估此电路需要下列选中的电路板
- EVAL-CFTL-5V-PWRZ ($16.86) 5V Power Supply
- EVAL-CN0296-SDPZ ($162.43) Low Cost, High Performance Sound Bar System
- EVAL-SDP-CB1Z ($134.00) Eval Control Board
优势和特点
- Sound bar 系统
- 高性能
- 低成本
- 8个数字处理音频通道输出
参考资料
-
CN-0296 Software User Guide2018/10/23WIKI
-
CN0296:低成本、高性能SOUND BAR系统2013/5/30PDF376 kB
电路功能与优势
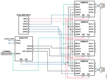
图1所示电路是一款低成本、高性能SOUNDBAR系统,可 接收模拟立体声音频信号作为输入,同时还能输出最多8 通道音频,并单独处理每通道的信号。该电路非常适用于 小型扩展插口和便携式媒体设备。该电路具有低功耗和高 工作效率,不会降低音频质量,还能驱动耳机,而无需额 外元件。
ADAU1761是一款低功耗、立体声音频编解码器,集成数 字音频处理(亦称为SigmaDSP®),具有两个ADC,可接收两 个音频通道,并利用集成式SigmaDSP®内核对其进行数字 处理。
SigmaDSP处理器针对音频应用优化,使用方便的SigmaStudio 开发软件可加快开发速度。利用串行接口,ADAU1761的 输出可发送多达八个数字音频数据通道至输出放大器。ADAU1761允许每通道处理不同的音频信号,如针对特定 扬声器配置调谐的音量控制、自定义均衡、滤波和空间化 效果。ADAU1761处理模拟音频,并将其转换为数字格式 信号,驱动 SSM2518功率放大器。
SSM2518是一款数字输入D类音频功率放大器,可利用每通 道2 W的连续功率,将两个音频通道输出至4 Ω负载。SSM2518的通道映射功能允许选择接口中可用的特定通道来输出信 号。这一功能使其成为环绕声应用的理想选择。

电路描述
该电路有两个主要模块。第一个是音频输入和处理模块,由 ADAU1761组成。第二个是输出放大器级,由 SSM2518组成。
音频输入和处理
ADAU1761的输入路径可同时接收两个通道的单端或差分音频信号。输入信号发送至ADAU1761的DSP内核进行处理。使用ADI的SigmaStudio软件,可建立音频信号路径和处理算法。SigmaStudio的内置库允许将不同的处理模块添加到信号流中。一旦完成编程,用户便可完全控制不同的模块(如音量控制、均衡器和滤波器)。该软件可加快开发 过程,允许设计人员通过易于使用的图形界面快速测试并调试算法和配置。
D类输出放大器
SSM2518 D类音频功率放大器可接收串行数据,执行数模转换,并驱动扬声器。每个SSM2518都可利用每通道2 W的连续功率,将两个音频通道输出至4 Ω扬声器。该电路使用了4个 SSM2518,可输出8通道音频。通道映射功能让每个SSM2518都可自接口输出两个通道的信号。有了这项功能,每个SSM2518都可输出不同通道信号。
I2C访问与配置寄存器
ADAU1761 和SSM2518都集成内部寄存器,需配置后才可正常工作。SSM2518具有地址引脚,仅允许两个器件在I2C总线上拥有独特地址。4个SSM2518器件通过驱动其中一个器件的ADDR引脚至高电平,同时保持其他三个器件为低电平完成配置(也可驱动一个器件至低电平但保持其他器件高电平)。微控制器或主机使用I2C接口配置该器件的寄存器。具有独特地址的器件现在能够与总线通信,并配置。在其他三个器件上重复此过程。可利用系统控制器进行地址控制;系统控制器控制地址引脚的逻辑电平。
串行数据接口
串行数据接口使用I2S或TDM兼容数据流传输音频数据。传输的信号包括位时钟(BCLK)、帧时钟(LRCLK)和数据(SDATA)。ADAU1761配置为主机,用作BCLK、LRCLK和SDATA的信号源,发送信号至SSM2518。器件必须同步主机时钟MCLK才能正确工作。通常采用12.288 MHz晶体振荡器作为主机时钟。ADAU1761和SM2518的片内频率乘法器/分频器可产生需要的内部时钟。时钟和信号线路必须遵循特定的布局防护措施。必须考虑ADAU1761和SSM2518的内部电容,以保持时钟和信号的完整性。可能需要使用缓冲器来防止负载效应。
串行数据信号可配置为I2S、TDM-4或TDM-8以便分别在每个音频帧内搭载2/4/8路音频通道。
输出噪声电压和信噪比性能
为了测量输出噪声电压,可将输入接地或端接适当的阻抗,并在放大器输出端测量输出电压。使用A加权滤波器,可在22 Hz至22 kHz带宽内完成电压测量。所有8个通道 的平均测量噪声为66 μV rms。在所有通道中,以2 W输出和4 Ω负载为参考的信噪比大于90 dB。
输出功率和失真性能
输出功率和THN+N可通过施加纯音输入,并在放大器输出端使用音频分析仪测得。使用1 kHz正弦波作为输入时,该电路在2 W额定输出功率下具有低于1% THD+N的良好性能,如图2所示。

频率响应性能
通过向输入端施加一个固定电压电平的纯正弦波,同时在20 Hz至20 kHz音频频谱范围内扫描频率,即可测得频率响应。电压在输出端测量,并与1 kHz参考电平作比较。1 kHz时的输出功率设为2 W。数据显示不同频率下的输出变化小于±0.5 dB。频谱范围内的THD+N同样小于1%,如图3所示。

常见变化
本电路还可采用其他SigmaDSP处理器通过I2S/串行数据端 口进行设置,同时支持TDM。根据具体应用和用户的要 求,可用AD1940、AD1941、ADAU1401A、ADAU144x和ADAU170x系列器件代替ADAU1761。所有器件均支持串行 数据输出和8通道TDM,但存储器尺寸、处理功率和输入/ 输出接口各不相同。ADAU1461的功能与ADAU1761相同,但前者通过汽车应用认证。
ADAU1761还可处理模拟差分音频信号,并可输出至放大 器。若用户仅需使用2个或4个通道,则可修改该电路,移 除多余的多余的SSM2518器件,并改变寄存器配置。SSM2519和SSM2529可代替SSM2518使用。这两款替代器件均为数字 输入D类放大器,支持TDM,但每个器件只有一个输出通道。
电路评估与测试
设备要求
CN-0296电路评估板(EVAL-CN0296-SDPZ)
系统演示平台(EVAL-SDP-CB1Z)
5 V(4 A直流电源)
PC(Windows 32位或64位)
Audio Precision SYS-2722音频分析仪或同等设备
Audio Precision AUX-0025滤波器或同等设备
Audio Precision AP2700控制软件
4 Ω/8 Ω扬声器或伪负载
软件安装
CN0296评估套件包括一张光盘,其中含有自安装软件。该软件兼容Windows XP (SP2)、Vista(32位或64位)和Windows7(32位或64位)。如果安装文件未自动运行,可以运行光盘中的setup.exe文件。
请先安装评估软件,再将评估板和SDP板连接到PC的USB端口,确保PC能够识别评估系统。该软件允许所有针对串行接口的配置。主机和从机的配置要能够匹配适当的操作,这一点很重要。
电源要求
该评估板采用5 V直流电源供电。建议电源至少要能提供4 A电流,确保所有8个通道都可输出额定功率。评估板的LDO用来提供元件所需的电源。
功能框图
测试配置的功能框图如图4所示。测试设置应如图所示进行连接。

需按表1进行配置方可正常工作。运行评估软件,然后点击软件GUI的连接按钮建立SDP连接。点击播放Soundbar按钮将配置数据下载到器件中。此配置以如下方式加载立体声数据至8个通道:
| 引脚 |
TDM通道 |
立体声数据 |
| OUTR1 |
通道 0 |
右环绕 |
| OUTR1 |
通道 1 |
右前置 |
| OUTR2 |
通道 2 |
重低音 |
| OUTR2 |
通道 3 |
重低音 |
| OUTR3 |
通道 4 |
中 |
| OUTR3 |
通道 5 |
中 |
| OUTR4 |
通道 6 |
左前置 |
| OUTR4 |
通道 7 |
左环绕 |
该软件允许用户使能或禁用SigmaStudio库为 ADAU1761提 供的某些音效。还可在前面板上找到这些音效的对应参数。提供主音量控制、低音和高音控制;这些控制即使在某个音效开启的时候也都能对输出起作用。使能测试音可输出1 kHz信号,并使模拟输入静音。同时提供针对每个通道的独立静音控制。


