MAX11008

推荐用于新设计

双通道RF LDMOS偏置控制器,带有非易失存储器

高度集成、降低成本、节省功耗

产品技术资料帮助

ADI公司所提供的资料均视为准确、可靠。但本公司不为用户在应用过程中侵犯任何专利权或第三方权利承担任何责任。技术指标的修改不再另行通知。本公司既没有含蓄的允许,也不允许借用ADI公司的专利或专利权的名义。本文出现的商标和注册商标所有权分别属于相应的公司。

Viewing:

概述

  • 片内4Kb EEPROM,用于存储LDMOS偏置参数
  • 集成高边检流PGA,增益为2、10或25倍
  • +75mV和+1250mV电压检测范围内保持±0.75%精度
  • 满量程检测电压
    • +100mV,25倍增益
    • +250mV,10倍增益
    • +1250mV,2倍增益
  • 共模范围、LDMOS漏极耐压:+5V至+32V
  • 可调节的低噪声、0至AVDD输出栅极偏置电压范围
  • 快速箝位至AGND,用于LDMOS保护
  • 带温度测量的12位DAC栅极控制
  • 内部结温测量
  • 通过远端二极管实现双通道外部温度测量
  • 内部12位ADC,用于测量:温度、电流以及电压
  • 用户可选择串口
    • 400kHz/1.7MHz/3.4MHz I²C兼容接口
    • 16MHz SPI/MICROWIRE兼容接口

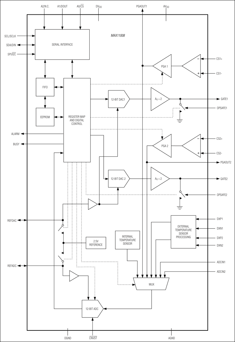
MAX11008控制器为蜂窝基站和其他无线基础设备中的RF LDMOS功放提供偏压。每个控制器包括增益可设置为2、10和25倍的高边电流检测放大器,用来监测LDMOS的漏极电流(电流范围20mA到5A)。MAX11008支持最多2个外部连接成二极管的晶体管,用于监测LDMOS温度,内部温度传感器可以测量本地结温。12位逐次逼近寄存器(SAR)模/数转换器(ADC)对来自可编程增益放大器(PGA)、外部温度传感器、内部温度检测以及2路额外的辅助输入端的模拟信号进行转换。MAX11008结合温度、AIN和/或漏极采样值与查找表中(LUT)存储的数据,自动调整LDMOS偏压。

MAX11008包含两个栅极驱动通道,每通道包含一个12位DAC,可产生栅极正压,用于偏置LDMOS器件。每个栅极驱动输出可源出高达±2mA的栅极电流。栅极驱动放大器将电流限制在±25mA,并可快速箝位至AGND。

MAX11008包含4Kb非易失EEPROM,按照256位 x 16位的配置存储LUT和寄存器信息。器件工作在4线16MHz SPI™/MICROWIRE™兼容接口或工作在I²C兼容的串口。

MAX11008采用+4.75V至+5.25V模拟供电电源(典型工作电流为2mA)和+2.7V至+5.25V数字供电电源(典型工作电流为3mA)。器件采用48引脚、7mm x 7mm、薄型QFN封装,工作在扩展级温度范围(-40°C至+85°C)。

应用

  • 蜂窝基站
  • 前馈功放
  • 工业过程控制
  • 微波无线链路
  • 发送器

MAX11008
双通道RF LDMOS偏置控制器,带有非易失存储器
MAX11008:功能框图
添加至 myAnalog

将产品添加到myAnalog 的现有项目或新项目中(接收通知)。

创建新项目
提问

参考资料

了解更多
添加至 myAnalog

Add media to the Resources section of myAnalog, to an existing project or to a new project.

创建新项目

软件资源

找不到您所需的软件或驱动?

申请驱动/软件

工具及仿真模型


评估套件

MAX11008EVKIT

MAX11008评估板/评估系统

特性和优点

  • 经过验证的PCB布局
  • 完整的评估系统
  • 方便的板上测试点
  • 数据记录软件
  • 无铅并符合RoHS标准的封装
  • 完全安装并经过测试

产品详情

MAX11008评估板(EV kit)是经过安装和测试的电路板,用于演示MAX11008双路RF LDMOS编解码器智能调节器,实现LDMOS FET偏置控制。Windows® 98/2000/XP软件提供了方便的用户界面,用于评估MAX11008性能。

应用

  • 蜂窝基站
  • 前馈功放
  • 工业过程控制
  • 微波无线链路
  • 发送器

MAX11008EVC16

MAX11008评估板/评估系统

特性和优点

  • 经过验证的PCB布局
  • 完整的评估系统
  • 方便的板上测试点
  • 数据记录软件
  • 无铅并符合RoHS标准的封装
  • 完全安装并经过测试

产品详情

MAX11008评估板(EV kit)是经过安装和测试的电路板,用于演示MAX11008双路RF LDMOS编解码器智能调节器,实现LDMOS FET偏置控制。Windows® 98/2000/XP软件提供了方便的用户界面,用于评估MAX11008性能。

应用

  • 蜂窝基站
  • 前馈功放
  • 工业过程控制
  • 微波无线链路
  • 发送器

MAX11008EVKIT
MAX11008评估板/评估系统
MAX11008EVC16
MAX11008评估板/评估系统

最新评论

需要发起讨论吗? 没有关于 MAX11008的相关讨论?是否需要发起讨论?

在EngineerZone®上发起讨论

近期浏览