LTC2122

量产

具有JESD204B串行输出的双通道、14位、170Msps ADC

产品技术资料帮助

ADI公司所提供的资料均视为准确、可靠。但本公司不为用户在应用过程中侵犯任何专利权或第三方权利承担任何责任。技术指标的修改不再另行通知。本公司既没有含蓄的允许,也不允许借用ADI公司的专利或专利权的名义。本文出现的商标和注册商标所有权分别属于相应的公司。

Viewing:

概述

  • 6.0Gbps JESD204B 接口
  • 两个 ADC 只需一个输出线道 (FS ≤ 150Msps)
  • 70dBFS SNR
  • 90dBFS SFDR
  • 低功率:751mW (总值)
  • 单 1.8V 电源
  • 易于驱动的 1.5VP-P 输入范围
  • 1.25GHz 满功率带宽采样及保持 (S/H)
  • 可任选的时钟一比二分频
  • 可任选的时钟占空比稳定器
  • 低功耗睡眠和打盹模式
  • 用于配置的串行 SPI 端口
  • 48 引脚 (7mm x 7mm) QFN 封装

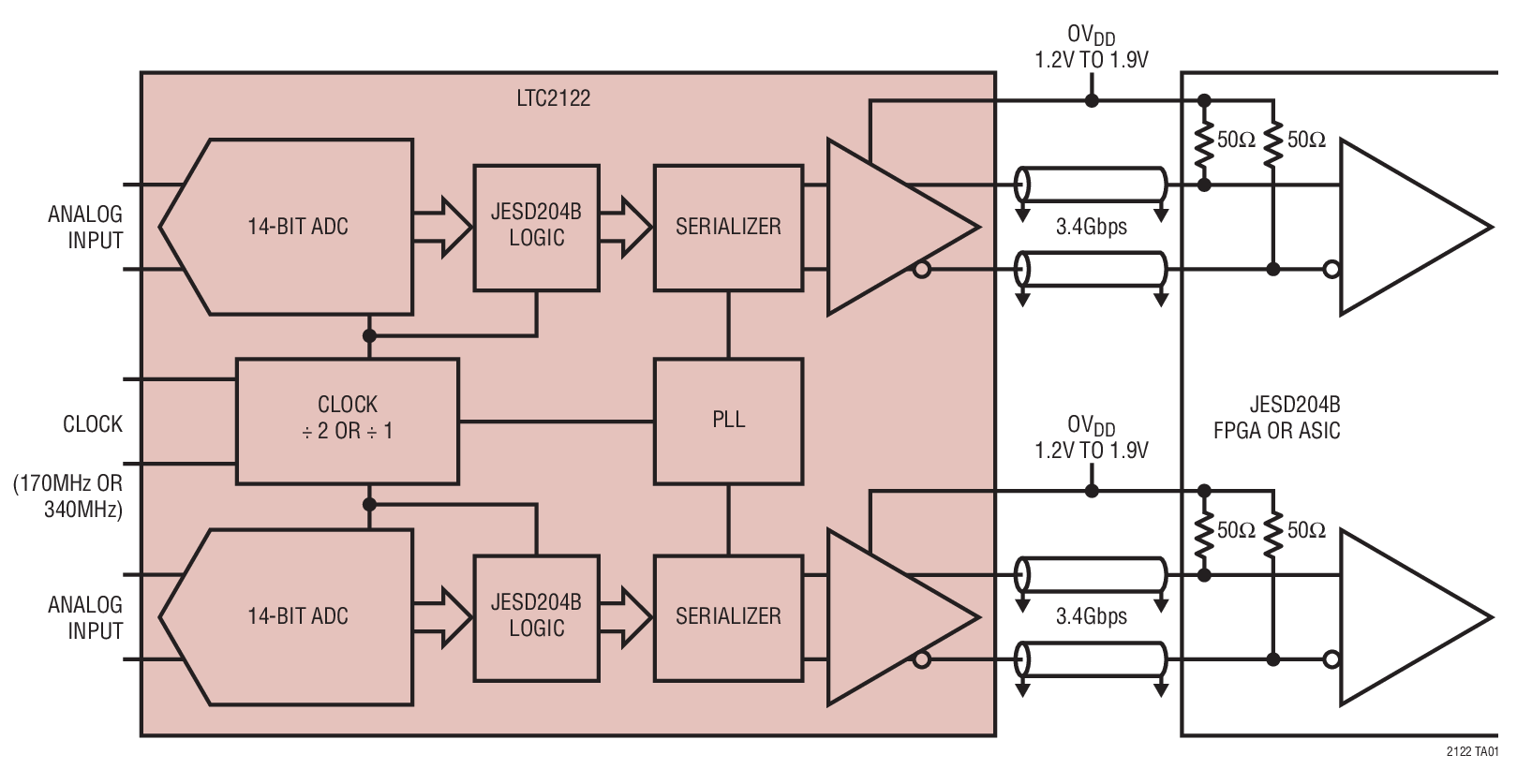
LTC®2122是一款双通道、同步采样170Msps、14位模数转换器,具有串行JESD204B输出。该器件专为对高频、宽动态范围信号进行数字化处理而设计。它非常适合要求苛刻的通信应用,具有70dB SNR和90dB无杂散动态范围(SFDR)等AC性能。1.25GHz输入带宽允许ADC进行高频欠采样。

JESD204B串行接口可尽量减少所需的数据线数,从而简化PCB设计。在170Msps采样速率下,仅需要两个3.4Gbps输出通道。对于150Msps以下的采样速率,两个ADC可以共用同一个高达6.0Gbps的输出通道。

DEVCLK+和DEVCLK输入可以利用正弦波、PECL或LVDS信号进行差分驱动。可选的时钟二分频电路或时钟占空比稳定器可较宽的时钟占空比范围内保持高性能和高速度。



应用

  • 通信
  • 蜂窝基站
  • 软件定义无线电
  • 医疗成像
  • 高清视频
  • 测试与测量仪器仪表

LTC2122
具有JESD204B串行输出的双通道、14位、170Msps ADC
64k Point 2-Tone FFT, fIN = 71MHz and 69MHz, –7dBFS, 170Msps Product Package 1
添加至 myAnalog

将产品添加到myAnalog 的现有项目或新项目中(接收通知)。

创建新项目
提问

参考资料

了解更多
添加至 myAnalog

Add media to the Resources section of myAnalog, to an existing project or to a new project.

创建新项目

软件资源

Evaluation Software 1

KC705 FPGA Source Code for DC1974


硬件生态系统

部分模型 产品周期 描述
差分放大器 1
LTC6409 推荐用于新设计 10GHz GBW、1.1nV/√Hz 差分放大器 / ADC 驱动器
低噪声放大器(LNA)和功率放大器 1
LTC6430-15 推荐用于新设计 高线性度、差分 RF / IF 放大器 / ADC 驱动器
数模转换器(DAC) 1
LTC2000 量产 16 / 14 / 11 位、2.5Gsps DAC
锁相环(PLL)频率合成器 1
LTC6946 最后购买期限 具集成型 VCO 的超低噪声及杂散 0.37GHz 至 6.39GHz 整数 N 合成器
Modal heading
添加至 myAnalog

将产品添加到myAnalog 的现有项目或新项目中(接收通知)。

创建新项目

评估套件

eval board
DC2226A-A

4-Channel 14-Bit 250Msps JESD204B ADC with Clocking [Featuring LTC2123, LTC6951]

产品详情

Demonstration Circuit 2226A-A is a reference design for a four-channel, 250Msps ADC system consisting of two LTC2123, dual 14-bit 250Msps ADCs and a JESD204B Subclass 1 clocking solution based on the LTC6951 Clock Synthesizer with Integrated VCO. Other dash options reserved for future use. No external clock source is required to operate the board; however, the on-board 100MHz reference oscillator may be bypassed, allowing synchronization to other equipment.


Companion Board: Kintex Board

eval board
DC1974A-C

LTC2122 Demo Board | 14-bit, 170Msps Dual ADC with JESD204B Outputs

产品详情

Demonstration circuit 1974 supports the LTC2123 14-bit dual ADC family with JESD204B compliant CML outputs. It was specially designed for applications that require single-ended AC coupled inputs. The DC1974 supports the LTC2123 and LTC2122 with sample rates from 250Msps to 170Msps.


Companion Board: Kintex Board

DC2226A-A
4-Channel 14-Bit 250Msps JESD204B ADC with Clocking [Featuring LTC2123, LTC6951]
DC2226A - Schematic
DC1974A-C
LTC2122 Demo Board | 14-bit, 170Msps Dual ADC with JESD204B Outputs
DC1974A - Schematic

最新评论

需要发起讨论吗? 没有关于 LTC2122的相关讨论?是否需要发起讨论?

在EngineerZone®上发起讨论

近期浏览