LT5554

量产

宽带、超低失真、7 位数字控制型 VGA

产品技术资料帮助

ADI公司所提供的资料均视为准确、可靠。但本公司不为用户在应用过程中侵犯任何专利权或第三方权利承担任何责任。技术指标的修改不再另行通知。本公司既没有含蓄的允许,也不允许借用ADI公司的专利或专利权的名义。本文出现的商标和注册商标所有权分别属于相应的公司。

Viewing:

概述

  • 1GHz 带宽 (在所有增益条件下)
  • 48dBm OIP3 (在 200MHz,向 50Ω 负载输送 2VP-P 电压,ROUT = 100Ω)
  • -88dBc IMD3 (在 200MHz,向 50Ω 负载输送 2VP-P 电压,ROUT = 100Ω)
  • 1.4nV/√Hz 输入参考噪声 (RTI)
  • 20dBm 输出 P1dB (在 70MHz,ROUT = 130Ω)
  • 2dB 至 18dB增益范围 (ROUT = 50Ω)
  • 0.125dB 增益步进
  • 30ps 群延迟偏差
  • 5ns 快速增益稳定时间
  • 5ns 快速过驱动恢复
  • -80dB 反向隔离

 

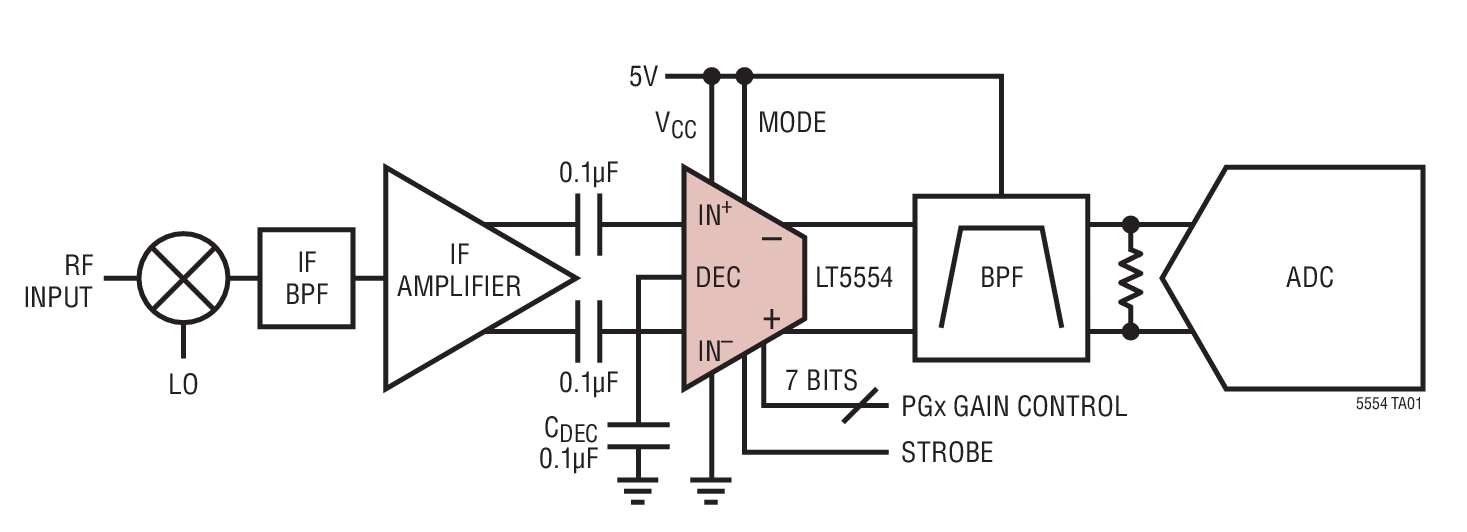
LT®5554 是一款 7 位数字控制型可编程增益 (PG) 放大器,具有 16dB 增益控制范围。它包括一个 50Ω 输入可变衰减器,后随一个高线性度可变跨导放大器。4dB 的输入衰减器粗调步幅通过 2 个数字控制位 (PG5、PG6) 来实现。3.875dB 增益控制范围内的 0.125dB 跨导放大器细调步幅通过 5 个数字控制位 (PG0 至 PG4) 来设定。LT5554 的增益控制输入 (PGx) 和 STROBE 输入可被直接耦合至 TTL 或 ECL 驱动器。7 个并联增益控制输入的时间偏移可以通过采用 STROBE 输入正变换来消除。

内部输出电阻器 (R0 = 400Ω) 用于把最大总增益限制为 36dB (对于开路输出)。开路输出集电极的内部电路使得 LT5554 能够在任何负载条件下 (包括外部 SAW 滤波器) 无条件地保持稳定,并在 300MHz 的频率条件下提供了 -80dB 的反向隔离。

LT5554 在过驱动期间进行内部保护,并具有一个片内电源稳压器。

凭借 0.125dB 的步幅分辨率和 5ns 的稳定时间,LT5554 是那些需要进行连续增益控制应用的合适之选。

 


Applications

  • 差分 ADC 驱动器
  • IF 采样接收器
  • VGA IF 功率放大器
  • 50Ω 驱动器
  • 仪表

 

LT5554
宽带、超低失真、7 位数字控制型 VGA
OIP3 and SFDR vs Frequency Product Package 1
添加至 myAnalog

将产品添加到myAnalog 的现有项目或新项目中(接收通知)。

创建新项目
提问

参考资料

了解更多
添加至 myAnalog

Add media to the Resources section of myAnalog, to an existing project or to a new project.

创建新项目

软件资源

找不到您所需的软件或驱动?

申请驱动/软件

硬件生态系统

部分模型 产品周期 描述
LTC6412 最后购买期限 800MHz、31dB 范围模拟控制型 VGA
LTC6430-15 推荐用于新设计 高线性度、差分 RF / IF 放大器 / ADC 驱动器
Modal heading
添加至 myAnalog

将产品添加到myAnalog 的现有项目或新项目中(接收通知)。

创建新项目

工具及仿真模型

ADIsimRF

ADIsimRF是一款简单易用的RF信号链计算工具。可以计算和导出多达50级的信号链级联增益、噪声、失真和功耗并绘制其曲线。ADIsimRF还包括丰富的ADI射频和混合信号元件的器件模型数据库。

打开工具

评估套件

eval board
DC1150A

LT5554 | Broadband Ultra-Low Distortion Digitally Programmable VGA

产品详情

DC1150A: Demo Board for LT5554 Broadband Ultra Low Distortion 7-Bit Digitally Controlled VGA

DC1150A
LT5554 | Broadband Ultra-Low Distortion Digitally Programmable VGA
DC1150A - Schematic

最新评论

需要发起讨论吗? 没有关于 LT5554的相关讨论?是否需要发起讨论?

在EngineerZone®上发起讨论

近期浏览