LT5516

量产

800MHz 至 1.5GHz 直接转换正交解调器

产品技术资料帮助

ADI公司所提供的资料均视为准确、可靠。但本公司不为用户在应用过程中侵犯任何专利权或第三方权利承担任何责任。技术指标的修改不再另行通知。本公司既没有含蓄的允许,也不允许借用ADI公司的专利或专利权的名义。本文出现的商标和注册商标所有权分别属于相应的公司。

Viewing:

概述

  • 频率范围:800MHz 至 1.5GHz
  • 高 IIP3:21.5dBm (在 900MHz)
  • 高 IIP2:52dBm
  • 噪声指数:12.8dB (在 900MHz)
  • 转换增益:4.3dB (在 900MHz)
  • I/Q 增益失配:0.2dB
  • 停机模式
  • 带裸露衬垫的 16 引脚 QFN 4mm x 4mm 封装

LT®5516 是一款专为高线性度接收器应用而优化的 800MHz 至 1.5GHz 直接转换正交解调器。它适用于将 RF 或 IF 信号直接转换成具有高达 260MHz 带宽的 I 和 Q 基带信号的通信接收器。LT5516 具有平衡的 I 和 Q 混频器、LO 缓冲放大器和一个精准的高频正交发生器。

  LT5516 所具有的高线性度能够在一个 RF 接收器中提供极佳的无寄生动态范围,即使在采用固定增益前端放大的情况下亦是如此。这种直接转换接收器能够免除进行中频 (IF) 信号处理以及相应的图像滤波和 IF 滤波的需要。信道滤波可以直接在 I 和 Q 通道的输出端上完成。这些输出可直接与通道选择滤波器 (LPF) 或一个基带放大器相连。


Applications

  • 蜂窝 / PCS / UMTS 基础设施
  • 高线性度直接转换 I/Q 接收器
  • 高线性度 I/Q 解调器

LT5516
800MHz 至 1.5GHz 直接转换正交解调器
High Signal-Level I/Q Demodulator for Wireless Infrastructure I/Q Output Power, IM3 vs RF Input Power Product Package 1
添加至 myAnalog

将产品添加到myAnalog 的现有项目或新项目中(接收通知)。

创建新项目
提问

参考资料

了解更多
添加至 myAnalog

Add media to the Resources section of myAnalog, to an existing project or to a new project.

创建新项目

软件资源

找不到您所需的软件或驱动?

申请驱动/软件

硬件生态系统

部分模型 产品周期 描述
LTC5585 量产 具 IIP2 和 DC 偏移控制功能的宽带 IQ 解调器
Modal heading
添加至 myAnalog

将产品添加到myAnalog 的现有项目或新项目中(接收通知)。

创建新项目

工具及仿真模型

ADIsimRF

ADIsimRF是一款简单易用的RF信号链计算工具。可以计算和导出多达50级的信号链级联增益、噪声、失真和功耗并绘制其曲线。ADIsimRF还包括丰富的ADI射频和混合信号元件的器件模型数据库。

打开工具

评估套件

eval board
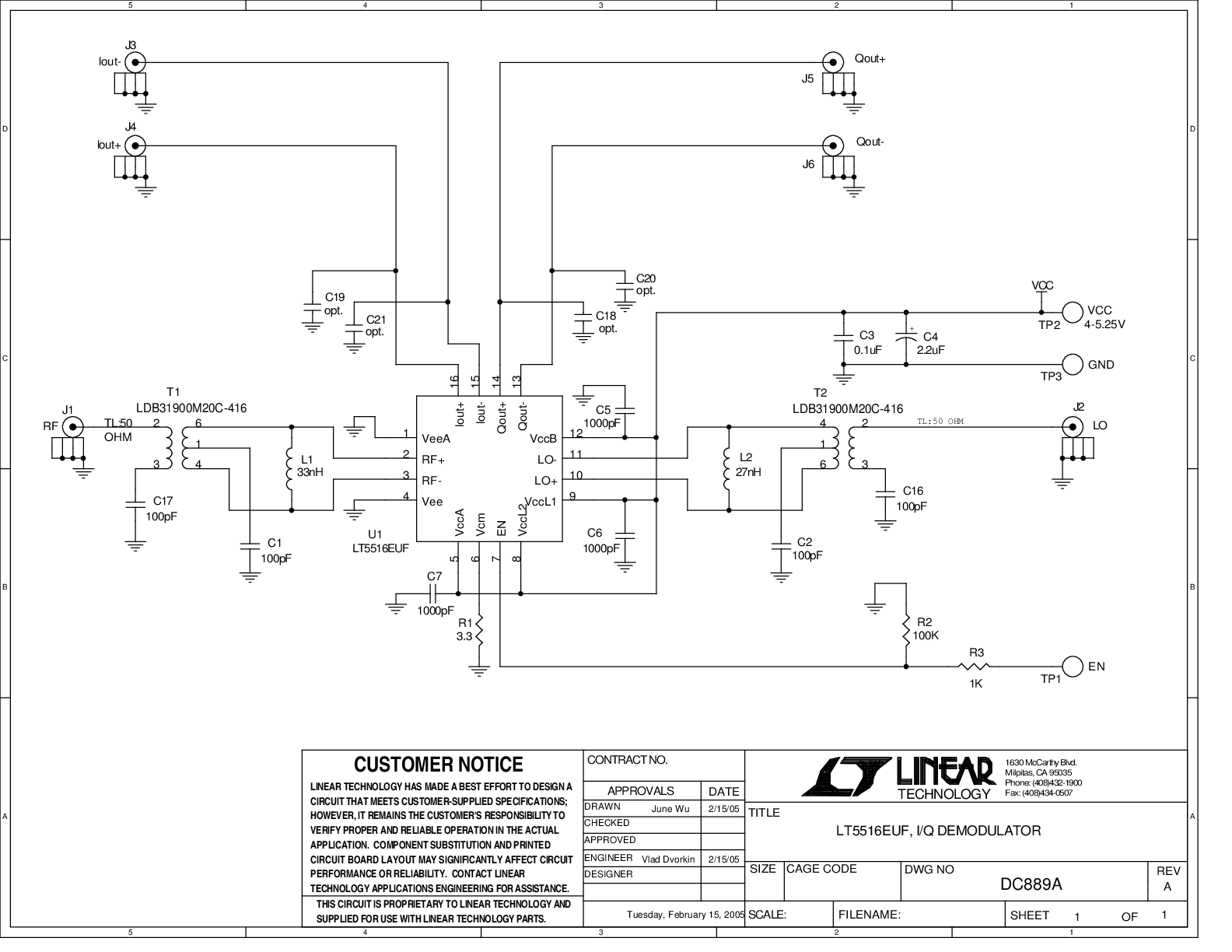
DC889A

LT5516EUF | 替代DC555A-B;900MHz直接变频解调器

产品详情

DC889A:LT5516 800MHz至1.5GHz直接变频正交解调器演示板。

DC889A
LT5516EUF | 替代DC555A-B;900MHz直接变频解调器
DC889A - Schematic

最新评论

需要发起讨论吗? 没有关于 LT5516的相关讨论?是否需要发起讨论?

在EngineerZone®上发起讨论

近期浏览