LM10

过期

Low Power Op Amp and Reference

产品技术资料帮助

ADI公司所提供的资料均视为准确、可靠。但本公司不为用户在应用过程中侵犯任何专利权或第三方权利承担任何责任。技术指标的修改不再另行通知。本公司既没有含蓄的允许,也不允许借用ADI公司的专利或专利权的名义。本文出现的商标和注册商标所有权分别属于相应的公司。

Viewing:

概述

Obsolete Product - Datasheet For Reference Purposes Only.  Contact Analog Devices For Replacement Product

  • Guaranteed Operation at +1.2V
  • Op Amp and Reference on Single Chip
  • Low Supply Current 400µA
  • Capable of Floating Mode Operation
  • Low Reference Drift 20ppm/°C
  • Low Offset Voltage
  • Output Swings to Within 15mV of Rails

Obsolete Product - Datasheet For Reference Purposes Only.  Contact Analog Devices For Replacement Product

The LM10 combines a precision reference, a reference buffer amplifier and an independent, high quality op amp on a single chip. The device is capable of operation from a single supply as low as 1.1V, from dual supplies up to ±20V and typically draws 270µA supply current. Input voltage range for the op amp includes ground, while the unloaded output can swing to within 15mV of each rail. Further, the LM10 will deliver 20mA output current and still swing within ±400mV of the supply rails.

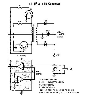
With its low operating current and floating operation capability, the LM10 is ideal for two wire analog transmitter circuits where the processed signal is carried on the same line used for power. The LM10 is suggested for portable battery powered equipment and is fully specified for operation from a single 1.2V battery. Other applications include precision current and voltage regulators, operating from very low voltages to several hundred volts.

Applications

  • Remote Signal Conditioner/Transmitter
  • Battery Operated Instruments
  • Precision Current Regulators
  • Precision Voltage Regulators
  • Thermocouple Transmitter

LM10
Low Power Op Amp and Reference
添加至 myAnalog

将产品添加到myAnalog 的现有项目或新项目中(接收通知)。

创建新项目
提问

参考资料

数据手册 1

可靠性数据 1

了解更多
添加至 myAnalog

Add media to the Resources section of myAnalog, to an existing project or to a new project.

创建新项目

软件资源

找不到您所需的软件或驱动?

申请驱动/软件

硬件生态系统

部分模型 产品周期 描述
LT1635 量产 微功率、轨至轨运算放大器和基准
Modal heading
添加至 myAnalog

将产品添加到myAnalog 的现有项目或新项目中(接收通知)。

创建新项目

工具及仿真模型

SPICE 模型 1

最新评论

需要发起讨论吗? 没有关于 LM10的相关讨论?是否需要发起讨论?

在EngineerZone®上发起讨论

近期浏览