HMC742A

推荐用于新设计

0.5 dB LSB GaAs MMIC 6位数字可变增益放大器,采用SMT封装,0.07 - 4 GHz

产品技术资料帮助

ADI公司所提供的资料均视为准确、可靠。但本公司不为用户在应用过程中侵犯任何专利权或第三方权利承担任何责任。技术指标的修改不再另行通知。本公司既没有含蓄的允许,也不允许借用ADI公司的专利或专利权的名义。本文出现的商标和注册商标所有权分别属于相应的公司。

Viewing:

概述

  • -19.5至12 dB增益控制,0.5 dB步进
  • 上电状态选择
  • 高输出IP3: +39 dBm
  • 兼容TTL/CMOS
    串行、并行或锁存并行控制
  • 增益步进误差:±0.25 dB(典型值)
  • +5V单电源
  • 32引脚5x5mm SMT封装: 25mm²

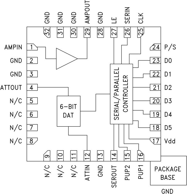
HMC742A是一款数字控制可变增益放大器,工作频率范围为70 MHz至4 GHz,可通过编程提供-19.5 dB衰减至12 dB增益,步进为0.5 dB。 HMC742A在最大增益状态下的噪声系数为4 dB,任意状态下的输出IP3最高为+39 dBm。 双模增益控制接口支持三线式串行输入或6位并行字。 HMC742A还提供用户可选上电状态和串行输出,从而级联其他Hittite串行控制元件。 HMC742A采用符合RoHS标准的5x5 mm QFN无铅封装,同时只需极少量的外部元件。

应用

  • 蜂窝/3G基础设施
  • WiBro / WiMAX / 4G
  • 微波无线电和VSAT
  • 测试设备和传感器
  • IF和RF应用

HMC742A
0.5 dB LSB GaAs MMIC 6位数字可变增益放大器,采用SMT封装,0.07 - 4 GHz
hmc742hflp55_fbl
添加至 myAnalog

将产品添加到myAnalog 的现有项目或新项目中(接收通知)。

创建新项目
提问

参考资料

数据手册 1

了解更多
添加至 myAnalog

Add media to the Resources section of myAnalog, to an existing project or to a new project.

创建新项目

软件资源

找不到您所需的软件或驱动?

申请驱动/软件

工具及仿真模型

ADIsimRF

ADIsimRF是一款简单易用的RF信号链计算工具。可以计算和导出多达50级的信号链级联增益、噪声、失真和功耗并绘制其曲线。ADIsimRF还包括丰富的ADI射频和混合信号元件的器件模型数据库。

打开工具

评估套件

EVAL-HMC742ALP5
HMC742ALP5评估板

最新评论

近期浏览