HMC625A
过期6位数字可变增益放大器,采用SMT封装,DC - 6 GHz
- 产品模型
- 1
Viewing:
概述
- -13.5至+18增益控制,0.5dB步进
- 上电状态选择
- 高输出IP3: +33 dBm
- 兼容TTL/CMOS
串行或并行控制
- 典型增益步进误差: ±0.25 dB
- +5V单电源
- 32引脚5x5 mm SMT封装
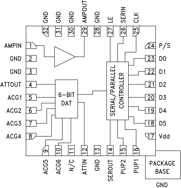
HMC625ALP5E是一款数字控制可变增益放大器,工作频率范围为DC至6 GHz,可编程提供13.5 dB衰减至18 dB增益范围内的任意设置,步进为0.5 dB。 HMC625ALP5E在最大增益状态下的噪声系数为6 dB,任意状态下的输出IP3最高为+33 dBm。 双模控制接口兼容CMOS/TTL,支持三线式串行输入或6位并行字。 HMC625ALP5E还提供用户可选上电状态和串行输出端口,可级联其他Hittite串行控制元件。 HMC625ALP5E采用符合RoHS标准的5x5 mm QFN无引脚封装,无需外部匹配元件。
应用
- 蜂窝/3G基础设施
- WiBro / WiMAX / 4G
- 微波无线电和VSAT
- 测试设备与传感器
- IF与RF应用
参考资料
停产数据手册 1
质量文档 2
磁带和卷轴规格 1
ADI 始终高度重视提供符合最高质量和可靠性水平的产品。我们通过将质量和可靠性检查纳入产品和工艺设计的各个范围以及制造过程来实现这一目标。出货产品的“零缺陷”始终是我们的目标。查看我们的质量和可靠性计划和认证以了解更多信息。
| 产品型号 | 引脚/封装图-中文版 | 文档 | CAD 符号,脚注和 3D模型 |
|---|---|---|---|
| HMC625ALP5E | 32-Lead QFN (5mm x 5mm w/ EP) |
| 产品型号 | 产品生命周期 | PCN |
|---|---|---|
|
7月 27, 2015 - 15_0071 Discontinuance of Select Hittite Microwave (HMC) Products from Analog Devices |
||
| HMC625ALP5E | 过期 | |
这是最新版本的数据手册
软件资源
找不到您所需的软件或驱动?
申请驱动/软件硬件生态系统
| 部分模型 | 产品周期 | 描述 |
|---|---|---|
| HMC625A | 过期 | 6位数字可变增益放大器,采用SMT封装,DC - 6 GHz |
工具及仿真模型
S-参数 1
评估套件
最新评论
需要发起讨论吗? 没有关于 HMC625A的相关讨论?是否需要发起讨论?
在EngineerZone®上发起讨论