HMC609LC4

量产

低噪声放大器,采用SMT封装,2 - 4 GHz

产品技术资料帮助

ADI公司所提供的资料均视为准确、可靠。但本公司不为用户在应用过程中侵犯任何专利权或第三方权利承担任何责任。技术指标的修改不再另行通知。本公司既没有含蓄的允许,也不允许借用ADI公司的专利或专利权的名义。本文出现的商标和注册商标所有权分别属于相应的公司。

Viewing:

概述

  • 固定微波
  • 测试和测量设备
  • 雷达和传感器
  • 军事和太空

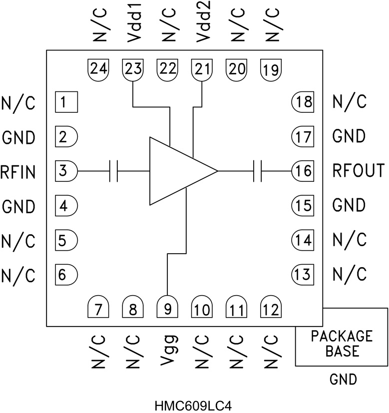
HMC609LC4是一款GaAs PHEMT MMIC低噪声放大器(LNA),工作频率范围为2至4 GHz。 HMC609LC4在整个工作频段内具有出色的平坦性能特性,包括20 dB小信号增益、3.5 dB噪声系数和+36.5 dBm输出IP3。 50 Ω匹配放大器无需任何外部匹配元件。 HMC609LC4可使用高容量表贴制造技术,且RF I/O经过隔直以进一步便于集成。

应用

  • 出色的增益平坦度: _0.4 dB
  • 高增益: 20 dB
  • 低噪声系数: 3.5 dB
  • 输出IP3: +36.5 dBm
  • 50 Ω匹配和隔直RF I/O
  • 符合RoHS标准的4x4 mm SMT封装

HMC609LC4

低噪声放大器,采用SMT封装,2 - 4 GHz

HMC609LC4_fbl
添加至 myAnalog

将产品添加到myAnalog 的现有项目或新项目中(接收通知)。

创建新项目
提问

参考资料

了解更多
添加至 myAnalog

Add media to the Resources section of myAnalog, to an existing project or to a new project.

创建新项目

软件资源

找不到您所需的软件或驱动?

申请驱动/软件

工具及仿真模型

S-参数 1

Sys-Parameter Models for Keysight Genesys

Sys-Parameter models contain behavioral parameters, such as P1dB, IP3, gain, noise figure and return loss, which describe nonlinear and linear characteristics of a device.

打开工具

ADIsimRF

ADIsimRF是一款简单易用的RF信号链计算工具。可以计算和导出多达50级的信号链级联增益、噪声、失真和功耗并绘制其曲线。ADIsimRF还包括丰富的ADI射频和混合信号元件的器件模型数据库。

打开工具

评估套件

EVAL-HMC609LC4
HMC609LC4 评估板

最新评论

需要发起讨论吗? 没有关于 HMC609LC4的相关讨论?是否需要发起讨论?

在EngineerZone®上发起讨论

近期浏览