Quantic X-Microwave

ADI RF和微波元件作为Quantic X-Microwave的插入式X-MWblocks®提供。

获取此器件的X-MWblock®插入式模块。

HMC608

推荐用于新设计

中等功率放大器,采用SMT封装,9.5 - 11.5 GHz

产品技术资料帮助

ADI公司所提供的资料均视为准确、可靠。但本公司不为用户在应用过程中侵犯任何专利权或第三方权利承担任何责任。技术指标的修改不再另行通知。本公司既没有含蓄的允许,也不允许借用ADI公司的专利或专利权的名义。本文出现的商标和注册商标所有权分别属于相应的公司。

Viewing:

概述

  • 输出IP3:+33 dBm
  • 饱和功率:+27.5 dBm (23% PAE)
  • 增益:29.5 dB
  • 电源:+5V(310 mA时)
  • 50 Ω匹配输入/输出
  • 符合RoHS标准的4x4 mm SMT封装

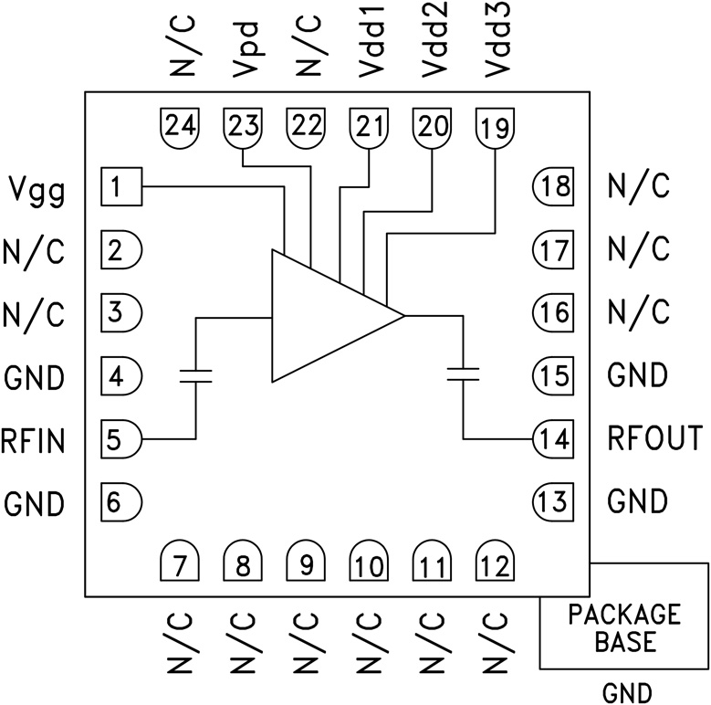
HMC608LC4是一款高动态范围GaAs pHEMT MMIC中等功率放大器,采用无引脚“无铅”SMT封装。该放大器提供两种工作模式:高增益模式(Vpd引脚短接至地);和低增益模式(Vpd引脚保持开路)。下表显示了在高增益模式下工作的放大器的电气规格。该放大器具有9.5至11.5 GHz的工作范围,提供29.5 dB增益、+27.5 dBm饱和功率和23% PAE(+5V电源电压)。噪声系数为6 dB,而输出IP3为+33 dBm。隔直RF I/O匹配至50 Ω,使用方便。HMC608LC4无需线焊,可以使用表贴制造技术。

应用

  • 点对点无线电
  • 点对多点无线电
  • 军用最终用途

HMC608
中等功率放大器,采用SMT封装,9.5 - 11.5 GHz
hmc608lc4_fbl
添加至 myAnalog

将产品添加到myAnalog 的现有项目或新项目中(接收通知)。

创建新项目
提问

参考资料

了解更多
添加至 myAnalog

Add media to the Resources section of myAnalog, to an existing project or to a new project.

创建新项目

软件资源

找不到您所需的软件或驱动?

申请驱动/软件

工具及仿真模型

ADIsimRF

ADIsimRF是一款简单易用的RF信号链计算工具。可以计算和导出多达50级的信号链级联增益、噪声、失真和功耗并绘制其曲线。ADIsimRF还包括丰富的ADI射频和混合信号元件的器件模型数据库。

打开工具

S-参数 1

Sys-Parameter Models for Keysight Genesys

Sys-Parameter models contain behavioral parameters, such as P1dB, IP3, gain, noise figure and return loss, which describe nonlinear and linear characteristics of a device.

打开工具

评估套件

EVAL-HMC608LC4
HMC608LC4 评估板

最新评论

近期浏览