Quantic X-Microwave

ADI公司的RF和微波器件现已作为X-Microwave的X-MWblock®插入式评估模块提供。

获取此器件的X-MWblock®插入式模块。

HMC1086F10

量产

25 W GaN法兰贴装MMIC功率放大器,2 - 6 GHz

产品技术资料帮助

ADI公司所提供的资料均视为准确、可靠。但本公司不为用户在应用过程中侵犯任何专利权或第三方权利承担任何责任。技术指标的修改不再另行通知。本公司既没有含蓄的允许,也不允许借用ADI公司的专利或专利权的名义。本文出现的商标和注册商标所有权分别属于相应的公司。

Viewing:

概述

  • 高Psat: +44.5 dBm
  • Psat下功率增益: 11 dB
  • 高输出IP3: +46 dBm
  • 小信号增益: 23 dB
  • 电源电压: +28V (1100 mA)
  • 50 Ω匹配输入/输出
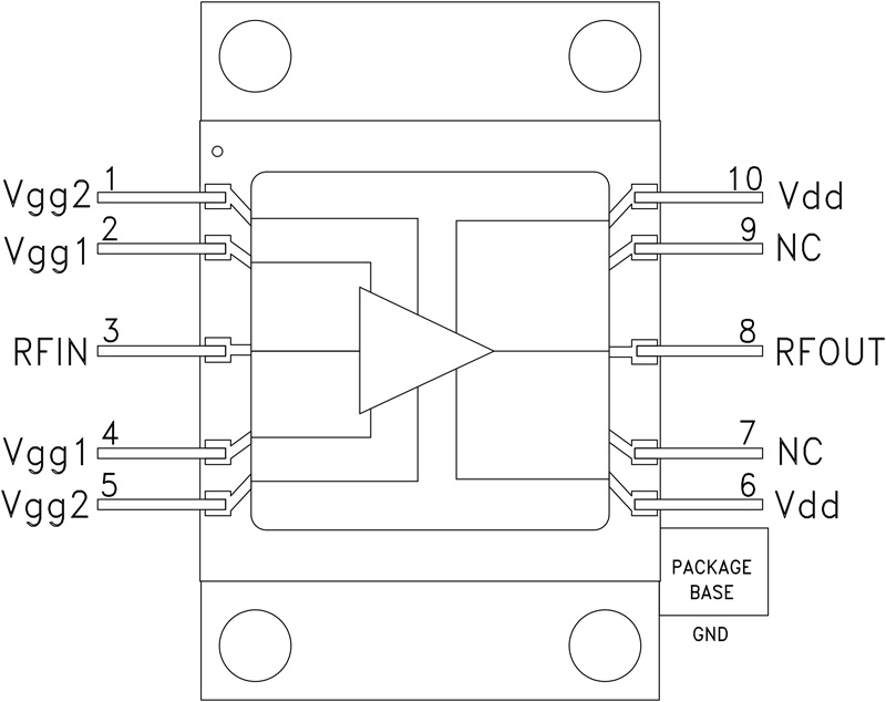
  • 10引脚法兰封装

HMC1086F10是一款25W氮化镓(GaN) MMIC功率放大器,工作频率范围为2至6 GHz,采用10引脚法兰贴装封装。 该放大器通常提供23 dB小信号增益,+44.5 dBm饱和输出功率,在+33 dBm输出功率/信号音下,提供+46 dBm输出IP3。 该放大器采用+28V直流电源的静态功耗为1,100 mA。 隔直RF I/O匹配至50 Ω,使用方便。

应用

  • 测试仪器仪表
  • 通用通信
  • 雷达
  • EW /ECM

HMC1086F10

25 W GaN法兰贴装MMIC功率放大器,2 - 6 GHz

hmc1086f10_fbl
添加至 myAnalog

将产品添加到myAnalog 的现有项目或新项目中(接收通知)。

创建新项目
提问

参考资料

了解更多
添加至 myAnalog

Add media to the Resources section of myAnalog, to an existing project or to a new project.

创建新项目

软件资源

找不到您所需的软件或驱动?

申请驱动/软件

工具及仿真模型

S-参数 1

Sys-Parameter Models for Keysight Genesys

Sys-Parameter models contain behavioral parameters, such as P1dB, IP3, gain, noise figure and return loss, which describe nonlinear and linear characteristics of a device.

打开工具

ADIsimRF

ADIsimRF是一款简单易用的RF信号链计算工具。可以计算和导出多达50级的信号链级联增益、噪声、失真和功耗并绘制其曲线。ADIsimRF还包括丰富的ADI射频和混合信号元件的器件模型数据库。

打开工具

评估套件

EVAL-HMC1086F10

HMC1086F10 Evalation Board

产品详情

The HMC1086F10 evaluation board is a two layer PCB fabricated using 10 mil thick Arlon 25FR or Rogers 4350B copper clad. The PCB is mounted to a metal heat spreader which assists in providing thermal relief to the part as well as mechanical support to the PCB. Mounting holes allow for easy attachment to larger heat sinks for improved thermal management. The RF input and RF output traces have a 50 ohm characteristic impedance and the board is populated with components suitable for use over the entire Operating Temperature range of the part.

EVAL-HMC1086F10
HMC1086F10 Evalation Board

最新评论

需要发起讨论吗? 没有关于 HMC1086F10的相关讨论?是否需要发起讨论?

在EngineerZone®上发起讨论

近期浏览