HMC1042
过期
GaAs MMIC I/Q混频器15 - 33.5 GHz
- 产品模型
- 3
Viewing:
概述
- 宽IF带宽: DC - 3.5 GHz
- 镜像抑制: 30 dBc
- LO至RF隔离: 40 dB
- 高输入IP3: +22 dBm
- 24引脚4x4 mm SMT封装: 16mm²
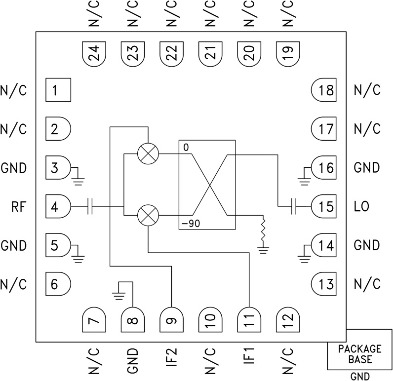
HMC1042LC4是一款紧凑型I/Q MMIC混频器,采用无引脚“无铅”SMT封装,可用作镜像抑制混频器或单边带上变频器。 该混频器采用两个标准Hittite双平衡混频器单元和一个90度混合器件,均采用GaAs MESFET工艺制造。 低频正交混合器件用于产生2000 MHz USB IF输出。 该产品为混合型镜像抑制混频器和单边带上变频器组件的小型替代器件。 HMC1042LC4无需线焊,可以使用表贴制造技术。
应用
- 点对点无线电
- 点对多点无线电
- 测试设备和传感器
- 军用最终用途
参考资料
数据手册 1
质量文档 1
磁带和卷轴规格 1
ADI 始终高度重视提供符合最高质量和可靠性水平的产品。我们通过将质量和可靠性检查纳入产品和工艺设计的各个范围以及制造过程来实现这一目标。出货产品的“零缺陷”始终是我们的目标。查看我们的质量和可靠性计划和认证以了解更多信息。
| 产品型号 | 引脚/封装图-中文版 | 文档 | CAD 符号,脚注和 3D模型 |
|---|---|---|---|
| HMC1042LC4 | 24-Lead LCC (4mm x 4mm w/ EP) | ||
| HMC1042LC4TR | 24-Lead LCC (4mm x 4mm w/ EP) | ||
| HMC1042LC4TR-R5 | 24-Lead LCC (4mm x 4mm w/ EP) |
| 产品型号 | 产品生命周期 | PCN |
|---|---|---|
|
3月 3, 2016 - 16_0010 Discontinuance of Select RF and Microwave Products |
||
| HMC1042LC4 | ||
| HMC1042LC4TR | ||
| HMC1042LC4TR-R5 | ||
这是最新版本的数据手册
软件资源
找不到您所需的软件或驱动?
申请驱动/软件评估套件
最新评论
需要发起讨论吗? 没有关于 HMC1042的相关讨论?是否需要发起讨论?
在EngineerZone®上发起讨论