ADH8410S

推荐用于新设计

航空航天0.01 GHz至10 GHz、GaAs、pHEMT、MMIC、低噪声放大器

产品技术资料帮助

ADI公司所提供的资料均视为准确、可靠。但本公司不为用户在应用过程中侵犯任何专利权或第三方权利承担任何责任。技术指标的修改不再另行通知。本公司既没有含蓄的允许,也不允许借用ADI公司的专利或专利权的名义。本文出现的商标和注册商标所有权分别属于相应的公司。

Viewing:

概述

  • 低噪声系数:1.1 dB(典型值)
  • 高增益:19.5 dB(典型值)
  • 高输出三阶交调截点(OIP3):33 dBm(典型值)
  • 50Ω匹配直流耦合I/O
  • 裸片尺寸0.95 mm x 0.61 mm x .102 mm

ADH8410S是一款砷化镓(GaAs)、单芯片微波集成电路(MMIC)、假晶高电子迁移率晶体管(pHEMT)、低噪声宽带放大器,工作频率范围为0.01 GHz至10 GHz。ADH8410S提供19.5 dB典型增益、1.1 dB典型噪声系数和33 dBm典型OIP3,采用5 V电源电压时功耗仅为65 mA。高达22.5 dBm的饱和输出功率(PSAT)使低噪声放大器(LNA)可用作ADI公司许多平衡、I/Q或镜像抑制混频器的本振(LO)驱动器。

ADH8410S还具有内部匹配50 Ω的输入/输出(I/O),非常适合集成到支持高可靠性RF和微波应用的多芯片模块(MCM)。

ADH8410S采用LH5封装或提供裸片。

应用

  • 空间电信
  • 软件定义无线电
  • 电子战
  • 雷达应用

ADH8410S
航空航天0.01 GHz至10 GHz、GaAs、pHEMT、MMIC、低噪声放大器
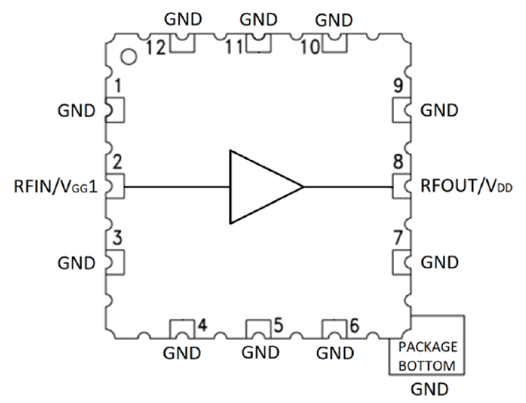
ADH8410S Functional Block Diagram
添加至 myAnalog

将产品添加到myAnalog 的现有项目或新项目中(接收通知)。

创建新项目
提问

参考资料

了解更多
添加至 myAnalog

Add media to the Resources section of myAnalog, to an existing project or to a new project.

创建新项目

软件资源

找不到您所需的软件或驱动?

申请驱动/软件

最新评论

需要发起讨论吗? 没有关于 ADH8410S的相关讨论?是否需要发起讨论?

在EngineerZone®上发起讨论

近期浏览