ADH365S

推荐用于新设计

空间SMT MMIC 4分频,DC至13 GHz

产品技术资料帮助

ADI公司所提供的资料均视为准确、可靠。但本公司不为用户在应用过程中侵犯任何专利权或第三方权利承担任何责任。技术指标的修改不再另行通知。本公司既没有含蓄的允许,也不允许借用ADI公司的专利或专利权的名义。本文出现的商标和注册商标所有权分别属于相应的公司。

Viewing:

概述

  • 超低SSB相位噪声:-153 dBc/Hz
  • 宽带宽
  • 输出功率:5 dBm
  • 单直流电源:+5V
  • 8引脚密封型SMT封装

ADH365S是低噪声的N = 4静态分频器,采用8引脚玻璃/金属表贴(密封型)封装。此器件在DC(使用方波输入)至13 GHz的输入频率下工作,使用+5V DC单电源。100 kHz偏置时的低加性SSB相位噪声为-151 dBc/Hz,有助于用户保持良好的系统噪声性能。

应用

  • 点对点/多点无线电
  • VSAT无线电
  • 光纤产品
  • 太空和军事

ADH365S
空间SMT MMIC 4分频,DC至13 GHz
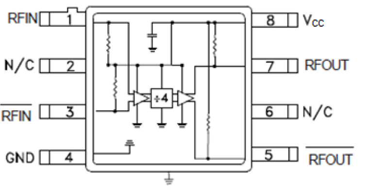
ADH365S Functional Block Diagram
添加至 myAnalog

将产品添加到myAnalog 的现有项目或新项目中(接收通知)。

创建新项目
提问

参考资料

了解更多
添加至 myAnalog

Add media to the Resources section of myAnalog, to an existing project or to a new project.

创建新项目

软件资源

找不到您所需的软件或驱动?

申请驱动/软件

最新评论

需要发起讨论吗? 没有关于 ADH365S的相关讨论?是否需要发起讨论?

在EngineerZone®上发起讨论

近期浏览