ADH244S

量产

DC至4 GHz SP4T非反射式开关

产品技术资料帮助

ADI公司所提供的资料均视为准确、可靠。但本公司不为用户在应用过程中侵犯任何专利权或第三方权利承担任何责任。技术指标的修改不再另行通知。本公司既没有含蓄的允许,也不允许借用ADI公司的专利或专利权的名义。本文出现的商标和注册商标所有权分别属于相应的公司。

Viewing:

概述

  • 低插入损耗:0.7 dB (DC – 3 GHz)
  • 非反射设计
  • 集成式2:4 TTL解码器
  • 高输入三阶交调截点:+47 dBm (0.5 – 3 GHz)
  • 针对1 dB压缩的输入功率:+ 25 dBm
  • 功率处理:+27 dBm
  • 单正电源:+5 Vdc
  • 16引脚密封型SMT封装

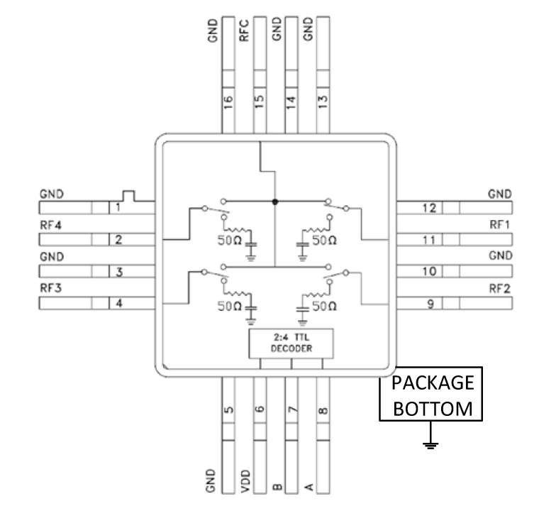
ADH244S是一款非反射式SP4T开关,提供具有S级筛选功能的16引脚玻璃/金属密封型封装。该SP4T频率范围为DC至4 GHz,提供30至~50 dB隔离和0.7 dB(典型值)至3 GHz的低插入损耗。

ADH244S集成了2:4 TTL/CMOS兼容解码器,只需2个控制线路和正电源电压(典型值:+ 5 Vdc ± 10%)即可选择每个路径。

应用

  • 航天应用
  • 军用无线电、雷达和ECM
  • 电信基础设施
  • 测试仪器仪表

ADH244S
DC至4 GHz SP4T非反射式开关
ADH244S Functional Block Diagram
添加至 myAnalog

将产品添加到myAnalog 的现有项目或新项目中(接收通知)。

创建新项目
提问

参考资料

了解更多
添加至 myAnalog

Add media to the Resources section of myAnalog, to an existing project or to a new project.

创建新项目

软件资源

找不到您所需的软件或驱动?

申请驱动/软件

最新评论

需要发起讨论吗? 没有关于 ADH244S的相关讨论?是否需要发起讨论?

在EngineerZone®上发起讨论

近期浏览