ADG3242

量产

2.5 V/3.3 V、2位、公共控制电平转换器总线开关

产品技术资料帮助

ADI公司所提供的资料均视为准确、可靠。但本公司不为用户在应用过程中侵犯任何专利权或第三方权利承担任何责任。技术指标的修改不再另行通知。本公司既没有含蓄的允许,也不允许借用ADI公司的专利或专利权的名义。本文出现的商标和注册商标所有权分别属于相应的公司。

Viewing:

概述

  • 开关传播延迟:225 ps
  • 端口之间采用4.5 Ω开关连接
  • 数据速率:1.5 Gbps
  • 2.5 V/3.3 V 电源供电
  • 可选电平转换
  • 电平转换
    - 3.3 V转2.5 V
    - 3.3 V转1.8 V
    - 2.5 V转1.8 V
  • 小信号带宽:710 MHz
  • 8引脚SOT-23封装

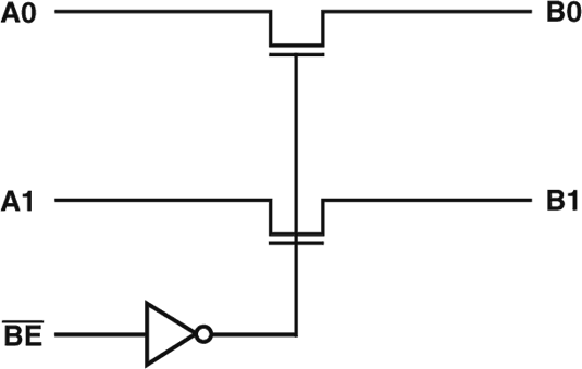
ADG3242是一款2.5 V或3.3 V、2位、2端口公共控制数字开关,采用低压CMOS工艺制造,具有低功耗、高开关速度和极低导通电阻特性。输入可以与输出相连,而且不会引起额外的传播延迟或产生额外的接地反弹噪声。

这些开关通过一个公共总线使能(BE) 输入信号使能。在接通条件下,该数字开关可以切换双向信号。在断开条件下,达到电源电压的信号电平被阻止。

这款器件非常适合要求电平转换的应用。采用3.3 V电源供电时,可以将3.3 V输入电平转换为2.5 V输出电平。类似地,如果器件采用2.5 V电源供电,并且施加2.5 V输入,则器件将转换为1.8 V输出。此外,该器件含有一个电平转换选择引脚(SEL)。当SEL 为低电平时,VCC在内部降低,允许将3.3 V输入电平转换为1.8 V输出电平。因此,该器件适合要求在不同电源之间进行电平转换的应用,如转换器与DSP或微控制器进行接口等。

ADG3242
2.5 V/3.3 V、2位、公共控制电平转换器总线开关
ADG3242 Functional Block Diagram ADG3242 Pin Configuration
添加至 myAnalog

将产品添加到myAnalog 的现有项目或新项目中(接收通知)。

创建新项目
提问

参考资料

了解更多
添加至 myAnalog

Add media to the Resources section of myAnalog, to an existing project or to a new project.

创建新项目

最新评论

需要发起讨论吗? 没有关于 ADG3242的相关讨论?是否需要发起讨论?

在EngineerZone®上发起讨论

近期浏览