High Speed Converters

高速转换器的新发展可以提高宽带设计性能,同时简化RF信号路径。

了解详情

AD9172

推荐用于新设计

具有信道选择器的双路、16 位、12.6 GSPS RF DAC

产品技术资料帮助

ADI公司所提供的资料均视为准确、可靠。但本公司不为用户在应用过程中侵犯任何专利权或第三方权利承担任何责任。技术指标的修改不再另行通知。本公司既没有含蓄的允许,也不允许借用ADI公司的专利或专利权的名义。本文出现的商标和注册商标所有权分别属于相应的公司。

Viewing:

概述

  • 支持多频段无线应用
    • 每个 RF DAC 具有 3 个可旁路复用数据输入通道
    • 每个输入通道的最大复用数据输入速率达 1.54 GSPS
    • 每个输入通道具有 1 个独立的 NCO
  • 专用的低杂散和失真设计
    • 双音互调失真 (IMD) = 1.8 GHz 时为 −83 dBc,−7 dBFS/音调 RF 输出
    • 无杂散动态范围 (SFDR) <−1.8 GHz 时为 80 dBc,−7 dBFS RF 输出
  • 灵活的 8 线、15.4 Gbps JESD204B 接口
    • 支持单频段和多频段使用案例
    • 支持 12 位高密度模式,用于增加的数据吞吐量
  • 多芯片同步
    • 支持 JESD204B 子类 1
  • 可选择内插滤波器,适用于全套数据输入速率
    • 1×、2×、3×、4×、6× 和 8× 可配置数据通道插值
    • 1×、2×、4×、6×、8× 和 12× 可配置最终插值
  • 最终的 48 位 NCO,以 DAC 速率运行,可支持高达 6 GHz 的频率合成
  • 发射使能功能可实现额外省电和下游电路保护
  • 高性能、低噪声、PLL 时钟倍频器
    • 支持 12.6 GSPS DAC 更新率
    • 具有可选分频比的观察 ADC 时钟驱动器
  • 低功耗
    • 12 GSPS 时为 2.55 W,双通道模式
  • 10 mm × 10 mm,144 球 BGA_ED 金属增强热盖,0.80 mm 间距

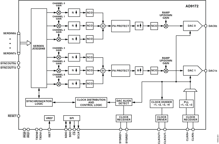
AD9172 是一款支持 12.6 GSPS 的 DAC 采样速率的高性能双通道 16 位数模转换器 (DAC)。该器件采用 8 线 15 Gbps JESD204B 数据输入端口、高性能片内 DAC 时钟倍频器和数字信号处理功能,适用于单频段和多频段直接到射频 (RF) 无线应用场合。

AD9172 的特点是每个 RF DAC 具有 3 个可旁路复用数据输入通道。每个数据输入通道包括可配置的增益级、内插滤波器和用于灵活的多频段规划的通道数控振荡器 (NCO)。该器件支持每个输入通道高达 1.5 GSPS 的复用数据速率,并能够聚合多个复用输入数据流,最大复用数据速率高达 1.5 GSPS。此外,AD9172 支持超宽带模式,绕过信道选择器以提供高达 3.08 GSPS(16 位分辨率)和 4.1 GSPS(12 位分辨率)的最大数据速率。

AD9172 采用 144 球 BGA_ED 封装。

产品亮点

  1. 支持单频段和多频段无线应用,每个 RF DAC 具有三个可旁路复用数据输入通道,最大复用数据输入速率为 1.5 GSPS。每个输入通道具有 1 个独立的 NCO。
  2. 超宽带通道旁路模式,支持高达 3 GSPS(16 位分辨率)和 4 GSPS(12 位分辨率)的数据速率。
  3. 低功耗双路转换器降低了高带宽和多通道应用所需的功耗大小。

应用

  • 无线通信基础设施
    • 多频段基站无线电
    • 微波/E 频段回程系统
  • 仪表、自动测试设备 (ATE)
  • 雷达和干扰器

AD9172
具有信道选择器的双路、16 位、12.6 GSPS RF DAC
AD9172 Functional Block Diagram AD9172 Pin Configuration
添加至 myAnalog

将产品添加到myAnalog 的现有项目或新项目中(接收通知)。

创建新项目
提问

参考资料

了解更多
添加至 myAnalog

Add media to the Resources section of myAnalog, to an existing project or to a new project.

创建新项目

软件资源


硬件生态系统

部分模型 产品周期 描述
时钟IC 2
HMC7044 推荐用于新设计 带JESD204B接口的高性能、3.2 GHz、14路输出抖动衰减器
LTC6952 最后购买期限 具有 11 个输出并支持 JESD204B / JESD204C 协议的超低抖动、4.5GHz PLL
锁相环(PLL)频率合成器 1
ADF4377 推荐用于新设计 带集成 VCO 的微波宽带频率合成器
Modal heading
添加至 myAnalog

将产品添加到myAnalog 的现有项目或新项目中(接收通知)。

创建新项目

工具及仿真模型

DAC Companion Transport Layer RTL Code Generator

These command line executable tool generates a Verilog module which implements the JESD204 transmitter transport layer. The user specifies in a configuration file one or more modes to be supported by the transport layer module. These modes are defined as a set of JESD204 parameter values: L, M, F, S, N', and CF. The transport layer converts JESD204 lane data output from a JESD204 link layer IP to a data bus with a fixed width, containing interleaved virtual converter samples. Both JESD204B and JESD204C link layers are supported.

打开工具

AD917X Remote Evaluation Tool

This tool gives users access to a live evaluation board in an Analog Devices lab, connected to a Keysight PXA spectrum analyzer and an ADS8-V1EBZ. The user is able to run tests on this remote lab bench to evaluate the AD9171/2/3 performance at any time, day or night. It is a great way to check performance of the product before and after purchase of an evaluation board, as well as to compare performance to a user-designed board.

打开工具

ADIsimPLL™

ADIsimPLL可以对ADI公司最新的高性能PLL产品进行快速、可靠的评估。它是目前最全面的PLL频率合成器设计和仿真工具,可实现所有对PLL性能有显著影响的重要非线性效应仿真。ADIsimPLL可以免去设计过程中的至少一项重复劳动,从而加快上市速度。

打开工具

S-参数 1

IBIS 模型 1

LTspice

LTspice®是一款强大高效的免费仿真软件、原理图采集和波形观测器,为改善模拟电路的仿真提供增强功能和模型。


评估套件

eval board
ADS8-V1EBZ

ADS8-V1 评估板

特性和优点

  • Xilinx Kintex Ultrascale XCKU040-3FFVA1156E FPGA
  • (1)FMC+连接器。
  • (1)FMC+连接器支持的二十(20)16Gbps收发器。
  • DDR4 SDRAM
  • 简单的USB 3.0端口接口。

产品详情

连接到指定的 ADI 高速 ADC 评估板时,ADS8-V1 可用作数据采集板。ADS8-V1 上的 FPGA 设计用于支持最高速 JESD204B 模数转换器,可充当数据接收器,同时 ADC 为数据发射器。

eval board
EVAL-AD917x

AD917x评估板

产品详情

AD9171AD9172AD9173评估板均为配备FMC连接器的小尺寸FMC板,符合Vita 57.1标准。这些FMC板还使用Mini-Circuits公司的DAC输出巴伦。

若要使用该评估板,用户必须将评估板连接到由FPGA供应商提供的FMC兼容载波板。ADI公司生产的FPGA载波板称为ADS7-V2,可用作数字模式发生器或数据源以及板电源。用于仅NCO的特殊模式时,AD917x板可由实验室电源供电。详细操作说明参见wiki知识库上的用户指南部分。用户必须能够观察到频谱分析仪上的DAC输出。评估板上提供低噪声时钟源HMC7044时钟频率合成器,用户可以提供低抖动外部正弦波或方波时钟选项作为时钟源。评估板附带称为ACE的软件,允许用户对SPI端口进行编程。通过SPI端口,DUT(和时钟电路)可被编程为其多种工作模式中的任意一种。使用ADS7-V2时,它还附带DAC软件套件,包括用于矢量生成、下载和传输至该评估板的DPGDownloader

ADS8-V1EBZ
ADS8-V1 评估板
ADS8-V1EBZANGLE-web ADS8-V1EBZBOTTOM-web ADS8-V1 Evaluation Board (top)
EVAL-AD917x
AD917x评估板
AD9172-FMC-EBZTOP

最新评论

需要发起讨论吗? 没有关于 AD9172的相关讨论?是否需要发起讨论?

在EngineerZone®上发起讨论

近期浏览