AD53509G
量产单芯片、高性能驱动器/比较器有源负载
- 产品模型
- 1
概述
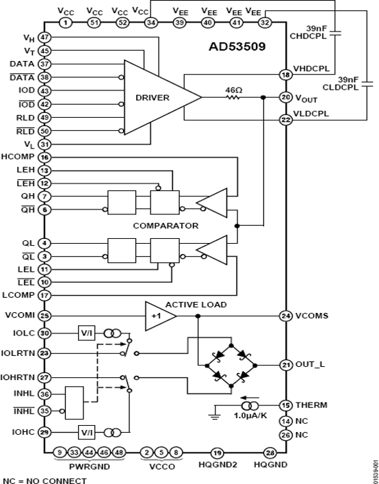
AD53509是一款单芯片器件,用于在ATE VLSI和存储器测试仪中执行驱动器、比较器和有源负载的引脚电子功能。此外,它还内置一个用于有源负载的肖特基二极管桥和一个VCOM缓冲器。
驱动器采用专有设计,提供三种有源状态:数据高电平状态、数据低电平状态和期限状态,以及一种抑制状态。输出电压范围为−2 V至+7 V,支持多种测试设备。整个信号范围内的输出漏电流典型值小于250 nA。
双通道比较器的输入范围与驱动器输出范围相同,内置锁存器并提供ECL兼容型输出。输出能够驱动端接到−2 V电压的50 Ω信号线路。信号跟踪能力大于>5 V/ns。
有源负载可以用来提供最高40 mA的负载电流,整个设置范围内的线性度误差小于10 μA。IOH、IOL和缓冲VCOM均可独立调整。片上肖特基二极管具有高速开关和低电容特性。
片内还集成温度传感器,其作用是指示DCL的表面温度。可以利用此信息来测量θJC和θJA,或者在失去正常冷却功能时提示报警。传感器输出是一个与绝对温度成比例的吸电流。增益被调整到1.0 μA/K的标称值。例如,可以利用一个连接在10 V电压与THERM引脚之间的10 kΩ电阻来检测输出电流。该电阻上的压降为:
10 K × 1 μA/K = 10 mV/K = 2.98 V(室温时)
应用
数据手册,Rev. B,3/08
参考资料
ADI 始终高度重视提供符合最高质量和可靠性水平的产品。我们通过将质量和可靠性检查纳入产品和工艺设计的各个范围以及制造过程来实现这一目标。出货产品的“零缺陷”始终是我们的目标。查看我们的质量和可靠性计划和认证以了解更多信息。
产品型号 | 引脚/封装图-中文版 | 文档 | CAD 符号,脚注和 3D模型 |
---|---|---|---|
AD53509JSWZ | 52-Lead LQFP_EP (14mm x 14mm x 1.4mm) |
产品型号 | 产品生命周期 | PCN |
---|---|---|
3月 15, 2016 - 14_0258 Assembly Transfer of Selected 14x14 LQFP, 14x14 LQFP_EP and 7x7,10x10,12x12,14x14 TQFP_EP Products to Amkor Philippines |
||
AD53509JSWZ | 最后购买期限 | |
6月 16, 2009 - 09_0027 Conversion to Laser Mark for the LQFP Packages (Single Grades) |
||
AD53509JSWZ | 最后购买期限 | |
8月 22, 2024 - 24_0068 Discontinuance of AD53509G |
||
AD53509JSWZ | 最后购买期限 |
这是最新版本的数据手册
最新评论
需要发起讨论吗? 没有关于 AD53509G的相关讨论?是否需要发起讨论?
在EngineerZone®上发起讨论