MAX22211

推荐用于新设计

用于两个有刷或单个步进电机驱动器的 36V、3.8A 双 H 桥

产品技术资料帮助

ADI公司所提供的资料均视为准确、可靠。但本公司不为用户在应用过程中侵犯任何专利权或第三方权利承担任何责任。技术指标的修改不再另行通知。本公司既没有含蓄的允许,也不允许借用ADI公司的专利或专利权的名义。本文出现的商标和注册商标所有权分别属于相应的公司。

Viewing:

概述

  • 两个 H 桥,最大工作电压为 +36V
    • 总 RON(高侧 + 低侧):250mΩ(典型值)(TA = 25°C)
  • 每个 H 桥的电流额定值(TA = 25°C 时的典型值)
    • ITRIP_MAX = 3.8A(内部电流驱动调节的最大电流设置)
    • IRMS = 2ARMS(每个全桥推荐的最大 RMS 电流)
  • 集成电流驱动调节
    • ICS 无需使用体积较大的外部电阻,提高了效率
    • 电流驱动调节监控输出引脚(CDRA、CDRB)
    • 支持四种衰减模式(缓慢衰减、快速衰减和两种混合衰减模式)
    • 半满量程 (HFS) 引脚可在低电流范围内提高电流控制精度
  • 电流检测输出(电流监控器)
  • 故障指示器引脚 (FAULT)
  • 低功耗模式(睡眠模式)
  • 保护功能
    • 为每个单独通道提供 OCP
    • UVLO
    • TSD TJ = 165°C
  • TQFN32 5mm x 5mm 封装和 TSSOP28 4.4mm x 9.7mm 封装

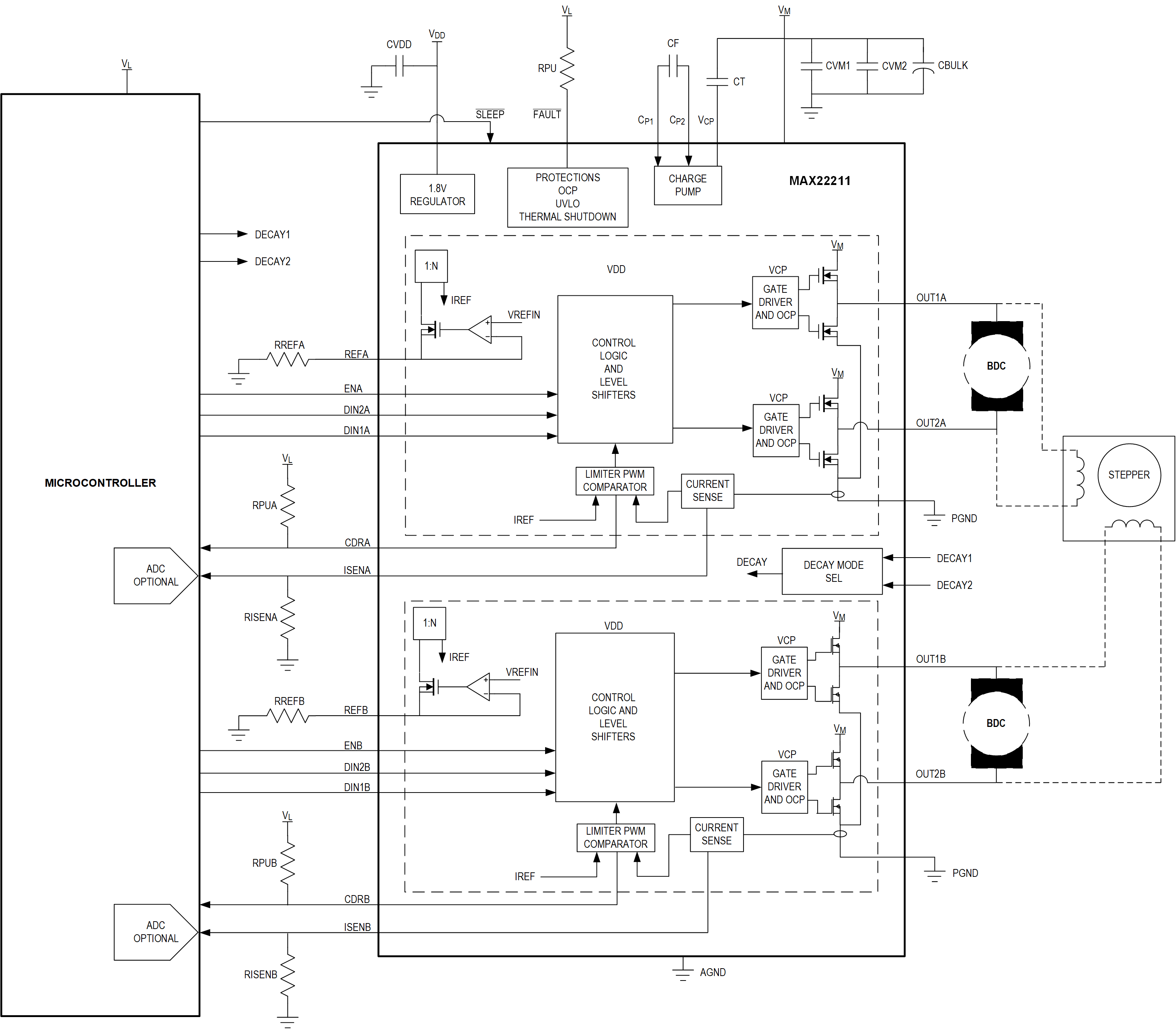
MAX22211 是一款双通道 36V、3.8A MAX H 桥。它可用于驱动两个有刷直流电机或单个步进电机。H 桥 FET 具有非常低的阻抗,因此,驱动效率较高且散热很少。总 RON(高侧 + 低侧)的典型值为 0.25Ω。每个 H 桥可使用三个逻辑输入(DIN1、DIN2、EN)单独进行脉宽调制 (PWM) 控制。

MAX22211 具有精确的电流驱动调节 (CDR) 功能,可用于限制有刷直流电机的启动电流或控制步进操作的相电流。电桥输出电流由无损耗式集成电流检测 (ICS) 套件进行检测,然后与用户可配置的阈值 (ITRIP) 进行比较。当电桥电流超过 ITRIP 阈值时,套件就会强制衰减,并保持一段固定的关断时间 (tOFF)。支持四种不同的衰减模式(缓慢衰减、快速衰减和两种混合衰减模式)。此功能通常需要使用体积较大的外部功率电阻,而无损耗式 ICS 免除了这一麻烦,与使用外部检测电阻的主流应用相比,可显著节省空间和功耗。

两个全桥内部测量的电流在引脚 ISENA 和 ISENB 上发生镜像。将外部电阻连接到这些引脚,再连接到 GND,即可产生与电机电流成比例的电压。如果运动控制算法需要负载电流或扭矩信息,则这些外部电阻上的电压可用作连接到外部电机控制器模数转换器 (ADC) 的输入端。

此外,每次内部电流调节控制驱动器时,两个开漏输出引脚(CDRA、CDRB)均会置位。这样,外部控制器就可以监控内部电流环路的活动。

最大用户可配置的电流调节阈值 (ITRIP_MAX) 可设置为高达 3.8A 且通过过流保护 (OCP) 进行限制。通过将外部电阻从引脚 REFA 和 REFB 连接到 GND,可为两个全桥独立设置 ITRIP 电流阈值。出于散热考虑,标准四层 PCB 的推荐最大 RMS 电流为每个 H 桥 2ARMS

MAX22211 具有 OCP、热关断 (TSD) 和欠压锁定 (UVLO) 保护功能。每次检测到故障条件时,都会激活一个开漏低电平有效 FAULT 引脚。在 TSD 和 UVLO 事件中,驱动器为三态直至恢复正常操作。

应用

  • 步进电机驱动器
  • 直流有刷电机驱动器
  • 电磁阀驱动器
  • 锁存阀

MAX22211
用于两个有刷或单个步进电机驱动器的 36V、3.8A 双 H 桥
MAX22211 Typical Application Circuit MAX22211 TQFN Pin Configuration MAX22211 TSSOP Pin Configuration
添加至 myAnalog

将产品添加到myAnalog 的现有项目或新项目中(接收通知)。

创建新项目
提问

参考资料

了解更多
添加至 myAnalog

Add media to the Resources section of myAnalog, to an existing project or to a new project.

创建新项目

软件资源

找不到您所需的软件或驱动?

申请驱动/软件

评估套件

eval board
MAX22211EVKIT

MAX22211 评估套件

特性和优点

  • 轻松评估 MAX22211
  • 可配置电流驱动调节
  • 通过板载 +3.3V 稳压器驱动 MAX22211 逻辑输入
  • 提供与 MAX22211 逻辑输入和电流检测输出连接的测试点和接头
  • 全面装配且经过测试
  • 经过验证的 PCB 布局

产品详情

MAX22211 评估套件(EV 套件)设计可靠,用于评估 +36V、3.8A 双 H 桥电机驱动器 MAX22211。MAX22211 可驱动两个有刷直流电机或单个步进电机。MAX22211 IC 在双 H 桥配置中集成了超低阻抗 FET,典型 RON(高侧 + 低侧)为 0.25Ω。该 EV 套件具有接头、测试点和端子板,以提供与 MAX22211 电机驱动器连接的接口。MAX22211 的集成电流检测输出 ISENA 和 ISENB 可以使用测试点进行监控,也可以使用接头 J4 连接到外部 ADC。MAX22211 具有嵌入式电流驱动调节 (CDR) 功能,提供了可调斩波电流 (ITRIP)。MAX22211 EV 套件采用 +4.5V 至 +36V (VM) 的输入电压工作。板载 +3.3V 稳压器 U2 (MAX6765TTSD2+) 提供 +3.3V 稳压输出,用于驱动 MAX22211 逻辑输入。配有端子板 J1 和 J6,为高电压、高电流 VM 输入和电机驱动器输出 OUT_A 和 OUT_B 提供接口。

MAX22211EVKIT
MAX22211 评估套件
MAX22211EVKIT Board Photo Angle MAX22211EVKIT Board Photo Top MAX22211EVKIT Board Photo Bottom

最新评论

需要发起讨论吗? 没有关于 MAX22211的相关讨论?是否需要发起讨论?

在EngineerZone®上发起讨论

近期浏览