Quantic X-Microwave

ADI RF和微波元件作为Quantic X-Microwave的插入式X-MWblocks®提供。

获取此器件的X-MWblock®插入式模块。

HMC960

最后购买期限

集成驱动器的DC - 100 MHz双通道数字可变增益放大器,采用SMT封装

产品技术资料帮助

ADI公司所提供的资料均视为准确、可靠。但本公司不为用户在应用过程中侵犯任何专利权或第三方权利承担任何责任。技术指标的修改不再另行通知。本公司既没有含蓄的允许,也不允许借用ADI公司的专利或专利权的名义。本文出现的商标和注册商标所有权分别属于相应的公司。

Viewing:

概述

  • 低噪声: 6 dB NF
  • 高线性度: 输出IP3 +30 dBm
  • 可变增益: 0至40 dB
  • 高带宽: DC至100 MHz
  • 精确增益精度:
    0.5 dB增益步进
  • 出色的幅度和相位响应
  • 外部控制共模输出电平
  • 并行或串行增益控制
  • 读/写串行端口接口(SPI)
  • 24引脚4x4 mm SMT封装16 mm²
  • 可编程输入阻抗(400Ω差分或100Ω差分)

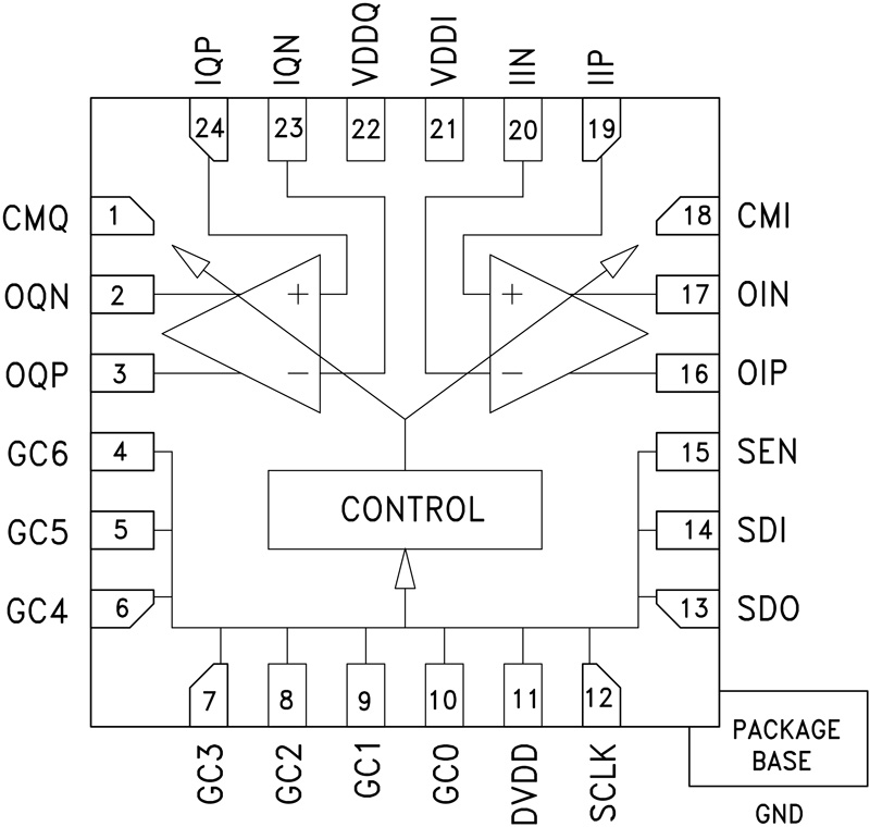
HMC960LP4E是一款数字可编程双通道可变增益放大器。 该器件支持0到40 dB分立式增益步进,步长为精确的0.5 dB。 该器件采用无毛刺架构,具有出色的平滑增益跃迁性能。 器件的匹配增益路径提供宽信号带宽内出色的正交平衡。

HMC960LP4E提供SPI可编程输入阻抗(默认为100Ω差分或400Ω差分)。

HMC960LP4E的外部控制共模输出特性使其具有灵活的输出接口,能与信号路径上的其他器件对接。 通过并行接口(GC[6:0])或读/写串行端口(SPI),可控制增益。

HMC960LP4E采用紧凑型4x4mm (LP4) SMT QFN封装,只需极少的外部元件,为更复杂的开关放大器架构提供了一种低成本替代解决方案。

应用

  • 基带I/Q收发机
  • 直接变频和低中频收发机
  • 分集接收机
  • ADC驱动器
  • 自适应增益控制

HMC960
集成驱动器的DC - 100 MHz双通道数字可变增益放大器,采用SMT封装
hmc960_fbl
添加至 myAnalog

将产品添加到myAnalog 的现有项目或新项目中(接收通知)。

创建新项目
提问

参考资料

数据手册 1

了解更多
添加至 myAnalog

Add media to the Resources section of myAnalog, to an existing project or to a new project.

创建新项目

软件资源

找不到您所需的软件或驱动?

申请驱动/软件

工具及仿真模型

ADIsimRF

ADIsimRF是一款简单易用的RF信号链计算工具。可以计算和导出多达50级的信号链级联增益、噪声、失真和功耗并绘制其曲线。ADIsimRF还包括丰富的ADI射频和混合信号元件的器件模型数据库。

打开工具

评估套件

EVAL-HMC960LP4E
HMC960LP4E评估板

最新评论

近期浏览