在 ADI 中国在线商城下单采购需要注意哪些事项呢?
从 myAnalog 注册到产品加购、在线快捷支付,本视频手把手带您沉浸式体验 ADI 中国在线商城购物的采购流程。
HMC540
过期
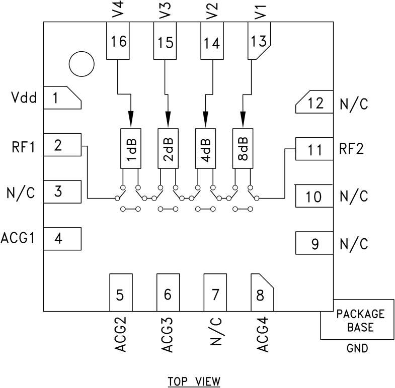
1dB LSB 4位数字衰减器,采用SMT封装,DC - 5.5 GHz
- 产品模型
- 3
概述
- 1 dB LSB步进至15 dB
- 步长误差:±0.2 dB(典型值)
- 低插入损耗: 1 dB
- 高IP3: +50 dBm
- 每位单个控制线路
- TTL/CMOS兼容控制
- +5V单电源
- 3x3 mm SMT封装
HMC540LP3(E)是一款宽带4位GaAs IC数字衰减器,采用低成本无引脚表贴封装。 这款每位单个正电压控制线路的数字衰减器采用片外AC接地电容器,在接近直流的情况下工作,这一特点使得它非常适合各种RF和IF应用。 工作频率范围DC到5.5 GHz,插入损耗低于1 dB典型值。 对于15 dB的总衰减,衰减器位值为1 (LSB)、2、4和8 dB。 它具有出色的衰减精度,典型步长误差为± 0.2 dB。 衰减器还具有+50 dBm IP3。 四位TTL/CMOS控制输入用于选择各衰减状态。 需+5V Vdd单偏置。
应用
- 蜂窝基础设施
- ISM, MMDS, WLAN, WiMAX, WiBro
- 微波无线电和VSAT
- 测试设备和传感器
推荐替代产品
1 dB LSB 硅芯片 MMIC 4位数字正电压控制衰减器,0.1 - 8 GHz
参考资料
停产数据手册 1
质量文档 4
磁带和卷轴规格 1
ADI 始终高度重视提供符合最高质量和可靠性水平的产品。我们通过将质量和可靠性检查纳入产品和工艺设计的各个范围以及制造过程来实现这一目标。出货产品的“零缺陷”始终是我们的目标。查看我们的质量和可靠性计划和认证以了解更多信息。
| 产品型号 | 引脚/封装图-中文版 | 文档 | CAD 符号,脚注和 3D模型 |
|---|---|---|---|
| HMC540LP3 | 16-Lead QFN (3mm x 3mm w/ EP) | ||
| HMC540LP3E | 16-Lead QFN (3mm x 3mm w/ EP) | ||
| HMC540LP3ETR | 16-Lead QFN (3mm x 3mm w/ EP) |
| 产品型号 | 产品生命周期 | PCN |
|---|---|---|
|
12月 14, 2015 - 15_0026 Discontinuance of Select Hittite Microwave Products (HMC) from Analog Devices |
||
| HMC540LP3 | 过期 | |
| HMC540LP3E | 过期 | |
| HMC540LP3ETR | 过期 | |
这是最新版本的数据手册
软件资源
找不到您所需的软件或驱动?
申请驱动/软件工具及仿真模型
S-参数 1
评估套件
最新评论
需要发起讨论吗? 没有关于 HMC540的相关讨论?是否需要发起讨论?
在EngineerZone®上发起讨论