Quantic X-Microwave

Analog Devices' RF and microwave components are now also available as X-MWblock® drop-in evaluation modules from X-Microwave.

Get the X-MWblock® drop-in module for this part.

HMC451LC3

量产

中等功率放大器,采用SMT封装,5 - 20 GHz

产品技术资料帮助

ADI公司所提供的资料均视为准确、可靠。但本公司不为用户在应用过程中侵犯任何专利权或第三方权利承担任何责任。技术指标的修改不再另行通知。本公司既没有含蓄的允许,也不允许借用ADI公司的专利或专利权的名义。本文出现的商标和注册商标所有权分别属于相应的公司。

Viewing:

概述

  • 增益: 19 dB
  • 饱和功率: +21 dBm (21% PAE)
  • 输出IP3: +30 dBm
  • 单电源: +5V (114 mA)
  • 50 Ω匹配输入/输出
  • 符合RoHS标准的3x3 mm SMT封装

HMC451LC3是一款高效GaAs PHEMT MMIC中等功率放大器,采用符合RoHS标准的无引脚SMT封装。 该放大器具有5至20 GHz的工作范围,提供19 dB增益、+21 dBm饱和功率和21% PAE(+5.0V单电源)。 50 Ω匹配放大器无需任何外部元件,且RF I/O经过隔直,非常适合用作线性增益模块或HMC SMT混频器驱动器。 HMC451LC3可以使用表贴制造技术。

应用

  • 微波无线电和VSAT
  • 军事和太空
  • 测试设备和传感器
  • 光纤产品
  • HMC混频器LO驱动器

HMC451LC3

中等功率放大器,采用SMT封装,5 - 20 GHz

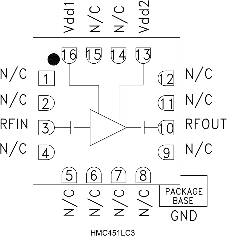
HMC451LC3 Functional Block Diagram
添加至 myAnalog

将产品添加到myAnalog 的现有项目或新项目中(接收通知)。

创建新项目
提问

参考资料

了解更多
添加至 myAnalog

Add media to the Resources section of myAnalog, to an existing project or to a new project.

创建新项目

软件资源

找不到您所需的软件或驱动?

申请驱动/软件

工具及仿真模型

ADIsimRF

ADIsimRF是一款简单易用的RF信号链计算工具。可以计算和导出多达50级的信号链级联增益、噪声、失真和功耗并绘制其曲线。ADIsimRF还包括丰富的ADI射频和混合信号元件的器件模型数据库。

打开工具

S-参数 1

Sys-Parameter Models for Keysight Genesys

Sys-Parameter models contain behavioral parameters, such as P1dB, IP3, gain, noise figure and return loss, which describe nonlinear and linear characteristics of a device.

打开工具

评估套件

EVAL-HMC451LC3
HMC451LC3 评估板

最新评论

需要发起讨论吗? 没有关于 HMC451LC3的相关讨论?是否需要发起讨论?

在EngineerZone®上发起讨论

近期浏览