概要
設計リソース
設計/統合ファイル
• Schematic• Bill of Materials
• Gerber Files
• Layout Files (PADS)
• Assembly Drawing 設計ファイルのダウンロード 1.37 M
評価用ボード
型番に"Z"が付いているものは、RoHS対応製品です。 本回路の評価には以下の評価用ボードが必要です。
- EVAL-CN0373-EB1Z ($61.53) EVAL-CN0373-EB1Z
機能と利点
- 絶縁型USBから絶縁型RS-485/RS-232へのインターフェース
- スモール・フットプリント
- ロバスト性に優れたインターフェース
製品カテゴリ
マーケット & テクノロジー
使用されている製品
参考資料
-
CN-0373: 絶縁型USBと絶縁型RS-485/絶縁型RS-232のインターフェース2017/03/23PDF481 K
回路機能とその特長
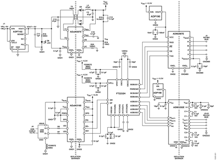
図1に示す回路は、一般的なUSBバスとRS-485またはRS-232バスの完全に絶縁された接続を示したものです。信号絶縁と電源絶縁の両方を行うことでUSBデバイスと工業用バスやデバッグポートとのインターフェースの安全を確保でき、TIA/EIA-485/232バス・トラフィックのモニタリングや、RS-485ポートやRS-232ポートを持たないPCとのコマンドの送受信が可能になります。
この回路の絶縁は、線路サージに対する保護を実現することによってシステムの安全性とロバスト性を向上させ、バスとデジタル・ピンのグラウンド接続を遮断することによって、システム内にグラウンド・ループが生じる可能性をなくします。
TIA/EIA RS-485バス規格は、工業用および計測用アプリケーションで最も広範囲に採用されている物理層バス・デザインの1つです。RS-485は複数システム間での差動データ伝送を行い、非常に長い距離の伝送に多用されます。RS-485による通信は差動通信なので、RS-232規格よりもロバスト性が向上します。
TIA/EIA RS-232デバイスは、工業用機械、ネットワーク機器、科学計測装置に広く使われています。現代のパーソナル・コンピュータはネットワークに関する問題のデバッグに使われることも多く、ペリフェラル・インターフェースとしての役割は、そのほとんどがRS-232に代えてUSBが使われるようになっており、多くのコンピュータにはRS-232ポートがありません。図1に示す回路は、RS-232とRS-485両方のインターフェース用に、ロバスト性に優れたコンパクトなソリューションを提供します。

(簡略回路図、一部の接続は省略されています)
回路説明
図1は、TIA/EIA-485/232完全準拠のトランシーバの高集積絶縁回路で、高いロバスト性を備えています。ADM3252E 2.5 kV rms絶縁型RS-232と、ADM2587E 2.5 kV rms絶縁型RS-485は、業界最小のソリューションです。ADuM3160 は市場をリードする2.5kV rmsのUSBポートの絶縁を実現し、低速および最高速のUSB互換ペリフェラル・デバイスとともに簡単に組み込むことができます。FTDI FT2232H(USBからUARTへのコンバータ)は、UART経由でのRS-485またはRS-232バスポートへの送信を容易にします。TIA/EIA RS-232デバイスは、工業用機械、ネットワーク機器、科学計測装置に広く使われています。RS-485のアプリケーションとしては、プロセス制御ネットワーク、産業オートメーション、リモート端末、ビル・オートメーション(暖房、換気、空調(HVAC)、セキュリティ・システムなど)、モーター・コントロール、モーション・コントロールなどがあります。
これら実際のシステムでは、落雷や電源変動によって大きな過渡電圧が生じて、通信ポートを損傷させる恐れがあります。図1に示す回路の絶縁は、これらの線路サージに対する保護を提供することによって、システムの安全性を向上させます。

図2は、絶縁型USBとFTDI絶縁型RS-232/絶縁型RS-485を接続する回路です。送信は、必要な場合にUSBポートからRS-485ポートとRS-232ポートの両方に対して同時に行うか、または1つのポートだけに行うことができます。
ADuM3160は、FTDI FT2232H(USBからUARTへのコンバータ)へのD+およびD-のUSBバス入力に、データ信号の2.5kV rmsデジタル絶縁を提供します。絶縁型USB出力のDD-信号とDD+信号は、それぞれFTDIのDMピンとDPピンに接続します。FTDI FT2232Hは、どのPCの仮想COMポート(VCP)が選択されたかに応じて、UART経由でRS-232/RS-485にデータを送ることができます。ADuM3160のVBUS1電源は、USBケーブル接続を介して供給されます。ADuM3070は安定化された絶縁型電源を提供します。ADuM3070の電源(+6V)とグラウンドは、J1バレル・ソケット・コネクタを介して接続されます。ADuM3160のVBUS2ピンには、ADuM3070により3.3V絶縁電源が供給されます。ADuM3070の3.3V出力は、ADM3252E 2.5 kV rms絶縁型RS-232と、ADM2587E 2.5 kV rms絶縁型RS-485トランシーバの1次側電源も供給します。
ADM2587E 2.5kV rms絶縁型RS-485トランシーバは、業界をリードする信号および電源絶縁ソリューションです。このトランシーバは3.3Vまたは5Vで動作させることができます。データはTxDピンから送信され、RxDピンで受信されます。ドライバ出力とレシーバ出力は、ともにイネーブルまたはディスエーブルできます。つまり、それぞれDEピンとREピンのロジック・レベルを変更することにより、高インピーダンス状態にします。
FTDI出力ピンBDBUS0は、ADM2587EのTxDデータ入力ピンに接続します。FTDI出力ピンBCBUS0、PWREN#、BDBUS1は、それぞれADM2587EのDE、RE、RxD入力ピンに接続します。DEピンとREピンの状態は、ジャンパLK1とLK2で設定することもできます。リンクごとに、Position Aはロジック・ピンを3.3Vへ、Position Bはロジック・ピンをGNDへ、Position Cはロジック・ピンをFTDI出力ピンに接続します。
ADM2587Eは、A、B、Y、ZのRS-485入出力を介してバス・データを送受信することができます。RS-485バス・ケーブルは、5線のJ2コネクタ経由で接続できます。ジャンパLK5とLK6の接続を外すとADM2587Eは全二重構成になり、 この状態ではYピンとZピン経由でデータを送信し、AピンとBピン経由で受信することができます。ジャンパLK5とLK6を接続すると、ADM2587Eの入出力は半二重構成になります。つまり、バス・データは送信も受信もできますが、同時に行うことはできません。
ADM3252Eは、高速、2.5kV完全絶縁のデュアル・チャンネルRS-232/V.28トランシーバ・デバイスで、3.3Vまたは5Vの単電源電圧で動作します。RS-232インターフェースは全二重通信をサポートしており、5線のJ5コネクタまたはJ3コネクタ経由で、ハードウェア・ハンドシェイキング用にCTSとRTSを提供します。J3は、工業用機器への接続用のRS-232ケーブル・コネクタです。
ADM3252Eトランスミッタの入力(TINx)には、FTDIのADBUS0およびADBUS2出力ピンのTTL/CMOS入力レベルを加えることができます。TINx入力は反転されて絶縁バリアをまたいで結合され、EIA/TIA-232Eバス信号としてJ3またはJ5コネクタ経由で送信されます。ADM3252Eレシーバ入力(RINx)には J3またはJ5コネクタからのEIA/TIA-232E信号レベルを加えることができます。RINx入力は反転されて絶縁バリアをまたいで結合され、ROUTxピンに出力されます。ROUTxピンは、FTDIへのADBUS1およびADBUS3入力に接続します。
2つのADP190回路がソフトスタート回路として使われており、FTDI FT2232Hの起動が完全に終了した後で、ADM2587EとADM3252Eに電源を供給します。ジャンパLK7は、FTDI FT2232H PWREN#ピンを、74AHC1G14W5-7インバータ経由でADP190回路のENピンにリンクします。電源スイッチをオンにするにはADP190のENピンをハイに、オフにするにはローにする必要があります。LK7をPosition Aにする(Position Bの接続を解除する)というのは、ADP190のENピンが常にハイ(イネーブル)になることを意味します。LK7をPosition Bにする(Position Aの接続を解除する)というのは、反転PWREN#信号によってADP190のENピンがトリガされることを意味します。
FTDI FT2232Hのデータシートには、RS-232通信のすべてのピン機能のリストが記載されています。ジャンパLK3とLK4は、RS-232のハンドシェイキング・オプションに使用します。LK3を接続するとADBUS4(DTR#)がADBUS5(DSR#)に接続され、LK4を接続するとADBUS4(DTR#)がADBUS6(DCD#)に接続されます。
回路の評価とテスト
J1バレル・ソケット・コネクタに6Vの電圧をかけると、EVAL-CN0373-EB1Zボードの電源が入ります。電圧は、ADP7102レギュレータの出力にあるVCC_REGテスト・ポイントでチェックできます。ADP7102の出力電圧は5Vとする必要があります。この5V電圧はADuM3070とT2トランスに加えられ、その3.3V出力が、RS-485、RS-232、およびFTDI回路の電源となります。ISO_VCCテスト・ポイントの値が3.3Vであることを確認してください。
送受信パス全体のテストは、RS-232およびRS-485出力を、アナログ・デバイセズのezLINX™ iCoupler®絶縁インターフェース開発環境ボードに接続することによって行えます。あるいは、Tera Termオープンソース・ターミナル・エミュレータ・プログラムを使用することにより、USBからRS-232/RS-485への送信テストを行うことができます。必要に応じて、USBポートからRS-485/RS-232ポートの両方に同時に送信することも、1つのポートだけに送信することも可能です。
まず、ラップトップ/PCからJ4コネクタにUSBケーブルを接続します。図3に示すように、ADM3252Eトランシーバの隣にあるISOTxDテスト・ポイントにオシロスコープのプローブを取り付けてください。次に、図4に示すように、PCアプリケーション・ソフトウェアを開いてCOM5を選択し、OKをクリックします。
さらに、Fileメニューの下のSendをクリックして、送信するRS-232データをロードします。図5に示すように、連続テスト送信用にデータ・サイズの大きい任意のファイルを選び、Sendをクリックしてください。


USB送信を行うためのTera Term COM5

USB送信を行うためのTera Term COM5データ
EVAL-CN0373-EB1ZボードのISOTxDテスト・ポイントにプローブを取り付け、オシロスコープ上で絶縁されたRS-232信号を観察します(図6参照)。

ADM2587Eトランシーバにも同じテストを行うことができます。まず、ラップトップ/PCからJ4コネクタにUSBケーブルを接続し、図3に示すように、ADM2587Eトランシーバの隣にあるYおよびZテスト・ポイントに、オシロスコープのプローブを取り付けます。次に、図7に示すように、2つめのTera Termエミュレータ・ウィンドウを開き、RS-485送信用にCOM6を選択します。

Fileメニューの下のSendをクリックして、送信するRS-485データをロードします。図8に示すように、連続テスト送信用にデータ・サイズの大きい任意のファイルを選び、Sendをクリックしてください。

USB送信を行うためのTera Term COM6データ
YおよびZテスト・ポイントにプローブを接続して絶縁されたRS-485信号をオシロスコープ上で観察するか、図9に示すように、オシロスコープのY-Z演算機能を使用して差動バス信号を観察します。

部品表、回路図、組立図、PCBレイアウト・データなどを完備した設計サポート・パッケージをhttp://www.analog.com/CN0373-DesignSupportよりダウンロードしてお使いいただけます。
