概要
設計リソース
設計/統合ファイル
- Schematic
- Bill of Materials
- Gerber Files
- Allegro Files
- Assembly Drawing
評価用ボード
型番に"Z"が付いているものは、RoHS対応製品です。 本回路の評価には以下の評価用ボードが必要です。
- AD9122-M5375-EBZ ($582.62) Circuit Evaluation board designed to evaluate CN0205.
デバイス・ドライバ
コンポーネントのデジタル・インターフェースとを介して通信するために使用されるCコードやFPGAコードなどのソフトウェアです。
機能と利点
- ハイスピード DAC と I/Q 変調器インターフェース
- 要ゼロIF周波数
- デュアル DAC がレベルシフトするための共通のバイアスを提供
製品カテゴリ
マーケット & テクノロジー
使用されている製品
参考資料
-
CN-0205: I/Q 変調器 ADL5375 とデュアル・チャンネル 1.2GSPS 高速 DAC AD9122 間の インターフェース2012/06/13PDF556 kB
回路機能とその特長
この回路は、デュアル高速TxDAC D/AコンバータAD9122と広帯域I/Q変調器ADL5375-05間のシンプルで応用の広いインターフェース方法を提供します。DACの出力とI/Q変調器ADL5375-05の入力は0.5Vのバイアス・レベルを共用しているので、アクティブやパッシブのレベル・シフト回路は不要です。インターフェースはDC結合されているので、DACによってI/Q変調器のローカル発振器(LO)のリーク補償を行うことができます。
AD9122 DACの1.2GSPSのサンプリング・レートとADL5375-05変調器のI入力とQ入力の広い帯域幅により、ゼロIF(ZIF)アーキテクチャと複素IF(CIF)アーキテクチャのどちらもサポートできます。ナイキスト・イメージのフィルタ処理に加えて、ベースバンド・フィルタはDACの差動と同相の両方のスプリアスに対する優れた除去性能を提供します。
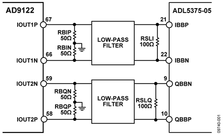
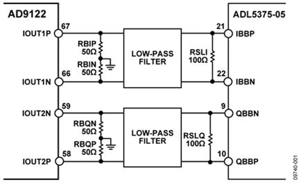
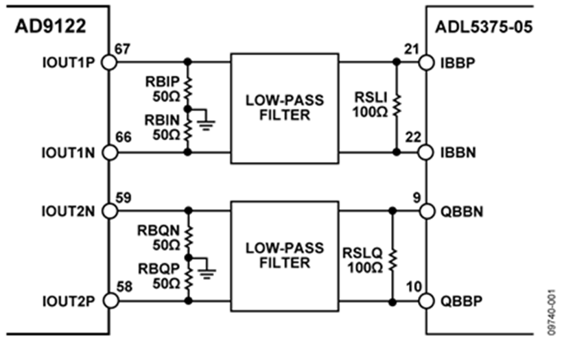
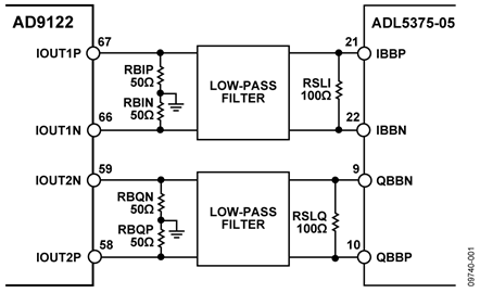
回路説明
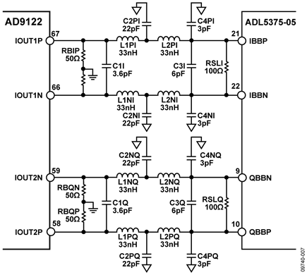
図1に示す回路と図2に示すボードでは、AD9122 TxDACとADL5375-05 広帯域送信変調器を使用しています。インターフェース回路での信号のバイアスとスケーリングは、それぞれ4本のグラウンド基準抵抗(RBIP、RBIN、RBQP、RBQN)と2本のシャント抵抗(RSLI、RSLQ)によって制御されます。


DACのフルスケール出力電流(IFS)は10mA~30mAに設定可能です。公称値およびデフォルト値は20mAです。この構成では、DAC出力は4本のグラウンド基準の50Ω抵抗(RB = RBIP = RBIN = RBQP = RBQN)のそれぞれに0mA~20mAを流します。これにより、各出力ペア(無負荷)に500mVのDCバイアス・レベルと2Vp-pのフルスケール振幅差動電圧が生じます。この2Vp-pの電圧振幅は500mVのバイアス・レベルに影響を与えることなく、シャント抵抗RL(RL = RSLI = RSLQ)によって調整することができます。I/Q変調器の入力に生じるピークtoピークの差動振幅は次式で与えられます。

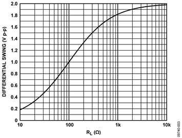
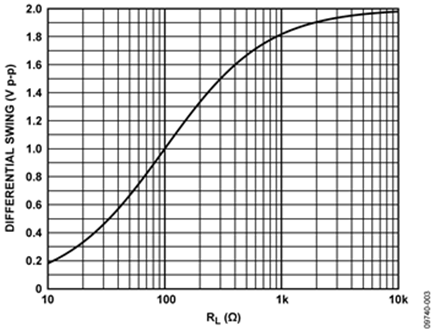
この信号レベルを計算する際、ADL5375の相対的に高い差動入力インピーダンス(標準60kΩ以上)は無視できることに注意してください。50Ωのバイアス設定用抵抗が使用された際のピークtoピーク電圧振幅とRLの関係を図3に示します。
ADL5375-05 とAD9122はダイナミック・レンジとゲインが一致しています。このため、デバイス間にアクティブ・ゲインは不要です。上記のようにRL の値を調整することにより、I/Q変調器の駆動レベルを必要に応じて微調整することができます。大部分のアプリケーションには、RLに100Ωの値を推奨します。この結果、1 V p-p のフルスケール信号レベルになります(DAC出力は0dBFS)。

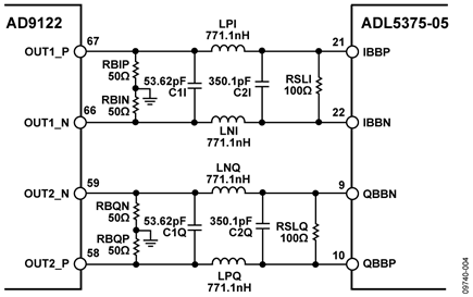
ベースバンド・フィルタリング
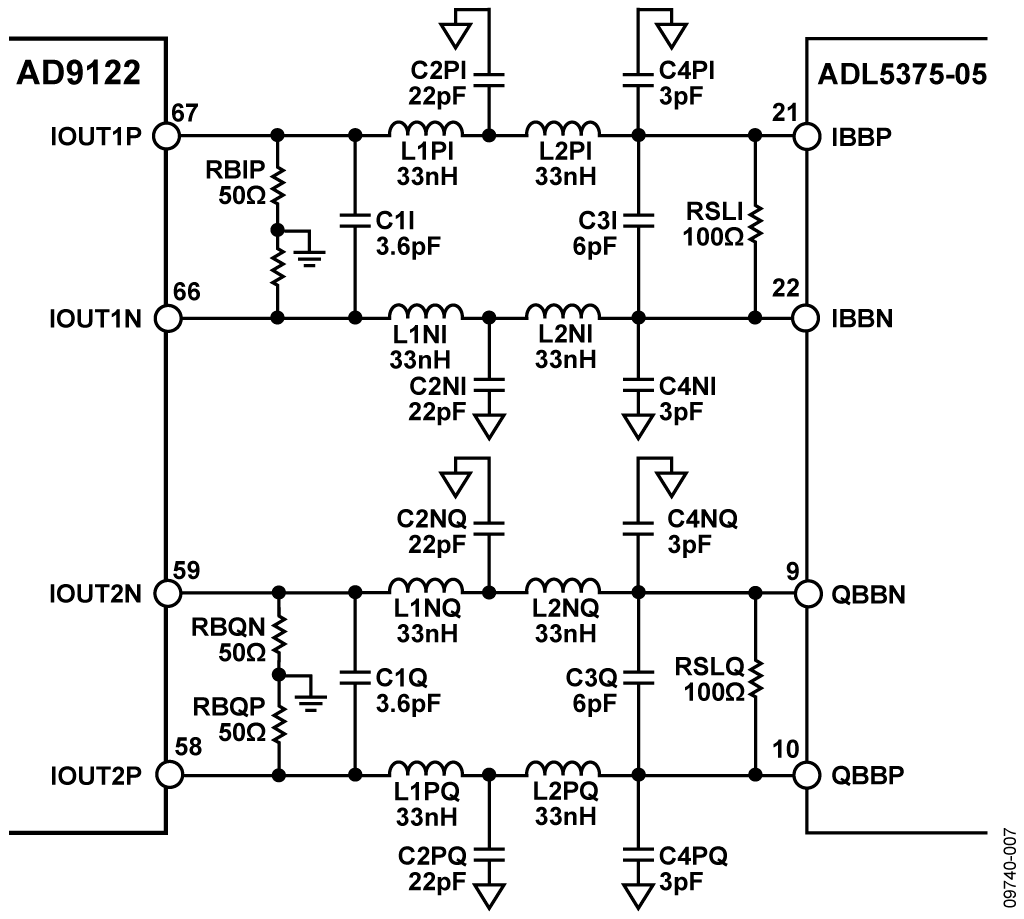
DACに起因したナイキスト・イメージ(折り返しノイズ)、スプリアス、広帯域ノイズを除去するため、AD9122とADL5375の間にフィルタを挿入する必要があります。フィルタはDCバイアス設定抵抗とAC振幅制限抵抗の間に設置します。この構成では、DCバイアス設定抵抗(図4のRB)と信号スケーリング抵抗(図4のRL )により、フィルタ設計における信号源抵抗と負荷抵抗が適切に設定されます。
−3dBの周波数が10MHzの3次ベッセル・ローパス・フィルタを図4に示します。フィルタの入力インピーダンスと出力インピーダンスが一致していることにより、フィルタ設計が容易になりパスバンドの平坦度が良好になるため、広帯域幅のフィルタ設計を可能にします。この例では、シャント抵抗に100Ωが選択され、1Vp-pのAC差動振幅が得られます。このフィルタの周波数応答を図5に示します。


複素IF(CIF)アプリケーションのフィルタ処理
ADL5375のベースバンドのI入力とQ入力の周波数応答を図6に示します。このデバイスは広帯域で平坦な周波数応答(−3dBポイント= 750MHz)を備えているので、DACからの出力信号がデジタル的にアップ・コンバージョンされる複素IF(CIF)のアプリケーションに最適です。CIFのアプリケーションでは、ローパス・ナイキスト・フィルタも必要とします。その主な理由はDAC出力から変調器入力へのDCバイアス・レベルを維持できるからです。
図7に示すフィルタ・トポロジーは、コーナー周波数が300MHzの5次バターワース・フィルタで、推奨するフィルタ・トポロジーです。純粋な差動フィルタは、DACから差動イメージ、スプリアス、およびノイズを除去することができます。それぞれ片側を接地された2個のコンデンサ(図7のC2とC4)を使って同相電流の一部をグラウンドに迂回させることで、純粋な差動フィルタを使った場合よりも高周波信号の同相除去性能が良好になります。
このフィルタの応答のシミュレーション結果を図8に、測定結果を図9に示します。平坦度の測定結果はDC~250MHzで±0.6dB、125MHz~250MHzで±0.4dBです。データはAD9122の反転同期機能をオンにして測定しました。この構成での、図7に示すIFフィルタ有無の場合の同相周波数に対する2 × FDAC の同相スプリアスの同相除去性能を図10に示します。






AD9122とADL5375の出力電力の計算
バイアス設定抵抗と信号スケーリング抵抗の他、ADL5375 の出力の電力レベルは、DACのデジタル・バックオフ・レベル(dBFS)、信号のピークと平均の比、DACのフルスケール電流、ナイキスト・フィルタの挿入損失、I/Q変調器の電圧ゲインの関数になります。図11に示すスプレッドシートを使ってこの計算を行うことができます。
このスプレッドシートはURL( www.analog.com/CN0205-PowerCalculator)からダウンロードできます。
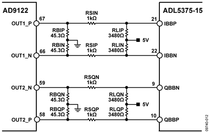
ADL5375-15を駆動するためのレベル・シフト
ADL5375-15は1500mVのDCバイアス・レベルを必要とします。バイアス・レベルの違い以外はADL5375-05とADL5375-15は同一です。AD9122でADL5375-15を駆動するには、パッシブまたはアクティブのレベル・シフト回路を使用する必要があります。図12に示すパッシブ・レベル・シフト回路ネットワークでは、4本の直列抵抗と4本のプルアップ抵抗を使ってADL5375-15の入力に1500mVのバイアス・レベルを生成します。このパッシブ・レベル・シフト回路ネットワークでは信号レベルに約2dBの損失が生じます。
アクティブ・レベル・シフト回路にはADA4938-2のようなデュアル差動アンプを使用することができます。この場合、VOCMピンに1500mVを印加することによって出力DCバイアス・レベルが設定されます。ただし、この方法ではインターフェースの帯域幅がオペアンプによって制限されます。

前述のように、AD9122とADL5375-15の間にフィルタを設置する必要があります。このLCフィルタは、DACの終端抵抗(図13のR1)とAC振幅制限抵抗(図13のR4)の間の任意の場所に配置することができます。ただし、図13の回路ではR2による損失が小さいことと変調器の駆動レベルが大きいことで、レベル・シフト回路の設計に柔軟性が得られます。また、この回路によって信号源と負荷のインピーダンスが一致します。フィルタを使った推奨パッシブ・レベル・シフト回路網を図13に示します。

フィルタの差動信号源インピーダンスと負荷インピーダンスはそれぞれ
2 × (R1 + R2) and
2 × {R3||(R4/2)}, respectively.
です。
DACから見たシングルエンドのインピーダンスは
R1||{R2+R3||(R4/2)}.
です。
R4はDACのAC負荷として機能します。DAC出力の差動AC振幅は
2 × IFS × R1||{R2+R3||(R4/2)},
です。
また、変調器入力の差動AC振幅は
2 × {R3||(R4/2)}÷{R2+(R3||(R4/2)}
に
DAC出力の差動AC振幅を乗じた値です。

リターン電流経路を短くするため、LCフィルタはDACの近くに配置する必要があります。5Vバイアス電源(V1)は変調器と共用するため、変調器の近くに配置する必要があります。R1、R2、R3、R4がそれぞれ34Ω、218Ω、760Ω、750Ωの場合、AD9122 DACの出力の500mV DCバイアスはADL5375-15の1500mV DCバイアスに相当します。実際には、図13のA点を500mVにする必要はありませんが、500mVにすることでDAC出力のコンプライアンス電圧を超えることなく、AC振幅レベルに柔軟性が与えられます。DACの負荷は31.7Ωです。フィルタの入力インピーダンスは504Ω、出力インピーダンスは502Ωです。R2による減衰(DAC出力と変調器入力の間のR2による電圧降下)は、R2とR3||(R4/2) の組み合わせによって設定され、この値は約5.4dBになります。
A点とB点のDCバイアス・レベルとAC振幅レベル(図13)、R2による減衰、フィルタの信号源インピーダンスと負荷インピーダンスを計算するのに、下記のスプレッドシートを使用することができます。このスプレッドシートはURL( www.analog.com/CN0205-LevelShifter)からダウンロードできます。
ADIsimRFツールを使ってDACと変調器の電力レベルを計算することもできます。このツールは www.analog.com/ADIsimRFからダウンロードできます。
レイアウトに関する推奨事項
DAC変調器間のインターフェースのレイアウトには特に注意してください。いくつかの推奨事項があります。これらの推奨事項に従った上面のレイアウトを図15に示します。
- 全てのI/Q差動信号のパターン長を一致させます。
- フィルタの終端抵抗を変調器入力にできるだけ近づけて設置します。
- DAC出力の50Ω抵抗をDACにできるだけ近づけて設置します。
- 信号損失を低減するため、フィルタ回路ネットワーク全体のパターン幅を広くします。
- DAC出力の全てのパターン、フィルタ回路ネットワーク、変調器出力のパターン、LO入力のパターンの周囲にビアを設置します。
- 信号の不要な結合を防止するため、LO出力と変調器出力は異なる層に配線するか互いに90°の角度で配線します。


適切なレイアウトの詳細については、設計サポート・パッケージ( www.analog.com/CN0205-DesignSupport)のAD9122-M5375-EBZ レイアウト・ファイルを参照してください。
回路の評価とテスト
同相テストの詳細を以下のセクションで説明します(結果は図10参照)。テスト・セットアップには柔軟性があり、この回路ノートに示されている以外の測定を行うこともできます。
必要な装置(相当品で置き換え可)
- DPG:ADIデジタル・パターン発生器
- クロック信号発生器:Agilent E4437B
- LO信号発生器:Agilent 8665B
- スペクトル・アナライザ:Agilent E4440A
- 電源:Agilent E3631A
セットアップとテスト
- セットアップと測定システムを図16に示すように接続します。
- 電源を+5Vに設定します。
- FDACの信号発生器は5dBmで368.64MHzに、LOの信号発生器は0dBmで2140MHzに設定します。
- 電源と信号発生器をオンします。スペクトル・アナライザを2 × FDAC MHz(1MHzスパン)に設定します。
-
図17に示すAD9122/AD9125 SPI制御ソフトウェアをUSBを介してAD9122にセットアップし、実行します。www.analog.com-CN0205-DesignSupportのAD9122評価ボードのクイック・スタート・ガイドを参照してください。
- Interpolation(図17の“1”):1×
- Fine Modulation(図17の“2”):ON
- Data Rate(図17の“3”): FDAC周波数と同一
- NCO Frequency(図17の“4”):173.32 MHz
- DPGをセットアップします(AD9122評価ボードのクイック・スタート・ガイドを参照)。
- DCO Frequency(図18の“1”)がFDAC周波数に近くなるようにします。
- Sample Rate(図18の“2”)をFDAC周波数と同一に、Desired Frequencyを1MHzに設定します。
- “3”と“4”を図18に示すように設定します。
- 図18の“1”のボタンをクリックすることにより、IベクトルとQベクトルをダウンロードします。
- 2 × FDACの同相ノイズ・レベルを測定します。
- 信号発生器のFDACの周波数を変更し、(5)で説明した“Data Rate”と(6)で説明した“Sample Rate”を変更します。
- 2 × FDAC の同相ノイズ・レベルを測定します(更新)。
- (8)と(9)を繰り返します。


