製品概要
製品概要
DC590B - デモ・ボード
関連資料
-
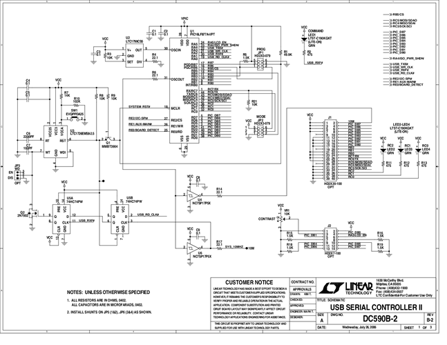
DC590B - Schematic2009/09/24PDF102K
-
DC590B - Demo Manual2012/09/18PDF391K
-
DC590B - Design File2009/09/24ZIP1M




