AN-1461: 高速または低消費電力の信号/電源絶縁型 RS-485 フィールドバス向けのオプションおよびソリューション
はじめに
アナログ・デバイセズの iCoupler® デジタル・アイソレータとRS-485 トランシーバーからなる製品群は、工業用アプリケーションにおける高いデータ・レートと低消費電力動作モードという 2 つの共通するニーズに応えるものです。
高性能のモーター・コントロール・エンコーダ向けアプリケーションには、データ・レートが高く、RS-485 トランシーバーのパッケージが小型で、IEC 61000-4-2 規格を満たす ESD 保護機能が必要です。ADM3065E/ADM3066E 50 Mbps トランシーバーは、省スペース型の 10 ピン LFCSP パッケージに収められており、±12 kV の接触放電および ±12 kV の気中放電の IEC 61000-4-2 ESD 保護規格に対応しています。これにより、EnDaT エンコーダ向けに信頼性の高いソリューションが提供されます(詳細は、アプリケーション・ノート AN-1397 を参照)。本アプリケーション・ノートで説明するように、isoPower®ADuM6401、または isoPower ADuM6000 と iCoupler ADuM241Dを用いると、高速で高安定の信号と電源絶縁を ADM3065E/ADM3066E に付加することができます。
低消費電力の動作モードは、バッテリ駆動システム、掘削アプリケーション(採鉱など)、4 mA ~ 20 mA のループで動作するプロセス制御システムなどで高い需要があります。アナログ・デバイセズは、シャットダウン・モードで消費する静止電流が 23 μA 未満のマイクロパワー・デジタル・アイソレータADuM1441 を提供しています。3.3 V 動作、250 kbps の RS-485トランシーバー ADM3483 は、シャットダウン・モード時に必要な電流が代表値でわずか 2 nA と、きわめて低い静止電流を実現します。
図 1 は掘削アプリケーション向けの堅牢かつ低消費電力の絶縁型 RS-485 ソリューションを示しています。ADM3483 とADuM1441 を組み合わせると、地下の遠隔測定ノードへの堅牢で低消費電力のリンクが構成されます。このシステムのインターフェース・カードには、ARM® Cortex® マイクロコントローラ・ユニット(MCU)の ADuCM3027 と完全統合型アナログ・フロント・エンド(AFE)の AD7124-4 が実装されており、離れた場所の温度および圧力を測定できます。システム・インターフェース・カード上のファームウェアの更新は、長距離のRS485 ケーブルを介して行われ、最大 1 km の長距離にわたって低データ・レート(例えば 9.6 kbps)の伝送が可能です。
絶縁型高速 RS-485
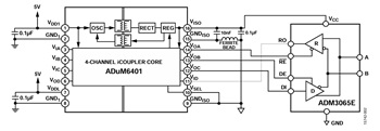
iCoupler および isoPower 技術を用いると、強化絶縁されたガルバニック絶縁および 5 kV rms のトランジェント耐電圧をADM3065E に付加することができます。ADuM6401 は、必要な4 チャンネルに 5 kV rms の信号絶縁を実現し、内蔵の DC/DC コンバータとともに最大 25 Mbps のレートで動作します。図 2 はADuM6401 と ADM3065E を組み合わせたもので、VSEL ピンをGNDISO ピンに接続し、5 V 電源を VDD1 ピンに接続することにより、VISO ピンを 3.3 V に設定しています。3.3 V で動作させると、ADM3065E は 25 Mbps でも ADuM6401 の負荷能力の範囲内に確実に収まります。
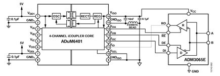
図 3 に示すように、4 チャンネル・デジタル・アイソレータADuM241D と絶縁型 DC/DC コンバータ ADuM6000 を用いると、ADM3065E を絶縁しながら 50 Mbps のデータ・レートで動作させることができます。ADuM241D は最大 150 Mbps のデータ・レートで動作可能で、ADM3065E を 50 Mbps で完全にサポートするために必要となる正確なタイミングを提供します。
ADM3065E を 3.3 V で動作させると、50 Mbps のデータ・レートで動作が可能となります。
5 V 動作が必要な場合、ADuM6000 の VSEL ピンを VISO に接続可能ですが、対応できる最大のデータ・レートは低下します(例えば 10 Mbps 未満)。詳細については、ADuM241D およびADuM6000 のデータシートを参照してください。
ADuM6401 および ADuM6000 の isoPower デバイス内の DC/DCコンバータは、安定化し、絶縁した電力を ADM3065E(およびADuM241D)に供給します。これらの isoPower デバイスは、高周波スイッチング素子を使用し、内蔵のトランスを介して電力を転送します。プリント回路基板(PCB)のレイアウトの際には、放射規格を満たす必要があります。PCB レイアウトの推奨事項については、アプリケーション・ノート AN-0971 を参照してください。
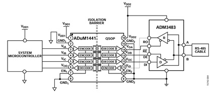
低消費電力の絶縁型 RS-485
図 4 にマイクロパワーの 4 チャンネル・デジタル・アイソレータ ADuM1441 と、低消費電力、半二重の RS-485 トランシーバー ADM3483 との組み合わせを示します。
ADM3483 をシャットダウン・モードで動作させる場合(ドライバー・イネーブルの DE ピンがロー、レシーバー・イネーブルの RE ピンがハイ)、静止電源電流の代表値はわずか 2 nA で、仕様値は最大 1 μA です。図 4 では、ADuM1441 のピン 7 とピン 10 がそれぞれ、GND1 と GND2 に接続されています。これにより、アイソレータ ADuM1441 は、アクティブなバス通信が行われないシャットダウン・モード時に、23 μA 未満の静止電流で動作します。全体として、このソリューションは 24 μA 未満の低い静止電流を実現します。
ADuM1441 のピン 7 とピン 10 をそれぞれ、VDD1 と VDD2 に直結した場合、ADuM1441 はわずか 1.2 μA の静止電流で動作します。上記は、ピン 7 が VDD1 または GND1 に接続でき、ピン 10も VDD2 または GND2 に接続できるジャンパー接続を PCB 上に設けることで実現できます。ADuM1441 からの 1.2 μA の静止電流を ADM3483 の静止電源電流に加えると、シャットダウン・モードまたはスタンバイ・モードでの消費電流がわずか 2 μA という、完全に絶縁された RS-485 ノードが実現できます。通常のアイソレータ動作では、ADuM1441 のピン 7 とピン 10 はそれぞれ、GND1 と GND2 に接続する必要があります。



