MAX9984

製造中

LOバッファ/スイッチ付き、SiGe、高リニアリティ、400MHz~1000MHzダウンコンバージョンミキサ

利用上の注意

本データシートの英語以外の言語への翻訳はユーザの便宜のために提供されるものであり、リビジョンが古い場合があります。最新の内容については、必ず最新の英語版をご参照ください。

なお、日本語版のデータシートは基本的に「Rev.0」(リビジョン0)で作成されています。そのため、英語版が後に改訂され、複数製品のデータシートがひとつに統一された場合、同じ「Rev.0」の日本語版のデータシートが異なる製品のデータシートとして表示されることがあります。たとえば、「ADM3307E」の場合、日本語データシートをクリックすると「ADM3311E」が表示されます。これは、英語版のデータシートが複数の製品で共有できるように1本化され、「ADM3307E/ADM3310E/ADM3311E/ADM3312E/ADM3315E」(Rev.J)と改訂されたからで、決して誤ってリンクが張られているわけではありません。和文化されたデータシートを少しでも有効に活用していただくためにこのような方法をとっておりますので、ご了解ください。

アナログ・デバイセズ社は、提供する情報が正確で信頼できるものであることを期していますが、その情報の利用に関して、あるいはその利用によって生じる第三者の特許やその他の権利の侵害に関して一切の責任を負いません。また、アナログ・デバイセズ社の特許または特許の権利の使用を明示的または暗示的に許諾するものでもありません。仕様は予告なしに変更する場合があります。本紙記載の商標および登録商標は、各社の所有に属します。

Viewing:

製品情報

  • RF周波数範囲†:400MHz~1000MHz
  • LO周波数範囲†:325MHz~850MHz (MAX9984)
  • LO周波数範囲:960MHz~1180MHz (MAX9986)
  • IF周波数範囲:50MHz~250MHz
  • 変換利得:8.1dB
  • 入力IP3:+25dBm
  • +13dBmの入力1dB圧縮ポイント
  • ノイズ指数:9.3dB
  • スプリアス除去:71dBc 2RF-2LO (PRF = -10dBm)
  • LOバッファ内蔵
  • シングルエンド入力用のRFおよびLOバラン内蔵
  • 低LOドライブ:-3dBm~+3dBm
  • LO1~LO2間アイソレーションが54dBで、スイッチング時間が50nsのSPDT LOスイッチ内蔵
  • 1700MHz~2200MHzミキサのMAX9994/MAX9996とピンコンパチブル
  • MAX9993と機能的にコンパチブル
  • 外付け電流設定抵抗によって低電力/低性能モードでのミキサ動作も可能
  • 鉛フリーパッケージで提供
  • 高リニアリティダウンコンバージョンミキサのMAX9984は、400MHz~1000MHzの基地局レシーバアプリケーション†用に、8.1dBの利得、+25dBmのIIP3、および9.3dBのNFを提供します。570MHz~850MHzの最適化されたLO周波数範囲で、このミキサはセルラ帯域のローサイドLOインジェクションレシーバアーキテクチャに最適です。ハイサイドLOインジェクションは、MAX9986がサポートしています。この製品はMAX9984とピンコンパチブルで、機能的に互換性があります。

    MAX9984は優れたリニアリティおよびノイズ性能を備えるだけでなく、高水準の部品集積度を実現しています。このデバイスは、ダブルバランス受動ミキサコア、IFアンプ、デュアル入力LO選択可能スイッチ、およびLOバッファを内蔵しています。またシングルエンドRFおよびLO入力に対応するために、バラン回路も内蔵されています。MAX9984には定格0dBmのLOドライブが必要で、265mA以下の消費電流が保証されています。

    MAX9984/MAX9986は1700MHz~2200MHzのミキサであるMAX9994/MAX9996とピンコンパチブルであるため、この全ダウンコンバータファミリは、共通のPCBレイアウトが両周波数帯域に使用されるアプリケーションに最適です。また、MAX9984はMAX9993と機能的にコンパチブルです。

    MAX9984は、エクスポーズドパッド付きの小型20ピン薄型QFNパッケージ(5mm x 5mm)で提供されます。電気的性能は、-40℃~+85℃の拡張温度範囲で保証されています。

    アプリケーション

    • 400MHz~700MHz OFDM/WiMAX CPEおよび基地局機器
    • 850MHz WCDMA基地局
    • デジタルおよびスペクトラム拡散通信システム
    • 固定ブロードバンド無線アクセス
    • GSM 850/GSM 900 2Gおよび2.5G EDGE基地局
    • iDEN®基地局
    • マイクロ波リンク
    • 軍事用システム
    • プリディストーションレシーバ
    • 個人用携帯無線機(PMR)
    • ワイヤレスローカルループ(WLL)

    MAX9984
    LOバッファ/スイッチ付き、SiGe、高リニアリティ、400MHz~1000MHzダウンコンバージョンミキサ
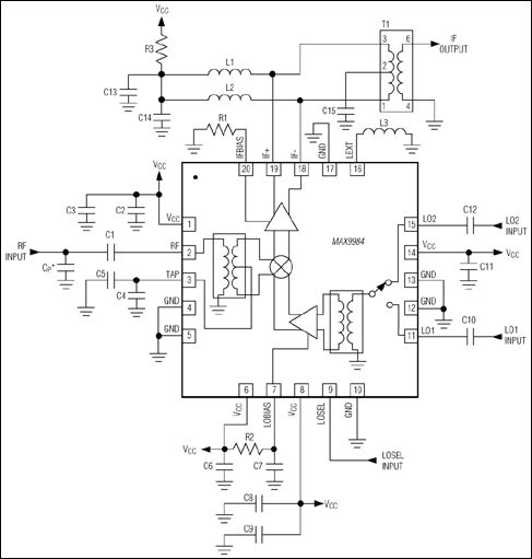
    MAX9984:標準アプリケーション回路
    myAnalogに追加

    myAnalogの製品セクション(通知受け取り)、既存/新規プロジェクトに製品を追加する。

    新規プロジェクトを作成
    質問する
    サポート

    アナログ・デバイセズのサポート・ページはアナログ・デバイセズへのあらゆるご質問にお答えするワンストップ・ポータルです。


    ドキュメント

    さらに詳しく
    myAnalogに追加

    myAnalogのリソース・セクション、既存/新規プロジェクトにメディアを追加する。

    新規プロジェクトを作成

    ソフトウェア・リソース

    必要なソフトウェア/ドライバが見つかりませんか?

    ドライバ/ソフトウェアをリクエスト

    ハードウェア・エコシステム

    製品モデル 製品ライフサイクル 詳細
    RFミキサー 9
    MAX9981 製造中止 825MHz~915MHz、デュアルSiGe、高直線性アクティブミキサ
    MAX9982 製造中止 825MHz~915MHz、SiGe、高直線性アクティブミキサ
    MAX9993 製造中止 高リニアリティ、1700MHz~2200MHz、 LOバッファ/スイッチ付き、ダウンコンバージョンミキサ
    MAX9994 製造中 LOバッファ/スイッチ付き、SiGe高直線性、1400MHz~2200MHzダウンコンバージョンミキサ
    MAX9986 最終販売 LOバッファ/スイッチ付き、SiGe、高リニアリティ、815MHz~995MHz ダウンコンバージョンミキサ
    MAX9995 最終販売 デュアル、SiGe、高リニアリティ、1700MHz~2700MHzダウンコンバージョンミキサ、LOバッファ/スイッチ内蔵
    MAX9996 製造中 LOバッファ/スイッチ付き、SiGe、高リニアリティの1700MHz~2200MHz ダウンコンバージョンミキサ
    MAX2031 製造中 LOバッファ/スイッチ付き、高リニアリティ、650MHz~1000MHzアップコンバージョン/ダウンコンバージョンミキサ
    MAX2039 製造中止 LOバッファ/スイッチ付き、高直線性、1700MHz~2200MHzアップコンバータ/ダウンコンバータミキサ
    発振器 4
    MAX9987 製造中止 ±1dB偏差付き、+14dBm~+20dBm、LOバッファ/スプリッタ
    MAX9988 製造中止 ±1dB偏差付き、+14dBm~+20dBm、LOバッファ/スプリッタ
    MAX9989 製造中 +14dBm~+20dBm、LOバッファ、±1dB誤差付
    MAX9990 製造中止 +14dBm~+20dBm、LOバッファ、±1dB誤差付
    変調器 & 復調器 1
    MAX2022 製造中 高ダイナミックレンジ、ダイレクトアップ/ダウンコンバージョン1500MHz~3000MHz直交変調器/復調器
    Modal heading
    myAnalogに追加

    myAnalogの製品セクション(通知受け取り)、既存/新規プロジェクトに製品を追加する。

    新規プロジェクトを作成

    最新のディスカッション

    MAX9984に関するディスカッションはまだありません。意見を投稿しますか?

    EngineerZone®でディスカッションを始める

    最近表示した製品