MAX5952

製造中止

Power over Ethernet用、ハイパワー、クワッド、PSEコントローラ

IEEE 802.3at規格に準拠し、ハイパワー(POE+) PSEアプリケーションに最大45Wを供給

利用上の注意

本データシートの英語以外の言語への翻訳はユーザの便宜のために提供されるものであり、リビジョンが古い場合があります。最新の内容については、必ず最新の英語版をご参照ください。

なお、日本語版のデータシートは基本的に「Rev.0」(リビジョン0)で作成されています。そのため、英語版が後に改訂され、複数製品のデータシートがひとつに統一された場合、同じ「Rev.0」の日本語版のデータシートが異なる製品のデータシートとして表示されることがあります。たとえば、「ADM3307E」の場合、日本語データシートをクリックすると「ADM3311E」が表示されます。これは、英語版のデータシートが複数の製品で共有できるように1本化され、「ADM3307E/ADM3310E/ADM3311E/ADM3312E/ADM3315E」(Rev.J)と改訂されたからで、決して誤ってリンクが張られているわけではありません。和文化されたデータシートを少しでも有効に活用していただくためにこのような方法をとっておりますので、ご了解ください。

アナログ・デバイセズ社は、提供する情報が正確で信頼できるものであることを期していますが、その情報の利用に関して、あるいはその利用によって生じる第三者の特許やその他の権利の侵害に関して一切の責任を負いません。また、アナログ・デバイセズ社の特許または特許の権利の使用を明示的または暗示的に許諾するものでもありません。仕様は予告なしに変更する場合があります。本紙記載の商標および登録商標は、各社の所有に属します。

Viewing:

製品情報

  • IEEE 802.3af準拠/IEEE 802.3at策定時準拠予定
  • I²Cインタフェースを通じてポート電流の瞬時読取り
  • 大電力モードによってポート当り最大45W可能
  • レガシデバイス用の大容量検出
  • MAX5945およびLTC4258/LTC4259Aとピンコンパチブル
  • 4個の独立した電源スイッチコントローラ
  • PDの検出および分類
  • DCおよびACの負荷除去検出に対応
  • I²C対応の3線式シリアルインタフェース
  • 電流フォールドバックおよびディーティサイクル制御による電流制限
  • オープンドレインアクティブローINT信号
  • ダイレクト高速シャットダウン制御機能

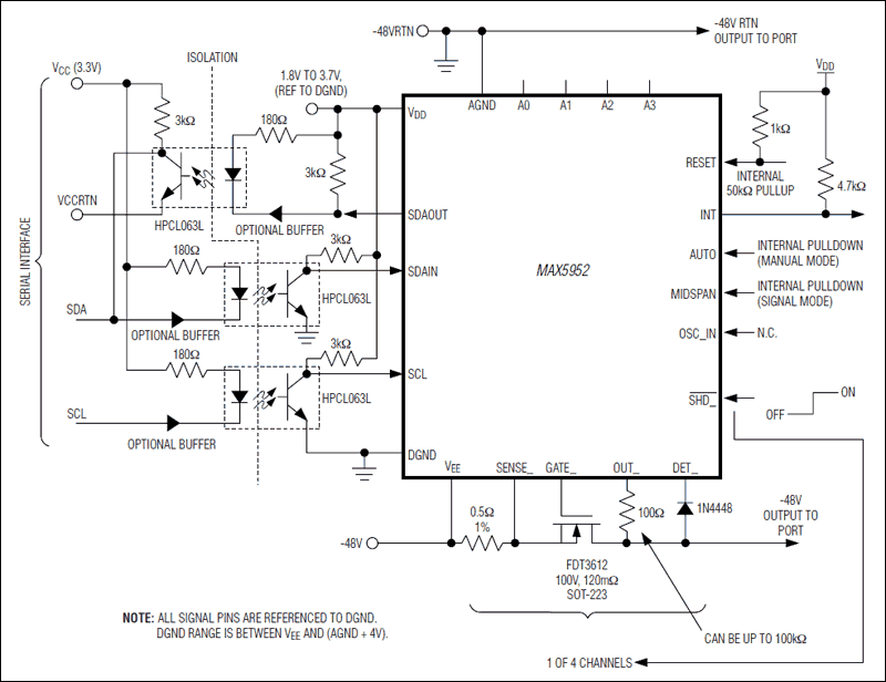
MAX5952は、IEEE® 802.3af準拠/IEEE 802.3at策定時に準拠予定の給電機器(PSE)用に設計されたクワッド-48V電源コントローラです。このデバイスは、IEEE 802.3af規格にしたがって、受電機器(PD)の検出、分類、電流制限、およびDCとACの負荷切断検出を行います。MAX5952は、PSEコントローラのMAX5945/LTC4258/LTC4259Aとピンコンパチブルで、さまざまな追加機能を提供します。

MAX5952は、ポート当り最大45Wを提供する大電力モードを備えています。MAX5952は、I²Cインタフェースを通じて各ポート電流の瞬時読取りを行います。また、MAX5952はレガシPD用の大容量検出も提供します。

このデバイスは、I²C対応の3線式シリアルインタフェースを備え、完全にソフトウェアのみで設定およびプログラムすることができます。クラス過電流検出機能によって、PDがその許容量を超える電流を消費するかどうかをシステム電源管理で検出することができます。MAX5952の広範なプログラマブル機能によって、システムのフレキシビリティがさらに高まり、フィールド診断が可能であるため、他のアプリケーションにも使用することができます。

MAX5952は、さまざまなシステム要件に対応した4つの動作モードを備えています。オートモードでは、このデバイスはソフトウェア監視なしで、自動的に動作することができます。セミオートモードでは、初期のソフトウェア起動後にポートに接続されたデバイスを自動的に検出して分類しますが、ソフトウェアによって指示されるまでそのポートを起動しません。マニュアルモードでは、デバイスのソフトウェア全体の制御が可能になり、システム診断に役立ちます。シャットダウンモードでは、すべてのアクティビティを終了し、ポートへの電源を安全にオフにします。

MAX5952は、入力低電圧ロックアウト(UVLO)、入力低電圧検出、入力過電圧ロックアウト、温度過昇検出、起動時の出力電圧スルーレート制限、パワーグッドステータス、およびフォルトステータスを備えています。MAX5952のプログラマブル機能には、起動タイムアウト、過電流タイムアウト、および負荷切断検出タイムアウトが含まれます。

MAX5952は、36ピンSSOPパッケージで提供され、拡張(-40℃~+85℃)および上位民生(0℃~+85℃)用温度範囲の両方での動作が保証されています。

アプリケーション

  • ミッドスパンパワーインジェクタ
  • 給電機器(PSE)
  • スイッチ/ルータ

MAX5952
Power over Ethernet用、ハイパワー、クワッド、PSEコントローラ
MAX5952:標準動作回路
myAnalogに追加

myAnalogの製品セクション(通知受け取り)、既存/新規プロジェクトに製品を追加する。

新規プロジェクトを作成
質問する
サポート

アナログ・デバイセズのサポート・ページはアナログ・デバイセズへのあらゆるご質問にお答えするワンストップ・ポータルです。


ドキュメント

さらに詳しく
myAnalogに追加

myAnalogのリソース・セクション、既存/新規プロジェクトにメディアを追加する。

新規プロジェクトを作成

ソフトウェア・リソース

必要なソフトウェア/ドライバが見つかりませんか?

ドライバ/ソフトウェアをリクエスト

評価用キット

MAX5952AEVKIT

MAX5952Aの評価キット/評価システム

機能と利点

  • IEEE 802.3afおよびPre-802.3at準拠の給電機器(PSE)回路
  • 大電力モードでポート当り最大45Wまで設定可能
  • I²Cインタフェースによるポート電流の読取り
  • 入力電圧
    • -32V~-60Vで4A (-48V電源回路、750mA/ポート)
  • Ethernetネットワークポート
    • 4つのRJ-45 10/100BASE-TX Ethernetネットワーク入力ポート
    • 4つのRJ-45 10/100BASE-TX Ethernetネットワーク出力Power over Ethernetポート
  • 4つの個別の独立したパワースイッチコントローラ
  • PDの検出および分類
  • 設定可能なDC/AC負荷除去検出および切断監視
  • 設定可能な電流検出
  • 簡易な電圧および電流試験ポイント
  • 4つの出力ポートLEDステータスインジケータ
  • 光絶縁された3線式I²C対応PCインタフェース
  • スタンドアロン動作、または外付けマイクロコントローラとの併用に設定変更可能(+3.3V 100mA電源が必要)
  • Windows 98SE/2000/XP対応ソフトウェア
  • 完全実装および試験済み

製品詳細

MAX5952Aの評価キット(EVキット)は、-48Vの電源レイルシステム用としてEthernet 4ポート給電機器(PSE)回路を備えた、完全実装および試験済み実装の回路基板です。IEEE 802.3afおよびPre-802.3at準拠、36ピンSSOPパッケージのPSEコントローラMAX5952Aは、4つのnチャネルパワーMOSFETを使ってこのEVキットの主な給電機器回路を構成しています。MAX5952Aは、4つのEthernetネットワークポートにDC電源を必要とするPower over Ethernet (PoE)アプリケーションで使用されます。このEVキットは、I²C対応3線式インタフェース用の光アイソレーションも備えています。この絶縁されたインタフェースは、CMAXQUSBインタフェースボードから、PCのUSBポートに接続することができます。このEVキットは、絶縁動作または非絶縁動作のユーザのスタンドアロンマイクロコントローラとインタフェースするように容易に設定変更することができます。スタンドアロン動作の場合、ユーザは、EVキットの+3.3Vの光絶縁された3線式インタフェース用に100mAを供給可能な個別の3.3V電源を供給する必要があります。

MAX5952AのEVキットは、4つの10/100BASE-TX Ethernetネットワークポート経由で充電機器(PD)用に4A以上をEVキットに供給可能な-32V~-60Vの電源(-48V電源レイル)を必要とします。このEVキットは、IEEE 802.3afおよびPre-802.3at準拠のPSEの、PD検出、分類、電流制限制御、およびその他の機能を検証します。

MAX5952Aは、EthernetネットワークポートのパワーMOSFETを制御し、各ポートの電流検出抵抗から電流を検出することによって、4つのポートそれぞれへの-48V DC電源を制御します。電流は、各Ethernet出力ポートの10/100BASE-TX VoIP (Voice over IP)磁気モジュールに供給されます。MAX5952AのEVキットは、4つのEthernet出力ポートのそれぞれに、個別の独立した電源チャネルを提供します。

このEVキットは、設定可能な動作モード、大電力モード(ポート当り最大45Wに設定可能)、I²Cインタフェース経由のポート電流情報、PD検出、PD分類、過電流保護、電流フォールドバック、低/過電圧保護、およびAC切断監視など、各電源チャネルのMAX5952Aのフル機能を検証します。これらの機能は、すべてこのEVキットで構成可能で、電圧プローブと電流測定用の追加の試験ポイントも用意されています。

このEVキットソフトウェアは、Windows® 98SE/2000/XP対応で、MAX5952Aの各種機能を検証するためのユーザフレンドリなインタフェースを備えながら、ビットレベルで各レジスタにアクセスすることもできます。プログラムは、メニュー方式で、制御ボタン付きのグラフィカルインタフェースを備えています。また、プログラムは、マクロエンジンも備え、システムレベルでのMAX5952Aの自動評価および試験を行うことができます。プログラムのマクロ出力ファイルは、自動保存することができます。

アプリケーション

  • ミッドスパンパワーインジェクタ
  • 給電機器(PSE)
  • スイッチ/ルータ

MAX5952AEVCMAXQU

MAX5952Aの評価キット/評価システム

機能と利点

  • IEEE 802.3afおよびPre-802.3at準拠の給電機器(PSE)回路
  • 大電力モードでポート当り最大45Wまで設定可能
  • I²Cインタフェースによるポート電流の読取り
  • 入力電圧
    • -32V~-60Vで4A (-48V電源回路、750mA/ポート)
  • Ethernetネットワークポート
    • 4つのRJ-45 10/100BASE-TX Ethernetネットワーク入力ポート
    • 4つのRJ-45 10/100BASE-TX Ethernetネットワーク出力Power over Ethernetポート
  • 4つの個別の独立したパワースイッチコントローラ
  • PDの検出および分類
  • 設定可能なDC/AC負荷除去検出および切断監視
  • 設定可能な電流検出
  • 簡易な電圧および電流試験ポイント
  • 4つの出力ポートLEDステータスインジケータ
  • 光絶縁された3線式I²C対応PCインタフェース
  • スタンドアロン動作、または外付けマイクロコントローラとの併用に設定変更可能(+3.3V 100mA電源が必要)
  • Windows 98SE/2000/XP対応ソフトウェア
  • 完全実装および試験済み

製品詳細

MAX5952Aの評価キット(EVキット)は、-48Vの電源レイルシステム用としてEthernet 4ポート給電機器(PSE)回路を備えた、完全実装および試験済み実装の回路基板です。IEEE 802.3afおよびPre-802.3at準拠、36ピンSSOPパッケージのPSEコントローラMAX5952Aは、4つのnチャネルパワーMOSFETを使ってこのEVキットの主な給電機器回路を構成しています。MAX5952Aは、4つのEthernetネットワークポートにDC電源を必要とするPower over Ethernet (PoE)アプリケーションで使用されます。このEVキットは、I²C対応3線式インタフェース用の光アイソレーションも備えています。この絶縁されたインタフェースは、CMAXQUSBインタフェースボードから、PCのUSBポートに接続することができます。このEVキットは、絶縁動作または非絶縁動作のユーザのスタンドアロンマイクロコントローラとインタフェースするように容易に設定変更することができます。スタンドアロン動作の場合、ユーザは、EVキットの+3.3Vの光絶縁された3線式インタフェース用に100mAを供給可能な個別の3.3V電源を供給する必要があります。

MAX5952AのEVキットは、4つの10/100BASE-TX Ethernetネットワークポート経由で充電機器(PD)用に4A以上をEVキットに供給可能な-32V~-60Vの電源(-48V電源レイル)を必要とします。このEVキットは、IEEE 802.3afおよびPre-802.3at準拠のPSEの、PD検出、分類、電流制限制御、およびその他の機能を検証します。

MAX5952Aは、EthernetネットワークポートのパワーMOSFETを制御し、各ポートの電流検出抵抗から電流を検出することによって、4つのポートそれぞれへの-48V DC電源を制御します。電流は、各Ethernet出力ポートの10/100BASE-TX VoIP (Voice over IP)磁気モジュールに供給されます。MAX5952AのEVキットは、4つのEthernet出力ポートのそれぞれに、個別の独立した電源チャネルを提供します。

このEVキットは、設定可能な動作モード、大電力モード(ポート当り最大45Wに設定可能)、I²Cインタフェース経由のポート電流情報、PD検出、PD分類、過電流保護、電流フォールドバック、低/過電圧保護、およびAC切断監視など、各電源チャネルのMAX5952Aのフル機能を検証します。これらの機能は、すべてこのEVキットで構成可能で、電圧プローブと電流測定用の追加の試験ポイントも用意されています。

このEVキットソフトウェアは、Windows® 98SE/2000/XP対応で、MAX5952Aの各種機能を検証するためのユーザフレンドリなインタフェースを備えながら、ビットレベルで各レジスタにアクセスすることもできます。プログラムは、メニュー方式で、制御ボタン付きのグラフィカルインタフェースを備えています。また、プログラムは、マクロエンジンも備え、システムレベルでのMAX5952Aの自動評価および試験を行うことができます。プログラムのマクロ出力ファイルは、自動保存することができます。

アプリケーション

  • ミッドスパンパワーインジェクタ
  • 給電機器(PSE)
  • スイッチ/ルータ

MAX5952AEVKIT
MAX5952Aの評価キット/評価システム
MAX5952AEVCMAXQU
MAX5952Aの評価キット/評価システム

最新のディスカッション

MAX5952に関するディスカッションはまだありません。意見を投稿しますか?

EngineerZone®でディスカッションを始める

最近表示した製品