MAX5308

製造中

シリアルインタフェース付き、低電力、低グリッチ、オクタル(8回路) 10ビット電圧出力DAC

利用上の注意

本データシートの英語以外の言語への翻訳はユーザの便宜のために提供されるものであり、リビジョンが古い場合があります。最新の内容については、必ず最新の英語版をご参照ください。

なお、日本語版のデータシートは基本的に「Rev.0」(リビジョン0)で作成されています。そのため、英語版が後に改訂され、複数製品のデータシートがひとつに統一された場合、同じ「Rev.0」の日本語版のデータシートが異なる製品のデータシートとして表示されることがあります。たとえば、「ADM3307E」の場合、日本語データシートをクリックすると「ADM3311E」が表示されます。これは、英語版のデータシートが複数の製品で共有できるように1本化され、「ADM3307E/ADM3310E/ADM3311E/ADM3312E/ADM3315E」(Rev.J)と改訂されたからで、決して誤ってリンクが張られているわけではありません。和文化されたデータシートを少しでも有効に活用していただくためにこのような方法をとっておりますので、ご了解ください。

アナログ・デバイセズ社は、提供する情報が正確で信頼できるものであることを期していますが、その情報の利用に関して、あるいはその利用によって生じる第三者の特許やその他の権利の侵害に関して一切の責任を負いません。また、アナログ・デバイセズ社の特許または特許の権利の使用を明示的または暗示的に許諾するものでもありません。仕様は予告なしに変更する場合があります。本紙記載の商標および登録商標は、各社の所有に属します。

Viewing:

製品情報

  • 16ピンTSSOP (6.4mm x 5mm)パッケージに封止された8つの高集積10ビットDAC
  • 超低グリッチエネルギー:2nV-s以下
  • 総消費電流:
    • 1.7mA (max) (VREF = VDD = +5.5V時)
  • +2.7V~+5.5Vの広い単一電源範囲
  • 高速整定時間:5µs
  • ソフトウェアにより選択可能なシャットダウンモード、1µA以下
  • 15MHz、3線式SPI、QSPI、およびMICROWIRE対応のシリアルインタフェース
  • 電源投入時のゼロスケールへのリセット

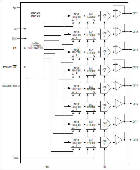
MAX5308/MAX5309は、省スペース16ピンTSSOPパッケージの10ビット、8チャネル、低電力、電圧出力D/Aコンバータ(DAC)です。+2.7V~+5.5Vの広い電源電圧範囲および各DACにつき215µA (max)以下の消費電流は、低電力および低電圧のアプリケーションに適しています。MAX5308/MAX5309は、グリッチエネルギーが2nV-sと低いため、高速応答閉ループシステムのディジタル制御に最適です。

MAX5308は、デイジーチェーンの複数デバイスに使用することが可能なディジタル出力(DOUT)を備えています。MAX5309は、すべてのレジスタとDACをゼロにクリアするハードウェアリセット入力(アクティブローCLR)を備えています。MAX5308/MAX5309には、消費電流を1µAに減少させるソフトウェアシャットダウン機能があります。これらのデバイスは、8つのDACすべての出力を同時に更新するロードDAC (アクティブローLDAC)機能を備えています。

3線式SPI™、QSPI™、MICROWIRE™、およびDSP対応のシリアルインタフェースによって、入力およびDACレジスタを単一ソフトウェアコマンドで個別もしくは同時に更新することができます。これらのデバイスでは、ダブルバッファ設計を採用してディジタル入力から出力へのディジタルノイズのフィードスルーを最小限に抑制しています。MAX5308/MAX5309の動作温度範囲は、-40℃~+85℃です。

アプリケーション

  • 光部品の制御
  • 利得およびオフセット調整
  • ポータブル計測機器
  • パワーアンプ制御
  • プロセス制御I/O基板

MAX5308
シリアルインタフェース付き、低電力、低グリッチ、オクタル(8回路) 10ビット電圧出力DAC
MAX5308、MAX5309:ファンクションダイアグラム
myAnalogに追加

myAnalogの製品セクション(通知受け取り)、既存/新規プロジェクトに製品を追加する。

新規プロジェクトを作成
質問する
サポート

アナログ・デバイセズのサポート・ページはアナログ・デバイセズへのあらゆるご質問にお答えするワンストップ・ポータルです。


ドキュメント

さらに詳しく
myAnalogに追加

myAnalogのリソース・セクション、既存/新規プロジェクトにメディアを追加する。

新規プロジェクトを作成

ソフトウェア・リソース

必要なソフトウェア/ドライバが見つかりませんか?

ドライバ/ソフトウェアをリクエスト

最新のディスカッション

MAX5308に関するディスカッションはまだありません。意見を投稿しますか?

EngineerZone®でディスカッションを始める

最近表示した製品