MAX19757

製造中止

デュアル、SiGe、高リニアリティ、1700MHz~2700MHzダウンコンバージョンミキサ、高度シャットダウン機能内蔵

既存のデュアルミキサに比べて最大50%低い消費電力!

利用上の注意

本データシートの英語以外の言語への翻訳はユーザの便宜のために提供されるものであり、リビジョンが古い場合があります。最新の内容については、必ず最新の英語版をご参照ください。

なお、日本語版のデータシートは基本的に「Rev.0」(リビジョン0)で作成されています。そのため、英語版が後に改訂され、複数製品のデータシートがひとつに統一された場合、同じ「Rev.0」の日本語版のデータシートが異なる製品のデータシートとして表示されることがあります。たとえば、「ADM3307E」の場合、日本語データシートをクリックすると「ADM3311E」が表示されます。これは、英語版のデータシートが複数の製品で共有できるように1本化され、「ADM3307E/ADM3310E/ADM3311E/ADM3312E/ADM3315E」(Rev.J)と改訂されたからで、決して誤ってリンクが張られているわけではありません。和文化されたデータシートを少しでも有効に活用していただくためにこのような方法をとっておりますので、ご了解ください。

アナログ・デバイセズ社は、提供する情報が正確で信頼できるものであることを期していますが、その情報の利用に関して、あるいはその利用によって生じる第三者の特許やその他の権利の侵害に関して一切の責任を負いません。また、アナログ・デバイセズ社の特許または特許の権利の使用を明示的または暗示的に許諾するものでもありません。仕様は予告なしに変更する場合があります。本紙記載の商標および登録商標は、各社の所有に属します。

Viewing:

製品情報

  • RF周波数範囲:1700MHz~2700MHz
  • LO周波数範囲:1800MHz~2600MHz
  • IF周波数範囲:50MHz~500MHz
  • IIP3:25.3dBm
  • 変換利得:8.8dB
  • 入力1dB圧縮ポイント:13.1dBm
  • ノイズ指数:10.4dB
  • 2RF-2LOスプリアス除去:73dBc (PRF = -10dBm)
  • ダイバーシティレシーバアプリケーションに最適なデュアルチャネル
  • LOバッファ内蔵
  • LO駆動:-3dBm~+3dBm
  • LO-LO間アイソレーション50dB、スイッチング時間240nsのSPDT LOスイッチ内蔵
  • チャネル間アイソレーション:46dB
  • オプションのIF出力の内蔵ディテクタによってバイアス電流を自動調整しパワーマネージメントを最適化
  • 外付け電流設定抵抗による電力と性能間のトレードオフが可能
  • 以下を含む高度なシャットダウン機能:
    • 個別の経路パワーダウン
    • 高速パワーダウン/パワーアップモードによるTDDアプリケーションでのオン/オフ状態間のトグル
    • 制御されたLOポートのインピーダンスによるパワーサイクル時のVCOプリングの最小化

デュアルチャネルダウンコンバータのMAX19757は、多数の1700MHz~2700MHz基地局レシーバアプリケーションに、8.8dBの利得、+25.3dBmの入力IP3、および10.4dBのNFを提供するように設計されています。このミキサは、最適化された1800MHz~2600MHzのLO周波数範囲を備え、それぞれ1700MHz~2200MHzおよび2000MHz~2700MHzのRF帯用に、ハイサイドとローサイドの両方のLOインジェクションアーキテクチャをサポートします。個別の経路シャットダウンによって、ユーザーは低ピーク使用時間帯またはTDD TXモードでのDC電力を節減することができます。

このデバイスは、RFおよびLOポートのバラン、LOバッファ、2つのダブルバランスドミキサ、および1組の差動IF出力アンプを内蔵しています。MAX19757は、0dBm (typ)のLO駆動を必要とし、消費電流は帯域中央で300mA (typ)、LO周波数帯全体で350mA (typ)で、目的のリニアリティ性能を実現します。

MAX19757は、エクスポーズドパッドを備えた小型の36ピンTQFNパッケージ(6mm x 6mm x 0.8mm)で提供されます。電気的性能は-40℃~+105℃の拡張温度範囲で保証されています。

アプリケーション

  • 2.3GHz WCS基地局
  • 2.5GHz WiMAX®、LTE、TD-LTE基地局
  • 2.7GHz MMDS基地局
  • DCS1800/PCS1900/EDGE基地局
  • 固定ブロードバンド無線アクセス
  • 軍事用システム
  • 個人用携帯無線機
  • UMTS/WCDMA、TD-SCDMAおよびcdma2000® 3G基地局
  • ワイヤレスローカルループ

MAX19757
デュアル、SiGe、高リニアリティ、1700MHz~2700MHzダウンコンバージョンミキサ、高度シャットダウン機能内蔵
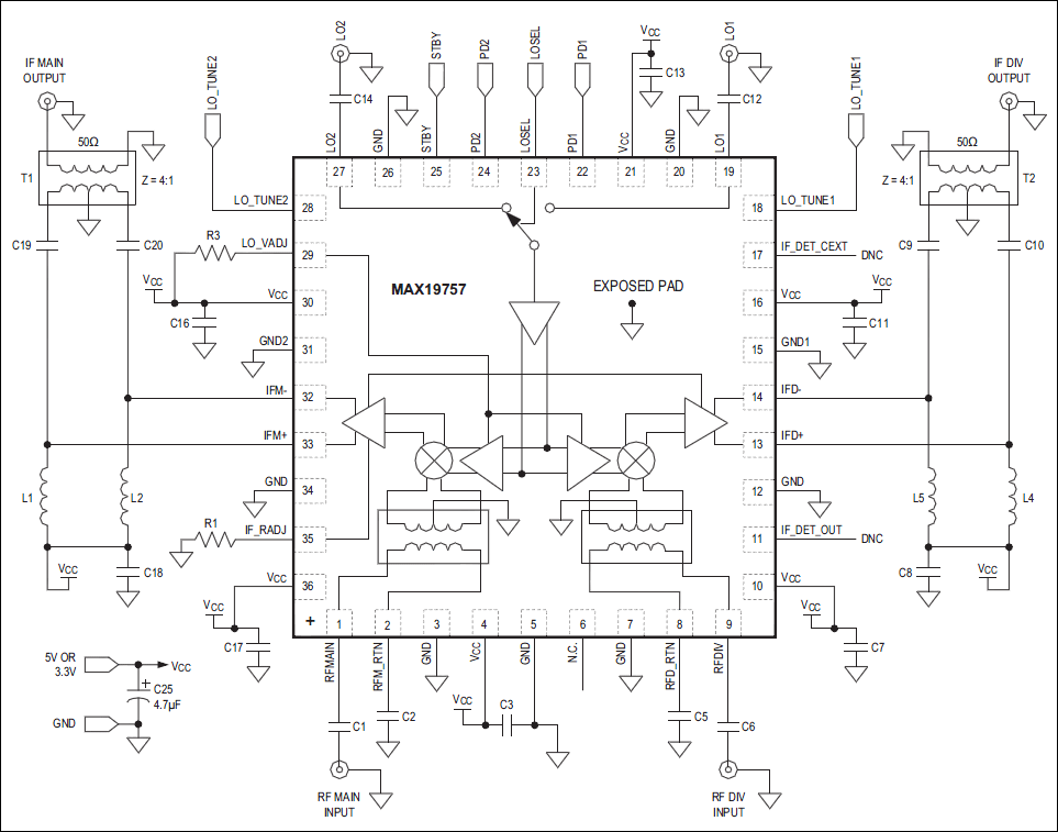
MAX19757:標準アプリケーション回路
myAnalogに追加

myAnalogの製品セクション(通知受け取り)、既存/新規プロジェクトに製品を追加する。

新規プロジェクトを作成
質問する
サポート

アナログ・デバイセズのサポート・ページはアナログ・デバイセズへのあらゆるご質問にお答えするワンストップ・ポータルです。


ドキュメント

さらに詳しく
myAnalogに追加

myAnalogのリソース・セクション、既存/新規プロジェクトにメディアを追加する。

新規プロジェクトを作成

ソフトウェア・リソース

必要なソフトウェア/ドライバが見つかりませんか?

ドライバ/ソフトウェアをリクエスト

ハードウェア・エコシステム

製品モデル 製品ライフサイクル 詳細
RFミキサー 5
MAX19985A 最終販売 LOバッファ/スイッチ内蔵、デュアルSiGe、高リニアリティ、高利得、700MHz~1000MHzダウンコンバージョンミキサ
MAX19995 最終販売 LOバッファ/スイッチ内蔵、デュアル、SiGe、高リニアリティ、1700MHz~2200MHzダウンコンバージョンミキサ
MAX19995A 製造中 LOバッファ/スイッチ内蔵、デュアル、SiGe、高リニアリティ、1700MHz~2200MHzダウンコンバージョンミキサ
MAX19997A 製造中 LOバッファ/スイッチ内蔵、デュアル、SiGe、高リニアリティ、高利得、1800MHz~2900MHzダウンコンバージョンミキサ
MAX19999 製造中止 デュアル、SiGe、高リニアリティ、LOバッファ内蔵、3000MHz~4000MHzダウンコンバージョンミキサ
Modal heading
myAnalogに追加

myAnalogの製品セクション(通知受け取り)、既存/新規プロジェクトに製品を追加する。

新規プロジェクトを作成

最新のディスカッション

MAX19757に関するディスカッションはまだありません。意見を投稿しますか?

EngineerZone®でディスカッションを始める

最近表示した製品