LTC4309
製造中スタックバス復旧機能付き、ホットスワップ可能なレベルシフト低オフセット2線バス・バッファ
- 製品モデル
- 8
- 1Ku当たりの価格
- 最低価格:$2.72
製品情報
- 双方向バッファにより、ファンアウト数を増加
- バッファのオフセット電圧:負荷に関係なく60mV
- バスがスタック“L”の場合、切断を選択可能
- 電源の入ったバックプレーンに対するボード挿入/引抜き時に、SDA や SCL の損傷を防止
- レベルシフト2.5V、3.3Vおよび5Vバス
- 非準拠VOL I2Cデバイスと互換
- ±6kV 人体モデル ESD 保護
- 入力SDAおよびSCLラインを出力から絶縁
- I2C™、I2C Fast Mode、SMBus規格に準拠
- READYオープンドレイン出力
- FAULTオープンドレイン出力
- すべてのSDAおよびSCLラインでの1Vのプリチャージ
- オプションの立ち上がり時間アクセラレータ
- VCC = 0V時にSDAピンとSCLピンがハイ・インピーダンス
- 小型12ピンDFN(4mm×3mm)パッケージと16ピSSOPパッケージ
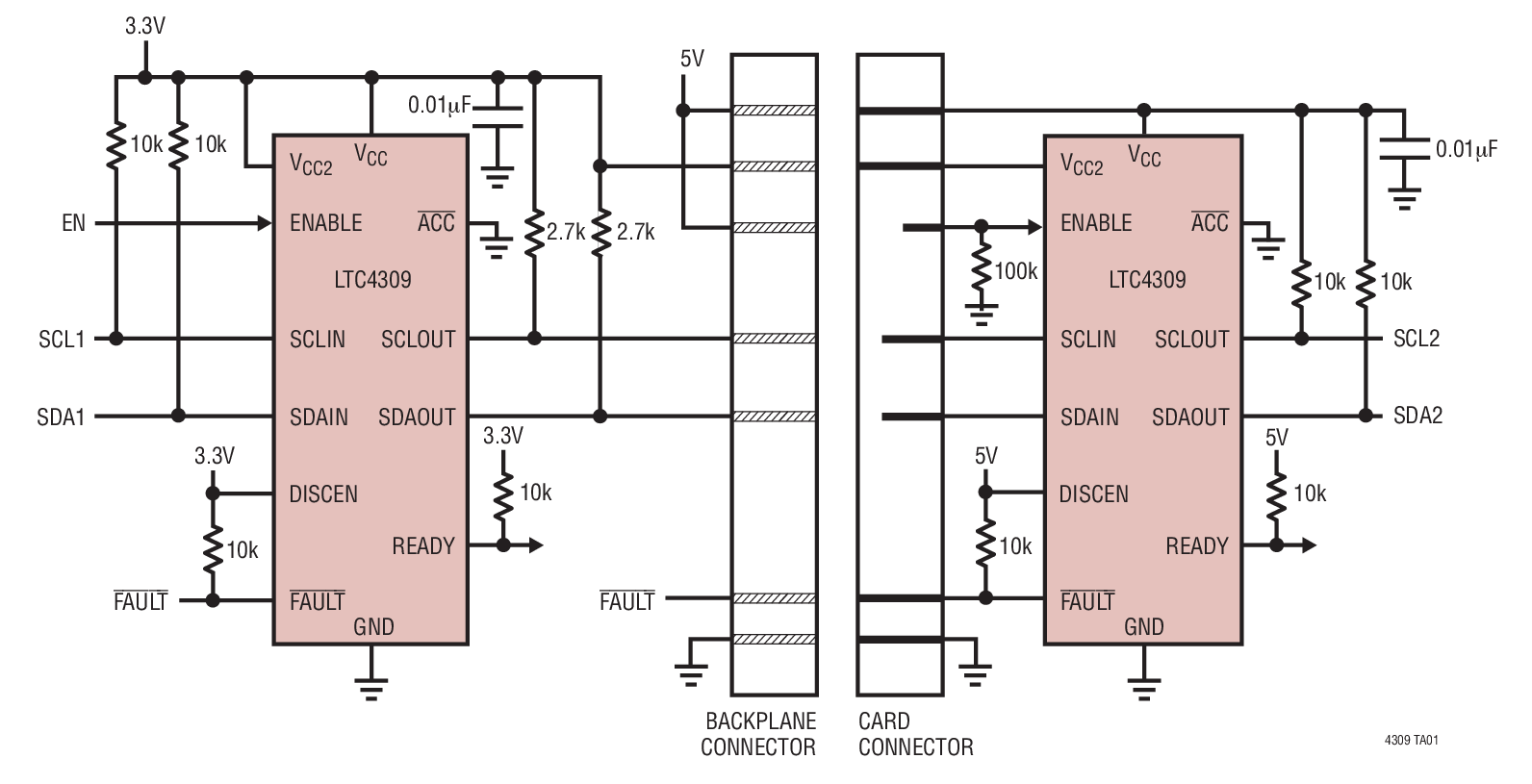
ホットスワップ可能2線バス・バッファLTC4309は、データ・バスやクロック・バスの損傷なしに、電源の入ったバックプレーンへのI/Oカードの挿入を可能にします。LTC4309は双方向バッファリングを行い、バックプレーン容量とカード容量を絶縁状態に保持します。低いオフセットと高いVOL許容誤差により、クロック・バスとデータ・バス上に複数のデバイスをカスケード接続することができます。SDAOUT またはSCLOUT が30ms の期間“L”の場合、FAULTが“L”になり、スタックバス“L”状態を示します。DISCENが“H”に接続されると、LTC4309 は自動的にバス接続を遮断し、最大16 のクロックパルスと1つのストップ・ビットを生成して、バスの解放を試みます。スタックバス状態が解除されると、接続が回復します。DISCENがGNDに接続されると、バスは接続されたままで、クロックやストップ・ビットは生成されません。ACC入力により、高容量負荷バス用の立ち上がり時間アクセラレータをイネーブルします。
挿入時は、SDAラインとSCLラインが1Vにプリチャージされるので、バス障害を最小限に抑えることができます。ENABLE入力が“H”になると、ストップ・ビットまたはバス・アイドルが検知された後に接続することができます。ENABLEが“L”になると、SDAINとSDAOUTおよびSCLINとSCLOUTの接続が絶たれます。READYは、バックプレーン側とカード側が接続されていることを知らせるオープンドレイン出力です。
アプリケーション
- ボードの活線挿入
- サーバ
- 容量バッファ/バス・エクステンダ
- RAIDシステム
- ATCA
ドキュメント
データシート 2
信頼性データ 1
技術記事 1
ビデオ 3
製品セレクタ・カード 2
プレス・リリース 1
| 製品モデル | ピン/パッケージ図 | 資料 | CADシンボル、フットプリント、および3Dモデル |
|---|---|---|---|
| LTC4309CDE#PBF | 12-Lead DFN (4mm x 3mm w/ EP) | ||
| LTC4309CDE#TRPBF | 12-Lead DFN (4mm x 3mm w/ EP) | ||
| LTC4309CGN#PBF | 16-Lead SSOP (Narrow 0.15 Inch) | ||
| LTC4309CGN#TRPBF | 16-Lead SSOP (Narrow 0.15 Inch) | ||
| LTC4309IDE#PBF | 12-Lead DFN (4mm x 3mm w/ EP) | ||
| LTC4309IDE#TRPBF | 12-Lead DFN (4mm x 3mm w/ EP) | ||
| LTC4309IGN#PBF | 16-Lead SSOP (Narrow 0.15 Inch) | ||
| LTC4309IGN#TRPBF | 16-Lead SSOP (Narrow 0.15 Inch) |
| 製品モデル | 製品ライフサイクル | PCN |
|---|---|---|
|
6 30, 2020 - 20_0244 Notification of Wafer Fab Location Change for 0.6µm CMOS Process Devices from ADI Milpitas (Hillview) to Vanguard Int. (Taiwan) |
||
| LTC4309CDE#PBF | 製造中 | |
| LTC4309CDE#TRPBF | 製造中 | |
| LTC4309CGN#PBF | 製造中 | |
| LTC4309CGN#TRPBF | 製造中 | |
| LTC4309IDE#PBF | 製造中 | |
| LTC4309IDE#TRPBF | 製造中 | |
| LTC4309IGN#PBF | 製造中 | |
| LTC4309IGN#TRPBF | 製造中 | |
|
10 3, 2024 - 24_0235 (QSOP/SSOP PKG) Migrating Bottom Trace Code Marking to Top Side Laser Marking |
||
| LTC4309CGN#PBF | 製造中 | |
| LTC4309CGN#TRPBF | 製造中 | |
| LTC4309IGN#PBF | 製造中 | |
| LTC4309IGN#TRPBF | 製造中 | |
|
10 11, 2022 - 22_0235 Epoxy Change from Henkel 8290 to 8290A for GN Package |
||
| LTC4309CGN#PBF | 製造中 | |
| LTC4309CGN#TRPBF | 製造中 | |
| LTC4309IGN#PBF | 製造中 | |
| LTC4309IGN#TRPBF | 製造中 | |
|
4 6, 2022 - 22_0066 Laser Top Mark for 16QSOP Assembled in ADPG [PNG] |
||
| LTC4309CGN#PBF | 製造中 | |
| LTC4309CGN#TRPBF | 製造中 | |
| LTC4309IGN#PBF | 製造中 | |
| LTC4309IGN#TRPBF | 製造中 | |
これは最新改訂バージョンのデータシートです。