LTC4235

新規設計に推奨

デュアル12V理想ダイオードOR回路および電流モニタ内蔵のシングルHot Swapコントローラ

利用上の注意

本データシートの英語以外の言語への翻訳はユーザの便宜のために提供されるものであり、リビジョンが古い場合があります。最新の内容については、必ず最新の英語版をご参照ください。

なお、日本語版のデータシートは基本的に「Rev.0」(リビジョン0)で作成されています。そのため、英語版が後に改訂され、複数製品のデータシートがひとつに統一された場合、同じ「Rev.0」の日本語版のデータシートが異なる製品のデータシートとして表示されることがあります。たとえば、「ADM3307E」の場合、日本語データシートをクリックすると「ADM3311E」が表示されます。これは、英語版のデータシートが複数の製品で共有できるように1本化され、「ADM3307E/ADM3310E/ADM3311E/ADM3312E/ADM3315E」(Rev.J)と改訂されたからで、決して誤ってリンクが張られているわけではありません。和文化されたデータシートを少しでも有効に活用していただくためにこのような方法をとっておりますので、ご了解ください。

アナログ・デバイセズ社は、提供する情報が正確で信頼できるものであることを期していますが、その情報の利用に関して、あるいはその利用によって生じる第三者の特許やその他の権利の侵害に関して一切の責任を負いません。また、アナログ・デバイセズ社の特許または特許の権利の使用を明示的または暗示的に許諾するものでもありません。仕様は予告なしに変更する場合があります。本紙記載の商標および登録商標は、各社の所有に属します。

Viewing:

製品情報

  • 冗長電源の理想ダイオードOR制御および突入電流の制御
  • パワー・ショットキ・ダイオードを低損失で置き換え
  • 通電中のバックプレーンへの安全な基板挿入が可能
  • 動作電圧範囲:9V~14V
  • 電流モニタ出力
  • NチャネルMOSFETを制御
  • ピーク・フォルト電流を1μs以内に制限
  • フォールドバック特性の調整可能な電流制限
  • 調整可能な電流制限フォルト遅延時間
  • 理想ダイオードのターンオン時間およびターンオフ時間:0.5μs
  • 発振のないスムーズな切り替え
  • フォルト出力およびパワーグッド出力
  • LTC4235-1:フォルト発生後にラッチオフ
  • LTC4235-2:フォルト発生後に自動再試行
  • 20ピン4mm×5mm QFNパッケージ

LTC4235は、外付けのNチャネルMOSFETを制御することにより、2つの12V電源レールに対して理想ダイオードOR機能およびHot Swap機能を実現します。理想ダイオードとして機能するMOSFETは、2つの大電力ショットキ・ダイオードと付随するヒートシンクを置き換えるので、消費電力と基板面積を抑えることができます。活線挿抜制御のMOSFETを使用すると、突入電流を制限することにより、通電状態のバックプレーンで基板を安全に抜き差しすることができます。電源の出力は、フォールドバック電流制限回路と回路ブレーカにより、短絡フォルトからも保護されます。

LTC4235は、MOSFET両端の順方向電圧降下を制御して、発振のない状態で一方の電源から他方の電源へ電流が滑らかに切り替わるようにします。理想ダイオードは、迅速にオンすることにより、電源切り替え時の負荷の電圧低下を抑えます。入力電源が故障した場合や短絡した場合は、高速ターンオフによって逆方向電流トランジェントが最小限に抑えられます。

電流検出アンプは、検出抵抗両端の電圧をグランドを基準にした信号に変換します。LTC4235はオン/オフ制御が可能であり、電源のフォルト・ステータスおよびパワーグッド・ステータスを通知します。


アプリケーション

  • 冗長電源
  • 高可用性システムおよびサーバ
  • 通信機器およびネットワークのインフラ

LTC4235
デュアル12V理想ダイオードOR回路および電流モニタ内蔵のシングルHot Swapコントローラ
Ideal Diode-OR with Hot Swap Application Smooth Supply Switchover Product Package 1
myAnalogに追加

myAnalogの製品セクション(通知受け取り)、既存/新規プロジェクトに製品を追加する。

新規プロジェクトを作成
質問する
サポート

アナログ・デバイセズのサポート・ページはアナログ・デバイセズへのあらゆるご質問にお答えするワンストップ・ポータルです。


ドキュメント

データシート

これは最新改訂バージョンのデータシートです。

さらに詳しく
myAnalogに追加

myAnalogのリソース・セクション、既存/新規プロジェクトにメディアを追加する。

新規プロジェクトを作成

ソフトウェア・リソース

必要なソフトウェア/ドライバが見つかりませんか?

ドライバ/ソフトウェアをリクエスト

ハードウェア・エコシステム

製品モデル 製品ライフサイクル 詳細
LTC4227 新規設計に推奨 デュアル理想ダイオードおよびシングルHot Swapコントローラ
LTC4236 新規設計に推奨 電流モニタ機能を備えたデュアル理想ダイオードOR回路およびシングルHot Swapコントローラ
Modal heading
myAnalogに追加

myAnalogの製品セクション(通知受け取り)、既存/新規プロジェクトに製品を追加する。

新規プロジェクトを作成

ツールおよびシミュレーション

LTspice


下記製品はLTspiceで使用することが出来ます。:

  • LTC4235-1
  • LTC4235-2
LTspice

LTspice®は、無料で提供される強力で高速な回路シミュレータと回路図入力、波形ビューワに改善を加え、アナログ回路のシミュレーションを容易にするためのモデルを搭載しています。

 


評価用キット

eval board
DC2315A-B

LTC4235-2 Demo Board | Dual 12V Ideal Diode-OR & Single Hot Swap Controller with Current Monitor, Auto-Retry

製品詳細

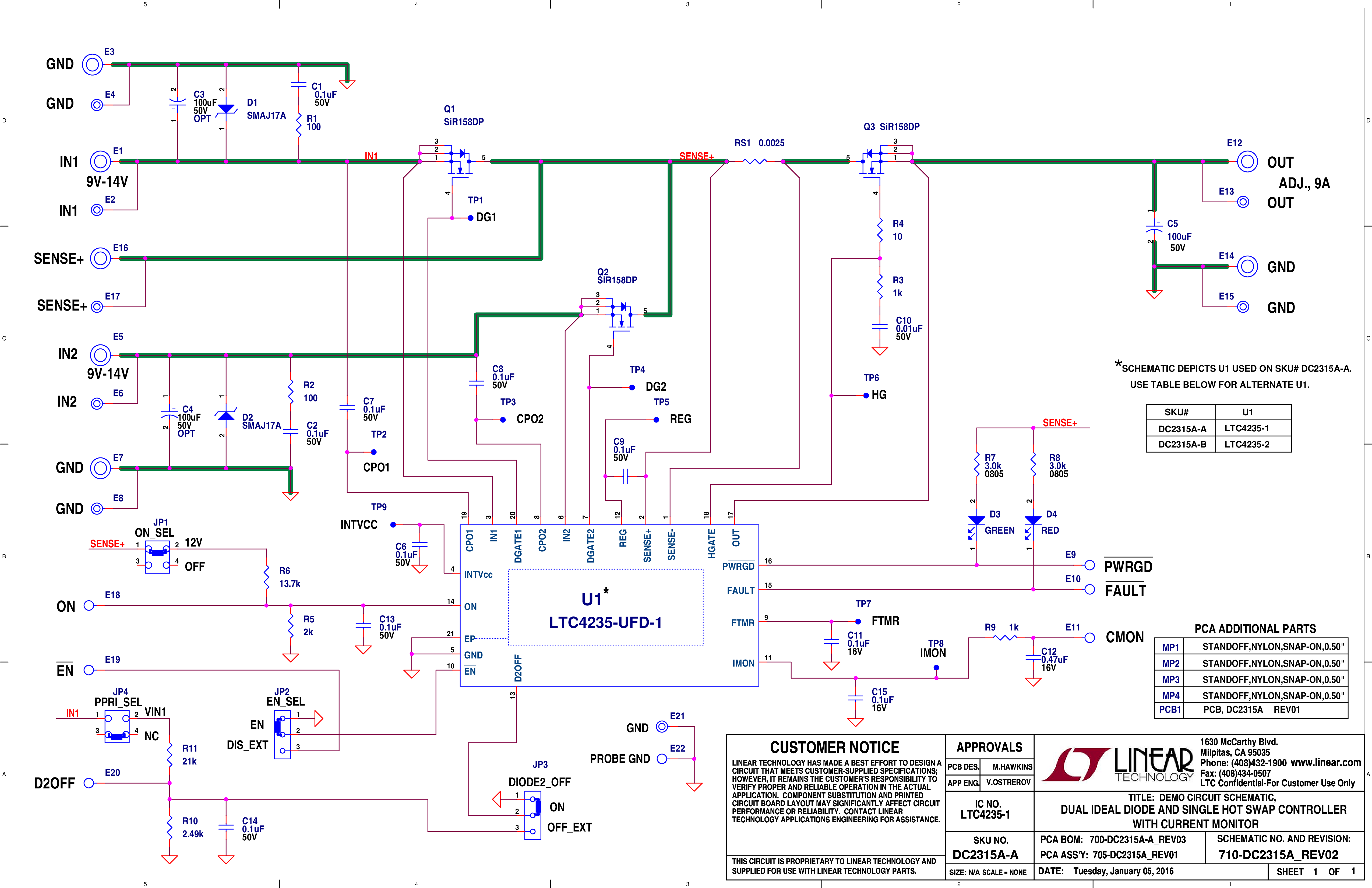
Demonstration circuit 2315A is intended to demonstrate the performance of the LTC4235-1/LTC4235-2 Dual 12V Ideal Diode-OR and Single Hot Swap™ Controller with Current Monitor. The controller operates in redundant 12V supply circuits, where each rail has an individual ideal diode, and the outputs are connected to the load through a single Hot Swap circuit. The controller enables monitoring of the load current by providing a signal that is 100× the sense resistor voltage.


 


eval board
DC2315A-A

LTC4235-1 Demo Board | Dual 12V Ideal Diode-OR & Single Hot Swap Controller with Current Monitor, Latch-Off

製品詳細

Demonstration circuit 2315A is intended to demonstrate the performance of the LTC4235-1/LTC4235-2 Dual 12V Ideal Diode-OR and Single Hot Swap™ Controller with Current Monitor. The controller operates in redundant 12V supply circuits, where each rail has an individual ideal diode, and the outputs are connected to the load through a single Hot Swap circuit. The controller enables monitoring of the load current by providing a signal that is 100× the sense resistor voltage.

DC2315A-B
LTC4235-2 Demo Board | Dual 12V Ideal Diode-OR & Single Hot Swap Controller with Current Monitor, Auto-Retry
DC2315A - Schematic
DC2315A-A
LTC4235-1 Demo Board | Dual 12V Ideal Diode-OR & Single Hot Swap Controller with Current Monitor, Latch-Off
DC2315A - Schematic

最新のディスカッション

最近表示した製品