製品概要
製品概要
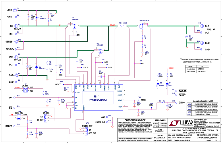
Demonstration circuit 2315A is intended to demonstrate the performance of the LTC4235-1/LTC4235-2 Dual 12V Ideal Diode-OR and Single Hot Swap™ Controller with Current Monitor. The controller operates in redundant 12V supply circuits, where each rail has an individual ideal diode, and the outputs are connected to the load through a single Hot Swap circuit. The controller enables monitoring of the load current by providing a signal that is 100× the sense resistor voltage.
対象となる製品
関連資料
-
Hot Swap Controllers2023/08/02PDF0 M
-
DC2315A - Schematic2016/01/12PDF54K
-
DC2315A - Demo Manual2016/01/12PDF249K
-
DC2315A - Design Files2016/04/21ZIP1M
