LTC4150

製造中

クーロン・カウンタ/バッテリ・ガスゲージ

利用上の注意

本データシートの英語以外の言語への翻訳はユーザの便宜のために提供されるものであり、リビジョンが古い場合があります。最新の内容については、必ず最新の英語版をご参照ください。

なお、日本語版のデータシートは基本的に「Rev.0」(リビジョン0)で作成されています。そのため、英語版が後に改訂され、複数製品のデータシートがひとつに統一された場合、同じ「Rev.0」の日本語版のデータシートが異なる製品のデータシートとして表示されることがあります。たとえば、「ADM3307E」の場合、日本語データシートをクリックすると「ADM3311E」が表示されます。これは、英語版のデータシートが複数の製品で共有できるように1本化され、「ADM3307E/ADM3310E/ADM3311E/ADM3312E/ADM3315E」(Rev.J)と改訂されたからで、決して誤ってリンクが張られているわけではありません。和文化されたデータシートを少しでも有効に活用していただくためにこのような方法をとっておりますので、ご了解ください。

アナログ・デバイセズ社は、提供する情報が正確で信頼できるものであることを期していますが、その情報の利用に関して、あるいはその利用によって生じる第三者の特許やその他の権利の侵害に関して一切の責任を負いません。また、アナログ・デバイセズ社の特許または特許の権利の使用を明示的または暗示的に許諾するものでもありません。仕様は予告なしに変更する場合があります。本紙記載の商標および登録商標は、各社の所有に属します。

Viewing:

製品情報

  • 充電量と極性を表示
  • ±50mVのセンス電圧範囲
  • 高精度タイマ・コンデンサや水晶発振器が不要
  • 2.7V~8.5V動作
  • ハイサイド・センス
  • 32.55Hz/Vの充電カウント周波数
  • 1.5μAのシャットダウン電流
  • 10ピンMSOPパッケージ

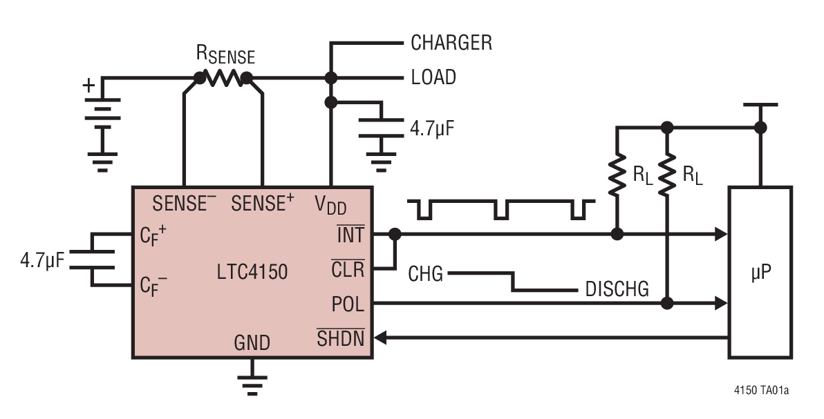
LTC4150は、ハンドヘルドPCや携帯製品アプリケーションにおいてバッテリの消耗と充電を測定します。このデバイスはバッテリの正端子とバッテリの負荷またはチャージャの間に接続された外付けセンス抵抗を流れる電流をモニタします。電圧-周波数コンバータが電流センス電圧を一連のパルスに変換し、割り込みピンから出力します。これらのパルスは、バッテリに出入りする充電電流の固定量に相当します。また、このデバイスは、バッテリの消耗時または充電時に充電極性を知らせます。

LTC4150は、1セルまたは2セルのリチウムイオン、および3セル~6セルのNiCdまたはNiMHアプリケーションに使用できます。


アプリケーション

  • バッテリ・チャージャ
  • パームトップ・コンピュータやPDA
  • 携帯電話やワイヤレス・モデム

LTC4150
クーロン・カウンタ/バッテリ・ガスゲージ
Integral Nonlinearity, % of Full Scale Product Package 1
myAnalogに追加

myAnalogの製品セクション(通知受け取り)、既存/新規プロジェクトに製品を追加する。

新規プロジェクトを作成
質問する
サポート

アナログ・デバイセズのサポート・ページはアナログ・デバイセズへのあらゆるご質問にお答えするワンストップ・ポータルです。


ドキュメント

データシート

これは最新改訂バージョンのデータシートです。

さらに詳しく
myAnalogに追加

myAnalogのリソース・セクション、既存/新規プロジェクトにメディアを追加する。

新規プロジェクトを作成

ソフトウェア・リソース

必要なソフトウェア/ドライバが見つかりませんか?

ドライバ/ソフトウェアをリクエスト

ハードウェア・エコシステム

製品モデル 製品ライフサイクル 詳細
バッテリ・モニタ & 残量ゲージ 2
LTC2942 新規設計には非推奨 温度および電圧測定付きバッテリ・ガスゲージ
LTC2943 新規設計には非推奨 温度、電圧、電流を測定するマルチセル・バッテリ・ガスゲージ
Modal heading
myAnalogに追加

myAnalogの製品セクション(通知受け取り)、既存/新規プロジェクトに製品を追加する。

新規プロジェクトを作成

ツールおよびシミュレーション

LTspice


下記製品はLTspiceで使用することが出来ます。:

  • LTC4150
LTspice

LTspice®は、無料で提供される強力で高速な回路シミュレータと回路図入力、波形ビューワに改善を加え、アナログ回路のシミュレーションを容易にするためのモデルを搭載しています。

 


評価用キット

eval board
DC756A

LTC4150CMS | Coulomb Counter/Battery Gas Gauge (requires DC590 Controller)

製品詳細

DC756A: Demo Board for the LTC4150 Coulomb Counter/Battery Gas Gauge.


 


DC756A
LTC4150CMS | Coulomb Counter/Battery Gas Gauge (requires DC590 Controller)
DC756A Demo Board DC756A Demo Board DC756A Demo Board DC756A Demo Board DC756A - Schematic

最新のディスカッション

最近表示した製品