LTC3862-1
製造中マルチフェーズ電流モード昇圧DC/DCコントローラ
- 製品モデル
- 18
- 1Ku当たりの価格
- 最低価格:$4.54
製品情報
- 広い入力電圧範囲:動作電圧範囲:8.5V~36V
- 2フェーズ動作により入出力容量を低減
- 固定周波数、ピーク電流モード制御
- 高電圧MOSFETのゲート駆動電圧:10V
- 調整可能なスロープ補償利得
- 調整可能な最大デューティサイクル(最大96%)
- 調整可能なリーディングエッジ・ブランキング
- ±1%精度の内部電圧リファレンス
- 1本の外付け抵抗でプログラム可能な動作周波数:75kHz~500kHz
- 位相同期可能な固定周波数(50kHz~650kHz)
- SYNC入力およびCLKOUTにより、2、3、4、6、または12相動作に対応(PHASEMODEでプログラム可能)
- 内部10V LDOレギュレータ
- 24ピン細型SSOPパッケージ
- リードピッチが0.65mmの5mm×5mm QFNパッケージ
- 熱特性が改善された24ピンTSSOPパッケージ
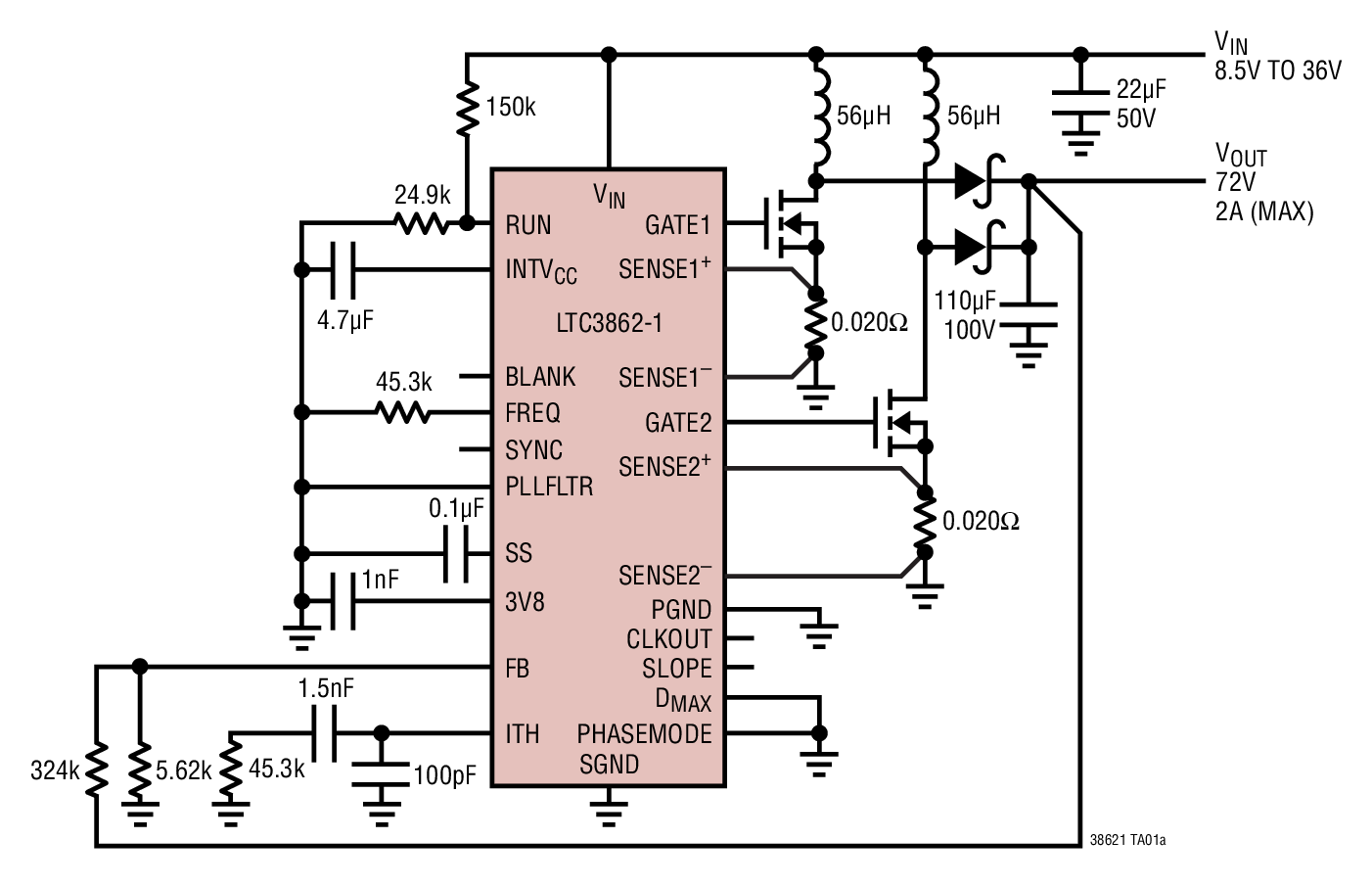
LTC3862-1は、NチャネルパワーMOSFETを駆動する2相固定周波数電流モード昇圧およびSEPICコントローラです。2相動作により、システムのフィルタリング容量とインダクタンスの要件が軽減されます。
動作周波数は1本の外付け抵抗により75kHz~500kHzの範囲で設定できますが、内部PLLを使用して外部クロックに同期させることもできます。SYNC入力、CLKOUT出力、およびPHASEMODE制御ピンを使用して、2、3、4、6、12相のマルチフェーズ動作が可能です。
この他の特長は、ゲート・ドライバの低電圧ロックアウト保護機能を備えた内部10V LDO、ヒステリシスをプログラム可能な高精度のRUNピンしきい値、ソフトスタート、プログラム可能なリーディングエッジ・ブランキングと最大デューティ・サイクルなどです。
| 製品番号 | VIN 範囲 | INTVCC | Vinオン | Vinオフ |
| LTC3862 | 4V ~ 36V | 5V | 3.3V | 2.9V |
| LTC3862-1 | 8.5V ~ 36V | 10V | 7.5V | 7.0V |
| LTC3862-2 | 5.5V ~ 36V | 10V | 4.4V | 3.9V |
アプリケーション
- 車載、テレコムおよび産業用電源
ドキュメント
データシート 2
信頼性データ 1
ユーザ・ガイド 1
技術記事 1
| 製品モデル | ピン/パッケージ図 | 資料 | CADシンボル、フットプリント、および3Dモデル |
|---|---|---|---|
| LTC3862EFE-1#PBF | 24-Lead TSSOP w/ EP | ||
| LTC3862EFE-1#TRPBF | 24-Lead TSSOP w/ EP | ||
| LTC3862EGN-1#PBF | 24-Lead SSOP (Narrow 0.15 Inch) | ||
| LTC3862EGN-1#TRPBF | 24-Lead SSOP (Narrow 0.15 Inch) | ||
| LTC3862EUH-1#PBF | 24-Lead QFN (5mm x 5mm x 0.75mm w/ EP) | ||
| LTC3862EUH-1#TRPBF | 24-Lead QFN (5mm x 5mm x 0.75mm w/ EP) | ||
| LTC3862HFE-1#PBF | 24-Lead TSSOP w/ EP | ||
| LTC3862HFE-1#TRPBF | 24-Lead TSSOP w/ EP | ||
| LTC3862HGN-1#PBF | 24-Lead SSOP (Narrow 0.15 Inch) | ||
| LTC3862HGN-1#TRPBF | 24-Lead SSOP (Narrow 0.15 Inch) | ||
| LTC3862HUH-1#PBF | 24-Lead QFN (5mm x 5mm x 0.75mm w/ EP) | ||
| LTC3862HUH-1#TRPBF | 24-Lead QFN (5mm x 5mm x 0.75mm w/ EP) | ||
| LTC3862IFE-1#PBF | 24-Lead TSSOP w/ EP | ||
| LTC3862IFE-1#TRPBF | 24-Lead TSSOP w/ EP | ||
| LTC3862IGN-1#PBF | 24-Lead SSOP (Narrow 0.15 Inch) | ||
| LTC3862IGN-1#TRPBF | 24-Lead SSOP (Narrow 0.15 Inch) | ||
| LTC3862IUH-1#PBF | 24-Lead QFN (5mm x 5mm x 0.75mm w/ EP) | ||
| LTC3862IUH-1#TRPBF | 24-Lead QFN (5mm x 5mm x 0.75mm w/ EP) |
| 製品モデル | 製品ライフサイクル | PCN |
|---|---|---|
|
2 14, 2025 - 25_0016 Bond Wire Change from Gold to Copper Wire (Notification Only) |
||
| LTC3862EFE-1#PBF | 製造中 | |
| LTC3862EFE-1#TRPBF | 製造中 | |
| LTC3862EUH-1#PBF | 製造中 | |
| LTC3862EUH-1#TRPBF | 製造中 | |
| LTC3862HUH-1#PBF | 製造中 | |
| LTC3862HUH-1#TRPBF | 製造中 | |
| LTC3862IFE-1#PBF | 製造中 | |
| LTC3862IFE-1#TRPBF | 製造中 | |
| LTC3862IUH-1#PBF | 製造中 | |
| LTC3862IUH-1#TRPBF | 製造中 | |
|
4 6, 2022 - 22_0068 Laser Top Mark for ETSSOP and TSSOP Packages Assembled in ADPG [PNG] and UTL |
||
| LTC3862EFE-1#PBF | 製造中 | |
| LTC3862EFE-1#TRPBF | 製造中 | |
| LTC3862HFE-1#PBF | 製造中 | |
| LTC3862HFE-1#TRPBF | 製造中 | |
| LTC3862IFE-1#PBF | 製造中 | |
| LTC3862IFE-1#TRPBF | 製造中 | |
|
8 10, 2022 - 22_0177 Laser Top Mark Conversion for QSOP20_24_28 Assembled in ADPG [PNG] and UTL |
||
| LTC3862EGN-1#PBF | 製造中 | |
| LTC3862EGN-1#TRPBF | 製造中 | |
| LTC3862HGN-1#PBF | 製造中 | |
| LTC3862HGN-1#TRPBF | 製造中 | |
| LTC3862IGN-1#PBF | 製造中 | |
| LTC3862IGN-1#TRPBF | 製造中 | |
|
4 9, 2025 - 25_0016 Bond Wire Change from Gold to Copper Wire (Notification Only) |
||
| LTC3862HFE-1#PBF | 製造中 | |
| LTC3862HFE-1#TRPBF | 製造中 | |
これは最新改訂バージョンのデータシートです。
ソフトウェア・リソース
必要なソフトウェア/ドライバが見つかりませんか?
ドライバ/ソフトウェアをリクエストハードウェア・エコシステム
ツールおよびシミュレーション
LTspice 1
下記製品はLTspiceで使用することが出来ます。:
- LTC3862
- LTC3862-1
- LTC3862-2
LTpowerCAD 1
次のデバイス用の設計ツールがLTpowerCADでご使用になれます。
- LTC3862
- LTC3862-1
- LTC3862-2
LTspice®は、無料で提供される強力で高速な回路シミュレータと回路図入力、波形ビューワに改善を加え、アナログ回路のシミュレーションを容易にするためのモデルを搭載しています。
LTpowerCAD®は、電力段のデバイスの選択、詳細な電力効率の提供、ループのボーデ線図の安定性および負荷過渡応答解析の敏速な表示などを行うと共に、シミュレーション用にLTspiceにエクスポートできる電源設計プログラムです。
評価用キット
最新のディスカッション
LTC3862-1に関するディスカッションはまだありません。意見を投稿しますか?
EngineerZone®でディスカッションを始める