LTC3851A-1
製造中同期整流式降圧スイッチング・レギュレータ・コントローラ
- 製品モデル
- 12
- 1Ku当たりの価格
- 最低価格:$2.09
製品情報
- 広いVIN範囲:4V~38V動作
- RSENSEまたはDCRによる電流検出
- ±1%の出力電圧精度
- パワーグッド出力電圧モニタ
- フェーズロック可能な固定周波数:250kHz~750kHz
- デュアルNチャネルMOSFET同期ドライブ
- 低損失動作:99%デューティサイクル
- 出力電圧のソフトスタートまたはトラッキングを調整可能
- 出力電流フォールドバック制限
- 出力過電圧保護
- OPTI-LOOP®補償により、COUTを最小化
- 軽負荷時に連続動作、パルス・スキップ動作、BurstMode®動作のいずれかを選択可能
- シャットダウン時の低消費電流:20μA
- VOUT範囲:0.8V~5.5V
- 熱特性が改善された16ピンMSOPまたは3mm×3mm QFNパッケージ
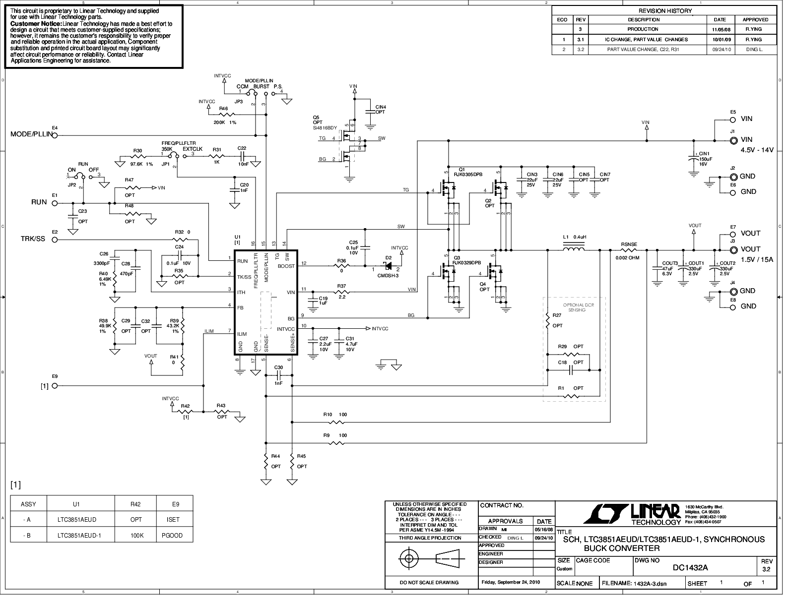
LTC3851A-1は、すべてNチャネルの同期パワーMOSFET段をドライブする、高性能な同期整流式降圧スイッチング・レギュレータ・コントローラです。固定周波数電流モード・アーキテクチャにより、最大750kHzまでの周波数にフェーズロック可能です。
OPTI-LOOP補償により、広範な出力容量とESR値に対して過渡応答の最適化を図ることができます。LTC3851A-1は高精度の0.8Vリファレンスとパワーグッド・インジケータを搭載しています。4V~38V(絶対最大定格40V)の広い入力電源範囲により、ほとんどのバッテリ構成や中間バス電圧に対応できます。
TK/SSピンにより、同時または比例トラッキングを使用して、起動時およびシャットダウン時に出力電圧をランプします。また、電流フォールドバックによって、短絡時のMOSFETの熱損失を制限します。MODE/PLLINピンを使用して、軽負荷時にBurst Mode動作、パルス・スキップ・モード、連続インダクタ電流モードのいずれかを選択することができます。また、このピンにより、デバイスを外部クロックに同期させることが可能です。内蔵のPLLは、LTC3851-1のものに改善が加えられています。
LTC3851A-1は、ILIMピンがPGOODピンに置換されている以外は、LTC3851Aと同一です。
| Features | |
| LTC3851 | Not Recommended For New Designs |
| LTC3851-1 | Not Recommended For New Designs |
| LTC3851A | Adjustable Current Limit |
| LTC3851A-1 | PGOOD Output |
アプリケーション
- 車載システム
- テレコム・システム
- 産業用機器
- DC配電システム
ドキュメント
データシート 2
信頼性データ 1
ユーザ・ガイド 1
アプリケーション・ノート 1
| 製品モデル | ピン/パッケージ図 | 資料 | CADシンボル、フットプリント、および3Dモデル |
|---|---|---|---|
| LTC3851AEMSE-1#PBF | 16-Lead MSOP w/ EP | ||
| LTC3851AEMSE-1#TRPBF | 16-Lead MSOP w/ EP | ||
| LTC3851AEUD-1#PBF | 16-Lead QFN (3mm x 3mm x 0.75mm w/ EP) | ||
| LTC3851AEUD-1#TRPBF | 16-Lead QFN (3mm x 3mm x 0.75mm w/ EP) | ||
| LTC3851AHMSE-1#PBF | 16-Lead MSOP w/ EP | ||
| LTC3851AHMSE-1#TRPBF | 16-Lead MSOP w/ EP | ||
| LTC3851AIMSE-1#PBF | 16-Lead MSOP w/ EP | ||
| LTC3851AIMSE-1#TRPBF | 16-Lead MSOP w/ EP | ||
| LTC3851AIUD-1#PBF | 16-Lead QFN (3mm x 3mm x 0.75mm w/ EP) | ||
| LTC3851AIUD-1#TRPBF | 16-Lead QFN (3mm x 3mm x 0.75mm w/ EP) | ||
| LTC3851AMPMSE-1#PBF | 16-Lead MSOP w/ EP | ||
| LTC3851AMPMSE-1#TRPBF | 16-Lead MSOP w/ EP |
| 製品モデル | 製品ライフサイクル | PCN |
|---|---|---|
|
10 11, 2022 - 22_0244 Epoxy Change from Henkel 8290 to 8290A for MSOP Package |
||
| LTC3851AEMSE-1#PBF | 製造中 | |
| LTC3851AEMSE-1#TRPBF | 製造中 | |
| LTC3851AHMSE-1#PBF | 製造中 | |
| LTC3851AHMSE-1#TRPBF | 製造中 | |
| LTC3851AIMSE-1#PBF | 製造中 | |
| LTC3851AIMSE-1#TRPBF | 製造中 | |
| LTC3851AMPMSE-1#PBF | 製造中 | |
| LTC3851AMPMSE-1#TRPBF | 製造中 | |
|
11 8, 2021 - 20_0245 Notification of Wafer Fab Location Change for 0.6µm BICMOS Process Devices from ADI Milpitas (Hillview) to Vanguard Int. (Taiwan) |
||
| LTC3851AEMSE-1#PBF | 製造中 | |
| LTC3851AEMSE-1#TRPBF | 製造中 | |
| LTC3851AEUD-1#PBF | 製造中 | |
| LTC3851AEUD-1#TRPBF | 製造中 | |
| LTC3851AHMSE-1#PBF | 製造中 | |
| LTC3851AHMSE-1#TRPBF | 製造中 | |
| LTC3851AIMSE-1#PBF | 製造中 | |
| LTC3851AIMSE-1#TRPBF | 製造中 | |
| LTC3851AIUD-1#PBF | 製造中 | |
| LTC3851AIUD-1#TRPBF | 製造中 | |
| LTC3851AMPMSE-1#PBF | 製造中 | |
| LTC3851AMPMSE-1#TRPBF | 製造中 | |
|
2 4, 2020 - 20_0132 Laser Top Mark for 16-Lead MSOP Packages Assembled in ADPG and UTAC |
||
| LTC3851AEMSE-1#PBF | 製造中 | |
| LTC3851AEMSE-1#TRPBF | 製造中 | |
| LTC3851AHMSE-1#PBF | 製造中 | |
| LTC3851AHMSE-1#TRPBF | 製造中 | |
| LTC3851AIMSE-1#PBF | 製造中 | |
| LTC3851AIMSE-1#TRPBF | 製造中 | |
| LTC3851AMPMSE-1#PBF | 製造中 | |
| LTC3851AMPMSE-1#TRPBF | 製造中 | |
|
4 18, 2022 - 22_0050 UTAC Thai Limited (UTL) as Alternate Assembly Site for MSOP Packages / Devices |
||
| LTC3851AIMSE-1#PBF | 製造中 | |
| LTC3851AIMSE-1#TRPBF | 製造中 | |
これは最新改訂バージョンのデータシートです。
ソフトウェア・リソース
必要なソフトウェア/ドライバが見つかりませんか?
ドライバ/ソフトウェアをリクエストハードウェア・エコシステム
ツールおよびシミュレーション
LTspice 1
下記製品はLTspiceで使用することが出来ます。:
- LTC3851
- LTC3851-1
- LTC3851A
- LTC3851A-1
LTpowerCAD 2
- LTC3851A-1 Project - Synchronous Step-Down Switching Supply with Inductor DCR Current Sensing (4.5-14V to 1.5V @ 15A)
- LTC3851A-1 Project - Synchronous Step-Down Switching Supply with Rsense Current Sensing (4.5-14V to 1.5V @ 15A)
次のデバイス用の設計ツールがLTpowerCADでご使用になれます。
- LTC3851A
- LTC3851A-1
LTspice®は、無料で提供される強力で高速な回路シミュレータと回路図入力、波形ビューワに改善を加え、アナログ回路のシミュレーションを容易にするためのモデルを搭載しています。
LTpowerCAD®は、電力段のデバイスの選択、詳細な電力効率の提供、ループのボーデ線図の安定性および負荷過渡応答解析の敏速な表示などを行うと共に、シミュレーション用にLTspiceにエクスポートできる電源設計プログラムです。
評価用キット
最新のディスカッション
LTC3851A-1に関するディスカッションはまだありません。意見を投稿しますか?
EngineerZone®でディスカッションを始める