製品概要
製品概要
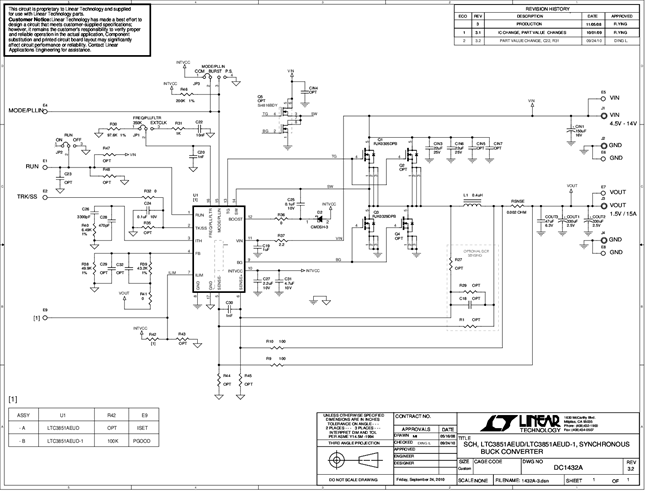
Demonstration circuit 1432A is a synchronous buck controller featuring the LTC3851AEUD/LTC3851AEUD-1. It operates with an input voltage from 4.5V to 14V and provides 1.5V at up to 15A at the output. The demo circuit is available in two versions. DC1432A-A is configured with LTC3851AEUD which provides ISET function, while the DC1432A-B is configured with LTC3851AEUD-1 which provides PGOOD function.
対象となる製品
関連資料
-
DC1432A - Schematic2010/12/21PDF52K
-
DC1432A - Demo Manual2010/12/21PDF234K
-
DC1432A - Design Files2010/12/21ZIP3M
