LTC3208

製造中

ソフトウェアで設定可能な高電流マルチディスプレイLEDコントローラ

利用上の注意

本データシートの英語以外の言語への翻訳はユーザの便宜のために提供されるものであり、リビジョンが古い場合があります。最新の内容については、必ず最新の英語版をご参照ください。

なお、日本語版のデータシートは基本的に「Rev.0」(リビジョン0)で作成されています。そのため、英語版が後に改訂され、複数製品のデータシートがひとつに統一された場合、同じ「Rev.0」の日本語版のデータシートが異なる製品のデータシートとして表示されることがあります。たとえば、「ADM3307E」の場合、日本語データシートをクリックすると「ADM3311E」が表示されます。これは、英語版のデータシートが複数の製品で共有できるように1本化され、「ADM3307E/ADM3310E/ADM3311E/ADM3312E/ADM3315E」(Rev.J)と改訂されたからで、決して誤ってリンクが張られているわけではありません。和文化されたデータシートを少しでも有効に活用していただくためにこのような方法をとっておりますので、ご了解ください。

アナログ・デバイセズ社は、提供する情報が正確で信頼できるものであることを期していますが、その情報の利用に関して、あるいはその利用によって生じる第三者の特許やその他の権利の侵害に関して一切の責任を負いません。また、アナログ・デバイセズ社の特許または特許の権利の使用を明示的または暗示的に許諾するものでもありません。仕様は予告なしに変更する場合があります。本紙記載の商標および登録商標は、各社の所有に属します。

Viewing:

製品情報

  • 1倍、1.5倍、2倍のチャージ・ポンプにより、最大95%の効率を達成
  • 最大1Aの総出力電流
  • メイン、サブ、RGB、カメラおよび補助LEDドライバとして使用可能な17の電流源
  • 2線I2Cインターフェイスを使用してLEDのオン/オフ、輝度、ディスプレイ構成をプログラム可能
  • 低ノイズ固定周波数動作
  • チャージポンプ・モードの自動切換え
  • ソフトスタート機能により、起動時およびモード切換え時に突入電流を制限
  • オープン/短絡LED保護
  • 短絡/熱保護機能
  • メインおよびサブ・ディスプレイ向けに256の輝度をプログラム可能
  • RGBディスプレイ向けに4096色の組み合わせが可能
  • 32ピン(5mm×5mm)QFNプラスチック・パッケージ

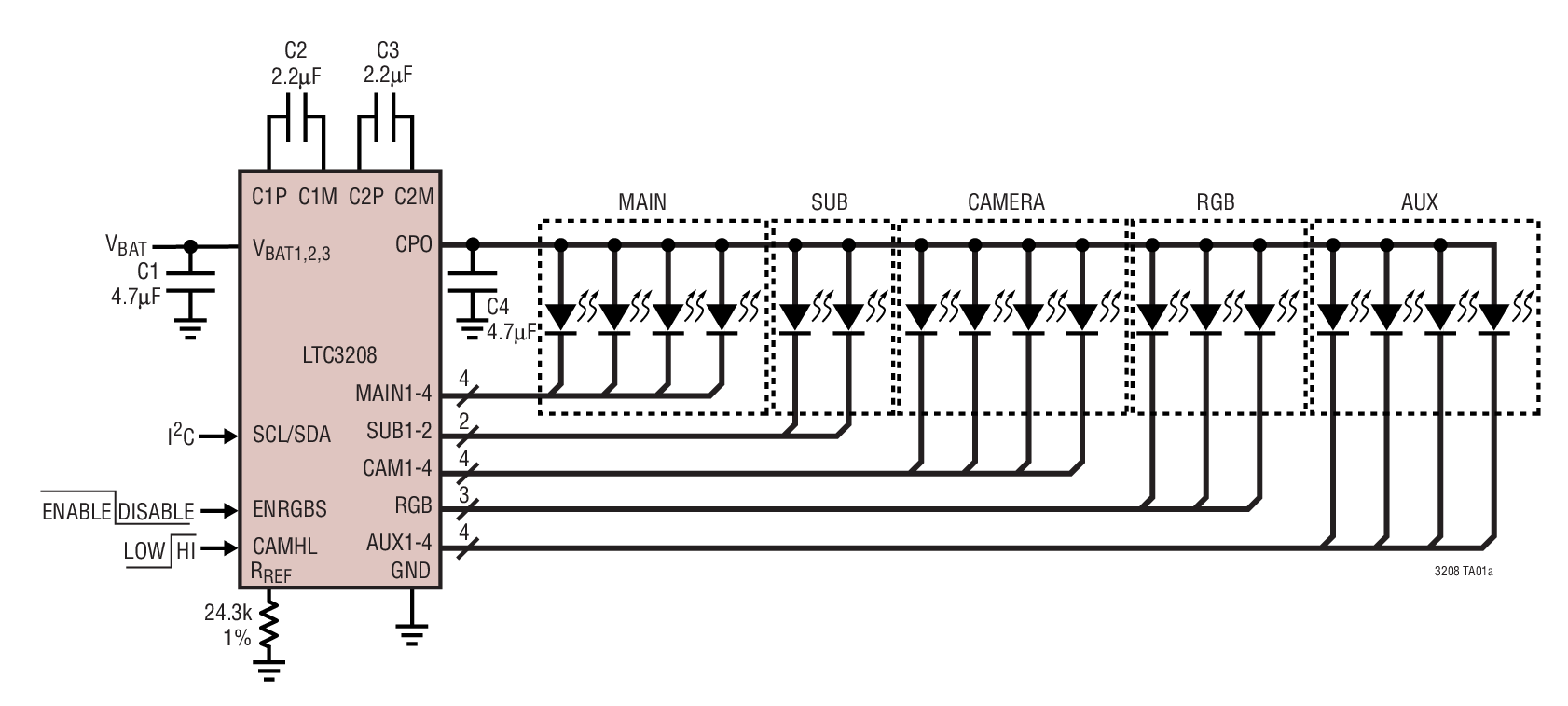
LTC3208は高集積マルチディスプレイLEDコントローラです。このデバイスは高効率の1A低ノイズ・チャージ・ポンプを内蔵し、メイン、サブ、RGB、カメラおよび補助LEDディスプレイに電力を供給します。LTC3208はわずか4個の小型セラミック・コンデンサと1本の電流設定抵抗を使用するだけで、完全なLED電源および電流コントローラを構成します。

 最大ディスプレイ電流は、1本の外付け抵抗で設定されます。各LEDの電流は高精度の内部電流源で制御されます。I2Cシリアル・インターフェイスを介して、すべてのディスプレイの調光とオン/オフを行います。メインおよびサブ・ディスプレイは256の輝度レベルで、RGBおよびカメラ・ディスプレイは16レベルです。また、カメラ、サブ、メインまたは補助のDAC制御ディスプレイに対し、I2Cポートを介して4つの補助電流源を個別に割り当てることができます。

LTC3208のチャージ・ポンプはLED電流源の両端にかかる電圧に基づいて効率を最適化します。このデバイスは1倍モードで起動し、イネーブルされたLED電流源のいずれかがドロップアウト状態になると、自動的に昇圧モードに切り換わります。最初のドロップアウトで1.5倍モードに切り換わり、次のドロップアウトで2倍モードに切り換わります。このデバイスは小型5mm×5mm 32ピンQFNパッケージで供給されます。

LTC3208
ソフトウェアで設定可能な高電流マルチディスプレイLEDコントローラ
4-LED MAIN Display  Efficiency vs Input Voltage Product Package 1
myAnalogに追加

myAnalogの製品セクション(通知受け取り)、既存/新規プロジェクトに製品を追加する。

新規プロジェクトを作成
質問する
サポート

アナログ・デバイセズのサポート・ページはアナログ・デバイセズへのあらゆるご質問にお答えするワンストップ・ポータルです。


ドキュメント

データシート 1

信頼性データ 1

ユーザ・ガイド 1

データシート

これは最新改訂バージョンのデータシートです。

さらに詳しく
myAnalogに追加

myAnalogのリソース・セクション、既存/新規プロジェクトにメディアを追加する。

新規プロジェクトを作成

ソフトウェア・リソース

必要なソフトウェア/ドライバが見つかりませんか?

ドライバ/ソフトウェアをリクエスト

ハードウェア・エコシステム

製品モデル 製品ライフサイクル 詳細
A/Dコンバータ(ADC) 1
LTC2991 新規設計に推奨 I2C インタフェース搭載のオクタル電圧、電流、温度モニタ
レベル変換器 & バッファ 1
LTC4311 製造中 低電圧I2C/SMBusアクセラレータ
Modal heading
myAnalogに追加

myAnalogの製品セクション(通知受け取り)、既存/新規プロジェクトに製品を追加する。

新規プロジェクトを作成

評価用キット

eval board
DC824A

LTC3208 Demo Board | High Current I2C LED Driver

製品詳細

DC824A: Demo Board for the LTC3208 High Current Software Configurable Multidisplay LED Controller.


 


DC824A
LTC3208 Demo Board | High Current I2C LED Driver
DC824A - Schematic

最新のディスカッション

LTC3208に関するディスカッションはまだありません。意見を投稿しますか?

EngineerZone®でディスカッションを始める

最近表示した製品