製品概要
製品概要
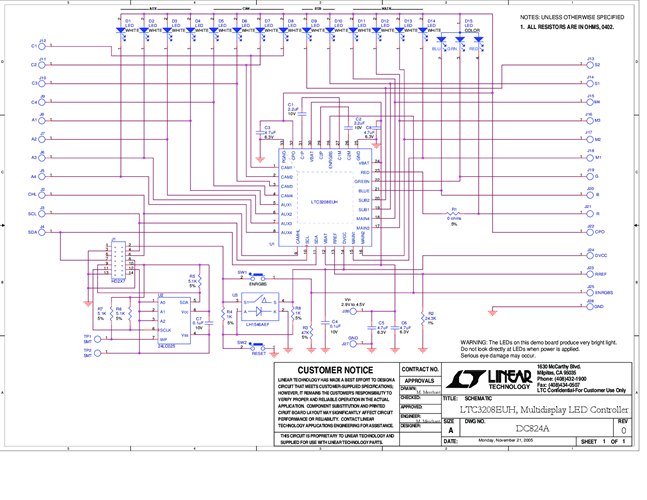
DC824A: Demo Board for the LTC3208 High Current Software Configurable Multidisplay LED Controller.
対象となる製品
関連資料
-
DC824A - Schematic2009/09/24PDF53K
-
DC824A - Demo Manual2009/09/24PDF650K
-
DC824A - Design File2009/09/24ZIP1M
