LTC2480
製造中Easy Drive入力電流キャンセル回路内蔵の16ビットΔΣ A/Dコンバータ
- 製品モデル
- 12
- 1Ku当たりの価格
- 最低価格:$2.25
製品の詳細
- 広い温度範囲:-40°C~125°C
- Easy Drive技術により、差動入力電流がゼロのレール・トゥ・レール入力が可能
- 最高の精度で高インピーダンスのセンサを直接デジタル化
- プログラム可能な利得:1~256
- 入力/リファレンス同相範囲:GND~VCC
- 50Hz、60Hz、または50Hz/60Hz同時の除去モードをプログラム可能
- INL:2ppm (0.25LSB)、欠落コードなし
- オフセット:1ppm、フルスケール誤差:15ppm
- 2倍速モード(内部発振器使用時:15Hz)を選択可能
- 待ち時間なし:デジタル・フィルタにより1サイクル以内に安定化
- 2.7V~5.5Vの単一電源動作
- 内部発振器
- 小型(3mm × 3mm)10ピンDFNパッケージおよび10ピンMSOPパッケージで供給
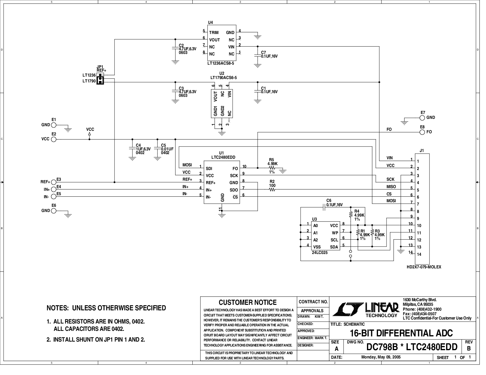
LTC2480は、16ビットの正符号No Latency ΔΣ™アナログ/デジタル・コンバータと特許取得済みのEasy Drive™技術を組み合わせたデバイスです。特許取得済みのサンプリング方式では、差動入力電流を自動的に相殺することにより、動的な入力電流誤差や内蔵バッファの欠点を取り除きます。これにより、大きな外部信号源インピーダンスが可能となり、入力範囲がレール・トゥ・レールの入力信号を直接デジタル化できる一方で、きわめて優れたDC精度を維持できます。
LTC2480は利得を設定可能な回路と発振器を内蔵しています。LTC2480は、利得を1~256まで8段階に設定し、外部信号または内部温度センサを測定して、電源周波数を除去するように構成できます。50Hz、60Hz、または50Hz/60Hz同時の電源周波数除去を選択可能であり、2倍速モードを選択することもできます。
LTC2480では、リファレンス電圧と関係なく、広い同相入力電圧範囲(0V~VCC)が可能です。リファレンスは最小100mVにすることも、VCCに直接接続することもできます。LTC2480は調整済みの発振器を内蔵しているので、水晶発振子や発振器を外付けする必要はありません。オフセットとフルスケールの較正が絶え間なく透過的に行われるので、絶対精度と低ドリフトが自動的に維持されます。
アプリケーション
- ダイレクト・センサ・デジタイザ
- 秤
- 直接温度測定
- 歪みゲージ・トランスジューサ
- 計測機器
- 産業用プロセス制御
- DVMおよびメータ
ドキュメント
データシート 2
信頼性データ 1
ユーザ・ガイド 1
デザイン・ノート 2
技術記事 3
製品セレクタ・カード 2
製品モデル | ピン/パッケージ図 | 資料 | CADシンボル、フットプリント、および3Dモデル |
---|---|---|---|
LTC2480CDD#PBF | LFCSP:LEADFRM CHIP SCALE | ||
LTC2480CDD#TRPBF | LFCSP:LEADFRM CHIP SCALE | ||
LTC2480CMS#PBF | MICRO SOIC | ||
LTC2480CMS#TRPBF | MICRO SOIC | ||
LTC2480HDD#PBF | LFCSP:LEADFRM CHIP SCALE | ||
LTC2480HDD#TRPBF | LFCSP:LEADFRM CHIP SCALE | ||
LTC2480HMS#PBF | MICRO SOIC | ||
LTC2480HMS#TRPBF | MICRO SOIC | ||
LTC2480IDD#PBF | LFCSP:LEADFRM CHIP SCALE | ||
LTC2480IDD#TRPBF | LFCSP:LEADFRM CHIP SCALE | ||
LTC2480IMS#PBF | MICRO SOIC | ||
LTC2480IMS#TRPBF | MICRO SOIC |
製品モデル | 製品ライフサイクル | PCN |
---|---|---|
6 30, 2020 - 20_0244 Notification of Wafer Fab Location Change for 0.6µm CMOS Process Devices from ADI Milpitas (Hillview) to Vanguard Int. (Taiwan) |
||
LTC2480CDD#PBF | 製造中 | |
LTC2480CDD#TRPBF | 製造中 | |
LTC2480CMS#PBF | 製造中 | |
LTC2480CMS#TRPBF | 製造中 | |
LTC2480HDD#PBF | 製造中 | |
LTC2480HDD#TRPBF | 製造中 | |
LTC2480HMS#PBF | 製造中 | |
LTC2480HMS#TRPBF | 製造中 | |
LTC2480IDD#PBF | 製造中 | |
LTC2480IDD#TRPBF | 製造中 | |
LTC2480IMS#PBF | 製造中 | |
LTC2480IMS#TRPBF | 製造中 | |
6 5, 2024 - 24_0004 Epoxy Change from Henkel 8290 to 8290A for MSOP (3) |
||
LTC2480CMS#PBF | 製造中 | |
LTC2480CMS#TRPBF | 製造中 | |
LTC2480HMS#PBF | 製造中 | |
LTC2480HMS#TRPBF | 製造中 | |
LTC2480IMS#PBF | 製造中 | |
LTC2480IMS#TRPBF | 製造中 | |
2 4, 2020 - 20_0130 Laser Top Mark Conversion for 10-Lead MSOP Packages Assembled in ADPG and UTAC |
||
LTC2480CMS#PBF | 製造中 | |
LTC2480CMS#TRPBF | 製造中 | |
LTC2480HMS#PBF | 製造中 | |
LTC2480HMS#TRPBF | 製造中 | |
LTC2480IMS#PBF | 製造中 | |
LTC2480IMS#TRPBF | 製造中 |
これは最新改訂バージョンのデータシートです。
ソフトウェア・リソース
必要なソフトウェア/ドライバが見つかりませんか?
ドライバ/ソフトウェアをリクエストハードウェア・エコシステム
製品モデル | 製品ライフサイクル | 詳細 |
---|---|---|
インターフェース・トランシーバ & アイソレータ 1 | ||
LTM2883 | 製造中 | ±12.5Vおよび5Vの可変安定化電源を備えたSPI/デジタルまたはI2C対応のμModuleアイソレータ |
電圧リファレンス 1 | ||
LTC6655 | 製造中 | ノイズが0.25ppmの低ドリフト高精度リファレンス |
電流ミラー & マッチング・デバイス 1 | ||
LT5400 | 新規設計に推奨 | 整合したクワッド抵抗ネットワーク |
発振器 1 | ||
LTC6991 | 製造中 | TimerBlox:リセット可能な低周波数発振器 |
製品モデル | 製品ライフサイクル | 詳細 |
---|---|---|
LT5400 | 新規設計に推奨 | 整合したクワッド抵抗ネットワーク |
ツールおよびシミュレーション
Linduino 3
Linduino はアナログ・デバイセズの Arduino 互換システムで、アナログ・デバイセズ製集積回路のファームウェア・ライブラリおよびサンプル・コードの開発と配布に使用します。Linduino対応の各製品には、LTSketchbook/Part Numberフォルダに定義されたサンプルのメイン・プログラムと、LTSketchbook/librariesフォルダに定義されたドライバ・コードが含まれています。