LTC2415

製造中

差動入力および差動リファレンス、24ビットNo LatencyΔΣADC

利用上の注意

本データシートの英語以外の言語への翻訳はユーザの便宜のために提供されるものであり、リビジョンが古い場合があります。最新の内容については、必ず最新の英語版をご参照ください。

なお、日本語版のデータシートは基本的に「Rev.0」(リビジョン0)で作成されています。そのため、英語版が後に改訂され、複数製品のデータシートがひとつに統一された場合、同じ「Rev.0」の日本語版のデータシートが異なる製品のデータシートとして表示されることがあります。たとえば、「ADM3307E」の場合、日本語データシートをクリックすると「ADM3311E」が表示されます。これは、英語版のデータシートが複数の製品で共有できるように1本化され、「ADM3307E/ADM3310E/ADM3311E/ADM3312E/ADM3315E」(Rev.J)と改訂されたからで、決して誤ってリンクが張られているわけではありません。和文化されたデータシートを少しでも有効に活用していただくためにこのような方法をとっておりますので、ご了解ください。

アナログ・デバイセズ社は、提供する情報が正確で信頼できるものであることを期していますが、その情報の利用に関して、あるいはその利用によって生じる第三者の特許やその他の権利の侵害に関して一切の責任を負いません。また、アナログ・デバイセズ社の特許または特許の権利の使用を明示的または暗示的に許諾するものでもありません。仕様は予告なしに変更する場合があります。本紙記載の商標および登録商標は、各社の所有に属します。

Viewing:

製品情報

  • LTC2410/LTC2413の倍速バージョン(LTC2415:15Hz出力レート、50Hzまたは60Hzノッチフィルタ付き、LTC2415-1:13.75Hz出力レート、50Hz/60Hz同時除去ノッチフィルタ付き)
  • GND~VCCの同相範囲をもつ差動入力と差動リファレンス
  • INL 2ppm、ミッシング・コードなし
  • 2.5ppmの利得誤差
  • 0.23ppmのノイズ
  • マルチプレクス・アプリケーションに対応する単一変換セトリング時間
  • 内部発振器-外付け部品が不要
  • 細型SSOP-16パッケージ(SO-8実装面積)の24ビットADC
  • 2.7V~5.5V単一電源動作
  • 低消費電流(200μA)と自動シャットダウン

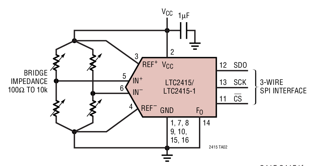
LTC2415/LTC2415-1は、発振器を内蔵しINL 2ppm、RMSノイズ0.23ppm、2.7V~5.5Vの電源電圧範囲で動作するマイクロパワー24ビット差動ΔΣアナログ-デジタル・コンバータです。デルタ-シグマ技術を採用し、単一サイクル・セトリングを実現するので、マルチプレクス・アプリケーションに対応できます。LTC2415は1本のピンを介して、 50Hzまたは60Hz±2%で110dB以上の入力差動モード除去比を達成するように構成できます。また、外部発振器によって、ユーザが定義した除去周波数にドライブすることも可能です。LTC2415-1は49Hz~61.2Hzの範囲で87dB以上の入力差動モード除去比を達成するように構成できます(50Hzと60Hz±2%を同時除去可能)。内部発振器には、周波数設定用の部品を外付けする必要はありません。

このコンバータは、0.1V~VCCのあらゆる外部差動リファレンス電圧を使用できるので、柔軟なレシオメトリックおよびリモート・センス測定構成が可能です。フルスケール差動入力範囲は-0.5・VREF~0.5・VREFです。リファレンス同相電圧VREFCMと入力同相電圧VINCMは、LTC2415/LTC2415-1のGND~VCCの範囲で個別に設定可能です。DC同相入力除去比は140dB以上です。

LTC2415/LTC2415-1はSPIおよびMICROWIREプロトコルに適合する柔軟な3線デジタル・インターフェイスを介して通信を行います。


アプリケーション

  • ダイレクト・センサ・デジタイザ
  • 直接温度測定
  • ガス分析器
  • 歪みゲージ・トランスジューサ
  • 計測
  • データ収集
  • 産業用プロセス制御
  • 6桁DVM

LTC2415
差動入力および差動リファレンス、24ビットNo LatencyΔΣADC
Product Package 1
myAnalogに追加

myAnalogの製品セクション(通知受け取り)、既存/新規プロジェクトに製品を追加する。

新規プロジェクトを作成
質問する
サポート

アナログ・デバイセズのサポート・ページはアナログ・デバイセズへのあらゆるご質問にお答えするワンストップ・ポータルです。


ドキュメント

データシート

これは最新改訂バージョンのデータシートです。

さらに詳しく
myAnalogに追加

myAnalogのリソース・セクション、既存/新規プロジェクトにメディアを追加する。

新規プロジェクトを作成

ソフトウェア・リソース

必要なソフトウェア/ドライバが見つかりませんか?

ドライバ/ソフトウェアをリクエスト

ハードウェア・エコシステム

製品モデル 製品ライフサイクル 詳細
インターフェース・トランシーバ 1
LTM2883 製造中 ±12.5Vおよび5Vの可変安定化電源を備えたSPI/デジタルまたはI2C対応のμModuleアイソレータ
マッチング抵抗およびトランジスタ 1
LT5400 新規設計に推奨 整合したクワッド抵抗ネットワーク
発振器 1
LTC6991 製造中 TimerBlox:リセット可能な低周波数発振器
Modal heading
myAnalogに追加

myAnalogの製品セクション(通知受け取り)、既存/新規プロジェクトに製品を追加する。

新規プロジェクトを作成

ツールおよびシミュレーション

Linduino

Linduino はアナログ・デバイセズの Arduino 互換システムで、アナログ・デバイセズ製集積回路のファームウェア・ライブラリおよびサンプル・コードの開発と配布に使用します。Linduino対応の各製品には、LTSketchbook/Part Numberフォルダに定義されたサンプルのメイン・プログラムと、LTSketchbook/librariesフォルダに定義されたドライバ・コードが含まれています。

GitHub上のLinduinoコードのリポジトリとコード使用方法

LTSketchbookをダウンロード

Linduinoを購入


評価用キット

eval board
DC382A

LTC2415CGN | Differential Input 24-Bit ADC with 2X Output Rate (with Diskette, Requires Win95/98)

製品詳細

DC382A: Demo Board for LTC2415 24-Bit No Latency Delta Sigma ADC with Differential Input and Differential Reference.

DC382A
LTC2415CGN | Differential Input 24-Bit ADC with 2X Output Rate (with Diskette, Requires Win95/98)
DC382A - Schematic

最新のディスカッション

最近表示した製品