LTC1772

製造中

SOT-23、固定周波数電流モード降圧DC/DCコントローラ

利用上の注意

本データシートの英語以外の言語への翻訳はユーザの便宜のために提供されるものであり、リビジョンが古い場合があります。最新の内容については、必ず最新の英語版をご参照ください。

なお、日本語版のデータシートは基本的に「Rev.0」(リビジョン0)で作成されています。そのため、英語版が後に改訂され、複数製品のデータシートがひとつに統一された場合、同じ「Rev.0」の日本語版のデータシートが異なる製品のデータシートとして表示されることがあります。たとえば、「ADM3307E」の場合、日本語データシートをクリックすると「ADM3311E」が表示されます。これは、英語版のデータシートが複数の製品で共有できるように1本化され、「ADM3307E/ADM3310E/ADM3311E/ADM3312E/ADM3315E」(Rev.J)と改訂されたからで、決して誤ってリンクが張られているわけではありません。和文化されたデータシートを少しでも有効に活用していただくためにこのような方法をとっておりますので、ご了解ください。

アナログ・デバイセズ社は、提供する情報が正確で信頼できるものであることを期していますが、その情報の利用に関して、あるいはその利用によって生じる第三者の特許やその他の権利の侵害に関して一切の責任を負いません。また、アナログ・デバイセズ社の特許または特許の権利の使用を明示的または暗示的に許諾するものでもありません。仕様は予告なしに変更する場合があります。本紙記載の商標および登録商標は、各社の所有に属します。

Viewing:

製品情報

  • 高効率:最大94% 
  • 高出力電流を容易に達成 
  • 広い入力電圧範囲:2.5V~9.8V 
  • 固定周波数550kHz動作 
  • 軽負荷時のバースト・モード動作 
  • 低損失:100%デューティ・サイクル 
  • 0.8Vのリファレンスによって低出力電圧が可能 
  • 電流モード動作で優れた入力および負荷過渡応答 
  • 低消費電流:270μA 
  • シャットダウン・モード時の消費電流:8μA 
  • リファレンス精度:±2.5% 
  • 小型6ピンSOT-23パッケージ 

LTC1772は、優れたACおよびDCのロード・レギュレーションとライン・レギュレーションを備えた定周波数電流モード降圧DC/DCコントローラです。高精度の低電圧ロックアウト機能を内蔵し、入力電圧が2V以下になるとシャットダウンします。

LTC1772は±2.5%の出力電圧精度を誇り、消費電流はわずか270μAです。効率が重要なアプリケーションでは、LTC1772をバースト・モードTM動作に構成することができます。バースト・モード動作は低電流時の効率を改善します。

バッテリ電源の寿命をさらに延長するために、ドロップアウト時にはPチャネルMOSFETスイッチが連続してターンオンします(100%デューティ・サイクル)。シャットダウン時には、わずか8μAしか流れません。550kHzの固定高周波数動作により、小さな外付けインダクタを使用できます。

LTC1772は実装面積の小さい6ピンSOT-23パッケージで供給されます。

Burst Mode
LTC1772 Yes
LTC1772B No

アプリケーション

  • 1個または2個のリチウムイオン電池駆動アプリケーション
  • セルラー電話
  • ワイヤレス・モデム
  • ポータブル・コンピュータ
  • 3.3V、2.5V、または1.8Vの電力分配システム
  • スキャナ

LTC1772
SOT-23、固定周波数電流モード降圧DC/DCコントローラ
Figure 1. High Efficiency, High Output Current 2.5V/2A Regulator Efficiency vs Load Current Product Package 1
myAnalogに追加

myAnalogの製品セクション(通知受け取り)、既存/新規プロジェクトに製品を追加する。

新規プロジェクトを作成
質問する
サポート

アナログ・デバイセズのサポート・ページはアナログ・デバイセズへのあらゆるご質問にお答えするワンストップ・ポータルです。


ドキュメント

データシート

これは最新改訂バージョンのデータシートです。

さらに詳しく
myAnalogに追加

myAnalogのリソース・セクション、既存/新規プロジェクトにメディアを追加する。

新規プロジェクトを作成

ソフトウェア・リソース

必要なソフトウェア/ドライバが見つかりませんか?

ドライバ/ソフトウェアをリクエスト

ハードウェア・エコシステム

製品モデル 製品ライフサイクル 詳細
スイッチング・レギュレータ & コントローラ 2
LTC3801 製造中 ThinSOTのマイクロパワー固定周波数降圧DC/DCコントローラ
LTC3880 新規設計に推奨 デジタル・パワー・システム・マネージメントを搭載したデュアル出力PolyPhase降圧DC/DCコントローラ
パワー・システム・マネージメント(PSM) & シーケンサ 1
LTC2974 新規設計に推奨 正確な出力電流測定を特長とする4チャンネルPMBusパワーシステム・マネージャ
Modal heading
myAnalogに追加

myAnalogの製品セクション(通知受け取り)、既存/新規プロジェクトに製品を追加する。

新規プロジェクトを作成

ツールおよびシミュレーション

LTspice


下記製品はLTspiceで使用することが出来ます。:

  • LTC1772
  • LTC1772B
LTspice

LTspice®は、無料で提供される強力で高速な回路シミュレータと回路図入力、波形ビューワに改善を加え、アナログ回路のシミュレーションを容易にするためのモデルを搭載しています。

 


評価用キット

eval board
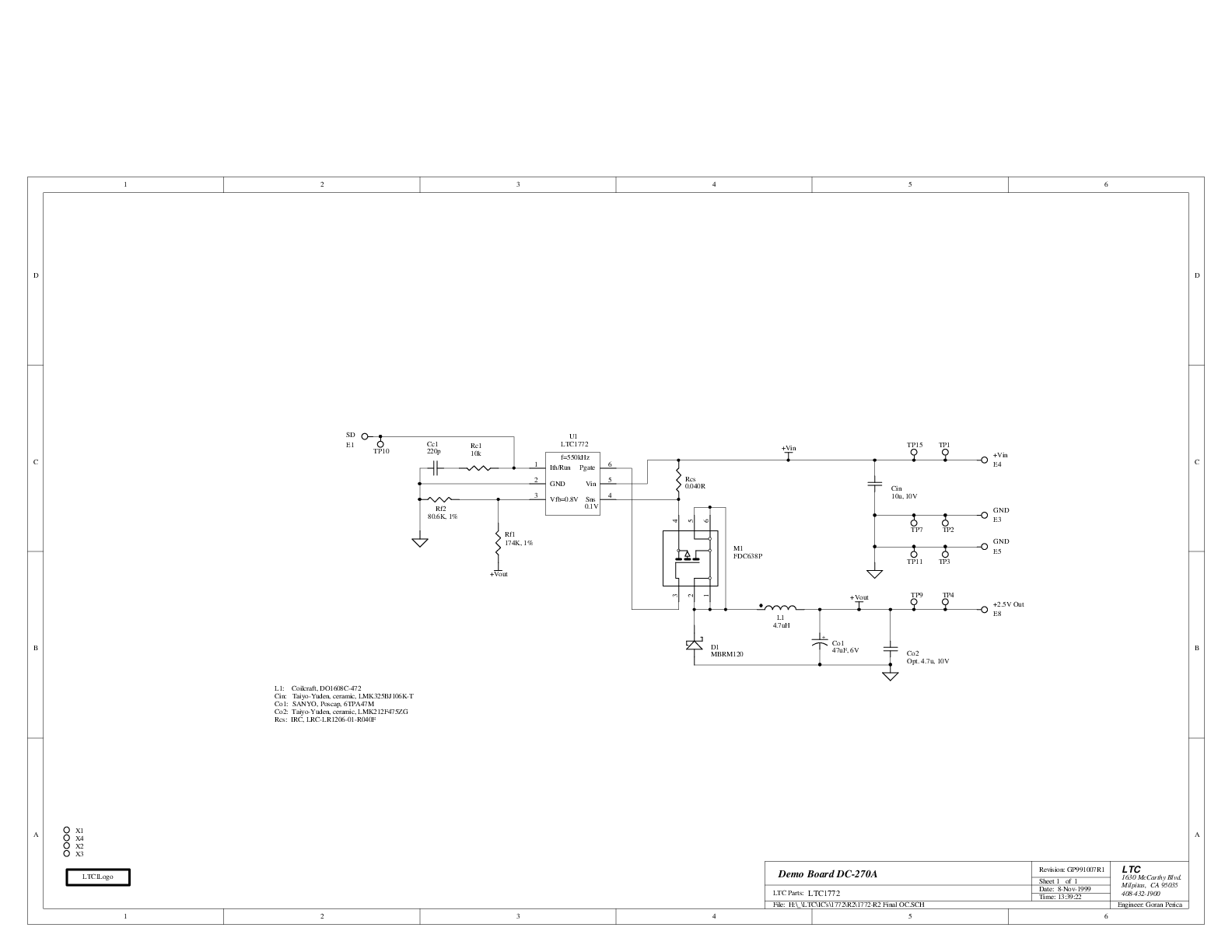
DC270A

LTC1772CS6 | 1 Amp, SOT-23 DC/DC Converter, 2.5 to 9.8VIN, 2.5VOUT

製品詳細

DC270A: Demo Board for the LTC1772 Constant Frequency Current Mode Step-Down DC/DC Controller in SOT-23.

eval board
DC279A-B

LTC1736, LTC1772, LTC1762 | Low Cost VRM (Intel), 7.5 to 24VIN, 1.3V to 1.6VOUT @ 14A, 1.5VOUT @ 0.12 to 2.5A, 2.5VOUT @ 0.15A

製品詳細

DC279A-B Demo Board for:

LTC1736 5-Bit Adjustable High Efficiency Synchronous Step-Down Switching Regulator

LT1762 150mA, Low Noise, LDO Micropower Regulators

LTC1772 Constant Frequency Current Mode Step-Down DC/DC Controller in SOT-23

DC270A
LTC1772CS6 | 1 Amp, SOT-23 DC/DC Converter, 2.5 to 9.8VIN, 2.5VOUT
DC270A - Schematic
DC279A-B
LTC1736, LTC1772, LTC1762 | Low Cost VRM (Intel), 7.5 to 24VIN, 1.3V to 1.6VOUT @ 14A, 1.5VOUT @ 0.12 to 2.5A, 2.5VOUT @ 0.15A
DC279A-B - Schematic

最新のディスカッション

LTC1772に関するディスカッションはまだありません。意見を投稿しますか?

EngineerZone®でディスカッションを始める

最近表示した製品