製品概要
製品概要
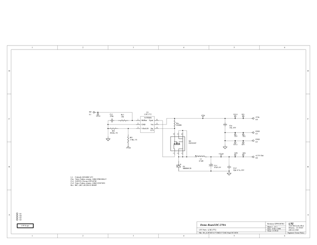
DC270A: Demo Board for the LTC1772 Constant Frequency Current Mode Step-Down DC/DC Controller in SOT-23.
対象となる製品
関連資料
-
DC270A - Schematic2009/09/24PDF17K
-
DC270A - Demo Manual2009/09/24PDF189K
-
DC270A - Design File2009/09/24ZIP48K
