LTC1707

製造中

高効率モノリシック 同期式降圧スイッチング・レギュレータ

利用上の注意

本データシートの英語以外の言語への翻訳はユーザの便宜のために提供されるものであり、リビジョンが古い場合があります。最新の内容については、必ず最新の英語版をご参照ください。

なお、日本語版のデータシートは基本的に「Rev.0」(リビジョン0)で作成されています。そのため、英語版が後に改訂され、複数製品のデータシートがひとつに統一された場合、同じ「Rev.0」の日本語版のデータシートが異なる製品のデータシートとして表示されることがあります。たとえば、「ADM3307E」の場合、日本語データシートをクリックすると「ADM3311E」が表示されます。これは、英語版のデータシートが複数の製品で共有できるように1本化され、「ADM3307E/ADM3310E/ADM3311E/ADM3312E/ADM3315E」(Rev.J)と改訂されたからで、決して誤ってリンクが張られているわけではありません。和文化されたデータシートを少しでも有効に活用していただくためにこのような方法をとっておりますので、ご了解ください。

アナログ・デバイセズ社は、提供する情報が正確で信頼できるものであることを期していますが、その情報の利用に関して、あるいはその利用によって生じる第三者の特許やその他の権利の侵害に関して一切の責任を負いません。また、アナログ・デバイセズ社の特許または特許の権利の使用を明示的または暗示的に許諾するものでもありません。仕様は予告なしに変更する場合があります。本紙記載の商標および登録商標は、各社の所有に属します。

Viewing:

製品情報

  • 出力電流:600mA(VIN≧4V)
  • 高効率:最大96%
  • 定周波数:350kHz 550kHzまで同期可能
  • VIN範囲:2.85V~8.5V
  • 0.8Vの帰還リファレンスにより低電圧を出力可能:0.8V≦VOUT≦VIN
  • ショットキ・ダイオードが不要
  • 1.19V±1%のリファレンス出力ピン
  • 選択可能なバースト・モード動作/パルス・スキッピング・モード
  • 低損失動作:デューティ・サイクル100%
  • 高精度2.7V低電圧ロックアウト
  • 電流モード動作で優れたラインおよび負荷過渡応答を達成
  • 低消費電流:200μA
  • シャットダウン・モードでの消費電流はわずか15μA
  • 8ピンSOパッケージで供給可能

LTC1707は固定周波数アーキテクチャを採用した、高効率モノリシック電流モード同期式降圧レギュレータです。動作電源範囲は8.5Vから最小2.85Vなので、1個または2個のリチウムイオン・バッテリで駆動するアプリケーションに適しています。バースト・モード動作により、低負荷電流時に高い効率が得られます。 100%デューティ・サイクルの低損失動作によって、バッテリ駆動システムの動作時間を延長することが可能です。

スイッチング周波数は内部で350kHzに設定されているので、小型表面実装インダクタを使用できます。スイッチング・ノイズに敏感なアプリケーションに対しては、最大550kHzまで外部同期が可能です。バースト・モード動作は、同期中およびSYNC/MODEピンが“L”になっているときは禁止され、低周波リップルがオーディオ回路に干渉を与えるのを防止します。ソフトスタートは外付けコンデンサで提供されます。

内部同期MOSFETスイッチによって効率が向上し、外付けショットキ・ダイオードが必要ないため、部品点数と占有面積が減少します。最小0.8Vの低出力電圧は、0.8V内部リファレンスにより容易に達成可能です。LTC1707は8ピンSOパッケージで供給されます。


アプリケーション

  • セルラー電話
  • 携帯用計測器
  • ワイヤレス・モデム
  • RF通信
  • 分配型電源システム
  • シングル・セルおよびデュアル・セルのリチウム・バッテリ

LTC1707
高効率モノリシック 同期式降圧スイッチング・レギュレータ
Figure 1a. High Efficiency Low Dropout Step-Down Converter Figure 1b. Efficiency vs Output Load Current Product Package 1
myAnalogに追加

myAnalogの製品セクション(通知受け取り)、既存/新規プロジェクトに製品を追加する。

新規プロジェクトを作成
質問する
サポート

アナログ・デバイセズのサポート・ページはアナログ・デバイセズへのあらゆるご質問にお答えするワンストップ・ポータルです。


ドキュメント

データシート 1

信頼性データ 1

ユーザ・ガイド 1

データシート

これは最新改訂バージョンのデータシートです。

さらに詳しく
myAnalogに追加

myAnalogのリソース・セクション、既存/新規プロジェクトにメディアを追加する。

新規プロジェクトを作成

ソフトウェア・リソース

必要なソフトウェア/ドライバが見つかりませんか?

ドライバ/ソフトウェアをリクエスト

ハードウェア・エコシステム

製品モデル 製品ライフサイクル 詳細
スイッチング・レギュレータ & コントローラ 1
LTC3880 新規設計に推奨 デジタル・パワー・システム・マネージメントを搭載したデュアル出力PolyPhase降圧DC/DCコントローラ
パワー・システム・マネージメント(PSM) & シーケンサ 1
LTC2974 新規設計に推奨 正確な出力電流測定を特長とする4チャンネルPMBusパワーシステム・マネージャ
発振器 2
LTC6908 スペクトル拡散変調付き抵抗設定SOT-23発振器
LTC6909 製造中 スペクトル拡散変調付き、1~8 出力、マルチフェーズ・シリコン発振器
Modal heading
myAnalogに追加

myAnalogの製品セクション(通知受け取り)、既存/新規プロジェクトに製品を追加する。

新規プロジェクトを作成

ツールおよびシミュレーション

LTspice


下記製品はLTspiceで使用することが出来ます。:

  • LTC1707
LTspice

LTspice®は、無料で提供される強力で高速な回路シミュレータと回路図入力、波形ビューワに改善を加え、アナログ回路のシミュレーションを容易にするためのモデルを搭載しています。

 


評価用キット

eval board
DC257A

LTC1707CS8 | 350kHz Constant Frequency Step Down Regulator, 1 or 2 Li-Ion or 2 to 6 NiCd Cell Input, 600mA Output

製品詳細

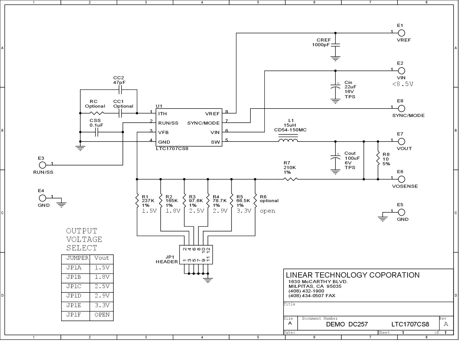
DC257A: Demo Board for the LTC1707 High Efficiency Monolithic Synchronous Step-Down Switching Regulator.

DC257A
LTC1707CS8 | 350kHz Constant Frequency Step Down Regulator, 1 or 2 Li-Ion or 2 to 6 NiCd Cell Input, 600mA Output
DC257A - Schematic

最新のディスカッション

LTC1707に関するディスカッションはまだありません。意見を投稿しますか?

EngineerZone®でディスカッションを始める

最近表示した製品