製品概要
製品概要
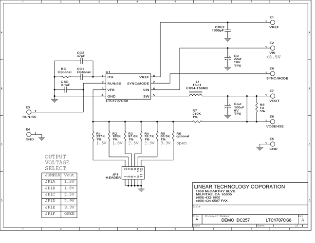
DC257A: Demo Board for the LTC1707 High Efficiency Monolithic Synchronous Step-Down Switching Regulator.
対象となる製品
関連資料
-
DC257A - Schematic2009/09/24PDF55K
-
DC257A - Demo Manual2009/09/24PDF218K
-
DC257A - Design File2009/09/24ZIP276K
