LTC1544

製造中

ソフトウェアで選択可能なマルチプロトコル・トランシーバ

利用上の注意

本データシートの英語以外の言語への翻訳はユーザの便宜のために提供されるものであり、リビジョンが古い場合があります。最新の内容については、必ず最新の英語版をご参照ください。

なお、日本語版のデータシートは基本的に「Rev.0」(リビジョン0)で作成されています。そのため、英語版が後に改訂され、複数製品のデータシートがひとつに統一された場合、同じ「Rev.0」の日本語版のデータシートが異なる製品のデータシートとして表示されることがあります。たとえば、「ADM3307E」の場合、日本語データシートをクリックすると「ADM3311E」が表示されます。これは、英語版のデータシートが複数の製品で共有できるように1本化され、「ADM3307E/ADM3310E/ADM3311E/ADM3312E/ADM3315E」(Rev.J)と改訂されたからで、決して誤ってリンクが張られているわけではありません。和文化されたデータシートを少しでも有効に活用していただくためにこのような方法をとっておりますので、ご了解ください。

アナログ・デバイセズ社は、提供する情報が正確で信頼できるものであることを期していますが、その情報の利用に関して、あるいはその利用によって生じる第三者の特許やその他の権利の侵害に関して一切の責任を負いません。また、アナログ・デバイセズ社の特許または特許の権利の使用を明示的または暗示的に許諾するものでもありません。仕様は予告なしに変更する場合があります。本紙記載の商標および登録商標は、各社の所有に属します。

Viewing:

製品情報

  • RS232、RS449、EIA530、EIA530-A、V.35、V.36、X.21をソフトウェアで選択サポートするトランシーバ 
  • TUV/Detecon Inc.認証の NET1およびNET2に準拠 (テスト・レポートNo.NET2/102201/97) 
  • TBR2に準拠(テスト・レポートNo.CTR2/022701/98) 
  • LTC1344Aを使用したソフトウェア選択可能なケーブル終端 
  • LTC1543、LTC1344A、またはケーブル終端内蔵のLTC1546と組み合わせて、完全なDTEまたはDCEポートを構成 
  • LTC1543と組み合わせて単一5V電源で動作

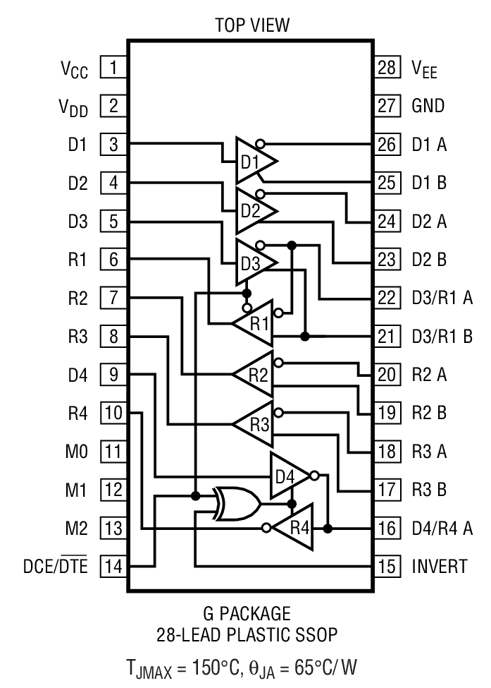
LTC1544は4ドライバ/4レシーバのマルチプロトコル・トランシーバです。LTC1543と組み合わせることにより、ソフトウェア選択可能な完全なDTEまたはDCEインターフェイス・ポートのコアを構成し、RS232、RS449、EIA530、EIA530-A、V.35、V.36、またはX.21プロトコルをサポートします。LTC1543のケーブル終端は、ソフトウェアで選択可能なケーブル終端デバイスLTC1344Aまたは既存のディスクリート設計を使用して実現できます。LTC1546はソフトウェア選択可能なケーブル終端を内蔵しています。

LTC1544は単一5V電源とLTC1543またはLTC1546のチャージポンプを使用して動作します。LTC1544は、28ピンSSOP表面実装パッケージで供給されます。


アプリケーション

  • データ・ネットワーク 
  • CSUおよびDSU 
  • データ・ルータ 

LTC1544
ソフトウェアで選択可能なマルチプロトコル・トランシーバ
DTE or DCE Multiprotocol Serial Interface with DB-25 Connector Product Package 1
myAnalogに追加

myAnalogの製品セクション(通知受け取り)、既存/新規プロジェクトに製品を追加する。

新規プロジェクトを作成
質問する
サポート

アナログ・デバイセズのサポート・ページはアナログ・デバイセズへのあらゆるご質問にお答えするワンストップ・ポータルです。


ドキュメント

データシート

これは最新改訂バージョンのデータシートです。

さらに詳しく
myAnalogに追加

myAnalogのリソース・セクション、既存/新規プロジェクトにメディアを追加する。

新規プロジェクトを作成

評価用キット

DC196A-B
LTC1546CG LTC1544CG | Software-Selectable Multiprotocol Transceiver
DC196A-A
LTC1543CG LTC1544CG LTC1344A | Software-Selectable Multiprotocol Transceiver

最新のディスカッション

最近表示した製品