A 10MB/s Multiple-Protocol Chip Set Supports Net1 and Net2 Standards
Introduction
With the increase in multinational computer networks comes the need for the network equipment to support different serial protocols. One solution is to provide a different serial interface board for each market. This can become unmanageable as product volume increases. The issues of board swapping and inventory are often discounted. Another solution is to place all of the serial interfaces, each isolated, on a single board. For example, when the product is sold with V.35, the serial cable is mapped to that section of the board. This requires a large connector plus signal routing and board space.
The best solution is to support many different serial protocols on one connector, but that requires the circuitry for each serial protocol to share the same connector pins. At first glance this may not appear to be difficult. Further examination reveals conflicting line-termination standards that require resistors to be switched to the connector pins. As the designer becomes occupied with the details of the interface specification, there is always the possibility that one small detail will be missed. This compliance headache causes designers to seek out a cost-effective integrated solution.
With the LTC1543, LTC1544 and LTC1344A, LTC has taken the integrated approach to multiple-protocol. It does not make sense to use a handful of standard interface parts when Net1 and Net2 compliance is guaranteed with the LTC1543, LTC1544 and LTC1344A. Detecon, Inc. documents this compliance in Test Report No. NET2/102201/97. With this chip set, network designers can concentrate on functions that increase the end-product value rather than on standards compliance.
Typical Application
Like the LTC1343 software-selectable multiprotocol transceiver, introduced in the August, 1996 issue of Linear Technology, the LTC1543/LTC1544/LTC1344A chip set creates a complete software-selectable serial interface using an inexpensive DB-25 connector. The main difference between these parts is the division of functions: the LTC1343 can be configured as a data/clock chip or as a control-signal chip using the CTRL/CLK pin, whereas the LTC1543 is a dedicated data/clock chip and the LTC1544 is a control-signal chip. The chip set supports the V.28 (RS232), V.35, V.36, RS449, EIA-530, EIA-530A and X.21 protocols in either DTE or DCE mode.
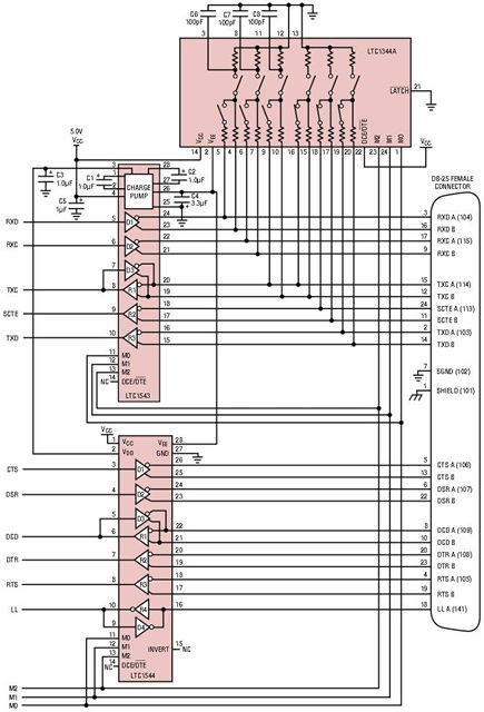
Figure 1 shows a typical application using the LTC1543, LTC1544 and LTC1344A. By just mapping the chip pins to the connector, the design of the interface port is complete. The figure shows a DCE mode connection to a DB-25 connector.

Figure 1. Controller-selectable DCE port with DB-25 connector.
The LTC1543 contains three drivers and three receivers, whereas the LTC1544 contains four drivers and four receivers. The LTC1344A contains six switchable resistive terminators that are connected only to the high speed clock and data signals. When the interface protocol is changed via the mode selection pins, M2, M1 and M0, the drivers, receivers and line terminators are placed in their proper configuration. The mode pin functions are summarized in Table 1. There are internal 50µA pull-up current sources on the mode select pins, DCE/DTE and the INVERT pins.
| LTC1543/LTC1544 Mode Name | M2 | M1 | M0 |
| Not Used | 0 | 0 | 0 |
| EIA-530A | 0 | 0 | 1 |
| EIA-530 | 0 | 1 | 0 |
| X.21 | 0 | 1 | 1 |
| V.35 | 1 | 0 | 0 |
| RS449/V.36 | 1 | 0 | 1 |
| RS232/V.28 | 1 | 1 | 0 |
| No Cable | 1 | 1 | 1 |
DTE vs DCE Operation
The LTC1543/LTC1544/LTC1344A chip set can be configured for either DTE or DCE operation in one of two ways. The first way is when the chip set is a dedicated DTE or DCE port with a connector of appropriate gender. The second way is when the port has one connector that can be configured for DTE or DCE operation by rerouting the signals to the chip set using a dedicated DTE or DCE cable.
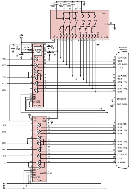
Figure 1 is an example of a dedicated DCE port using a female DB-25 connector. The complement to this port is the DTE-only port using a male DB-25 connector, as shown in Figure 2.

Figure 2. Controller-selectable multiprotocol DTE port with DB-25 connector.
If the port must accommodate both DTE and DCE modes, the mapping of the drivers and receivers to connector pins must change accordingly. For example, in Figure 1, driver 1 in the LTC1543 is connected to pin 3 and pin 16 of the DB-25 connector. In DTE mode, as shown in Figure 2, driver 1 is mapped to pins 2 and 14 of the DB-25 connector. A port that can be configured for either DTE or DCE operation is shown in Figure 3. This configuration requires separate cables for proper signal routing.

Figure 3. Controller-selectable DTE/DCE port with DB-25 connector
Cable-Selectable Multiprotocol Interface
The interface protocol may be selected by simply plugging the appropriate interface cable into the connector. A cable-selectable multiprotocol DTE/DCE interface is shown in Figure 4. The mode pins are routed to the connector and are left unconnected (1) or wired to ground (0) in the cable. The internal pull-up current sources ensure a binary 1 when a pin is left unconnected and also ensure that the LTC1543/LTC1544/LTC1344A enter the no-cable mode when the cable is removed. In the no-cable mode, the LTC1543/LTC1544 power supply current drops to less than 200µA and all of the LTC1543/LTC1544 driver outputs will be forced into the high impedance state.

Figure 4. Cable-selectable multiprotocol DTE/DCE port.
Adding Optional Test Signal
In some cases, the optional test signals local loopback (LL), remote loopback (RL) and test mode (TM) are required but there are not enough drivers and receivers available in the LTC1543/LTC1544 to handle these extra signals. The solution is to combine the LTC1544 with the LTC1343. By using the LTC1343 to handle the clock and data signals, the chip set gains one extra single-ended driver/receiver pair. This configuration is shown in Figure 5.

Figure 5. Controller-selectable multiprotocol DTE/DCE port with RLL, LL, TM and DB-25 connector.
Compliance Testing
A European standard EN 45001 test report is available for the LTC1543/LTC1544/LTC1344A chip set. The report provides documentation on the compliance of the chip set to Layer 1 of the NET1 and NET2 standard. A copy of this test report is available from LTC or from Detecon, Inc. at 1175 Old Highway 8, St. Paul, MN 55112.
Conclusion
In the world of network equipment, the product differentiation is mostly in the software and not in the serial interface. The LTC1543, LTC1544 and LTC1344A provide a simple yet comprehensive solution to standards compliance for multiple-protocol serial interface.