LTC1485

製造中

差動バス・トランシーバ

利用上の注意

本データシートの英語以外の言語への翻訳はユーザの便宜のために提供されるものであり、リビジョンが古い場合があります。最新の内容については、必ず最新の英語版をご参照ください。

なお、日本語版のデータシートは基本的に「Rev.0」(リビジョン0)で作成されています。そのため、英語版が後に改訂され、複数製品のデータシートがひとつに統一された場合、同じ「Rev.0」の日本語版のデータシートが異なる製品のデータシートとして表示されることがあります。たとえば、「ADM3307E」の場合、日本語データシートをクリックすると「ADM3311E」が表示されます。これは、英語版のデータシートが複数の製品で共有できるように1本化され、「ADM3307E/ADM3310E/ADM3311E/ADM3312E/ADM3315E」(Rev.J)と改訂されたからで、決して誤ってリンクが張られているわけではありません。和文化されたデータシートを少しでも有効に活用していただくためにこのような方法をとっておりますので、ご了解ください。

アナログ・デバイセズ社は、提供する情報が正確で信頼できるものであることを期していますが、その情報の利用に関して、あるいはその利用によって生じる第三者の特許やその他の権利の侵害に関して一切の責任を負いません。また、アナログ・デバイセズ社の特許または特許の権利の使用を明示的または暗示的に許諾するものでもありません。仕様は予告なしに変更する場合があります。本紙記載の商標および登録商標は、各社の所有に属します。

Viewing:

製品情報

  • ±10kV を超える静電気放電(ESD)保護
  • 低消費電力: ICC=1.8mA(標準)
  • 28ns(標準)のドライバ伝播遅延と4nsのスキュー
  • RS485またはRS422アプリケーション向けに設計
  • 単一5V電源動作
  • -7V~+12Vのバス同相範囲により、バス上のデバイス間で±7Vのグランド電位差が可能
  • サーマル・シャットダウン保護
  • 電源投入/切断グリッチのないドライバ出力
  • 3ステート出力または電源オフ時にハイ・インピーダンスを維持
  • ドライバ出力とレシーバのインピーダンスの組み合わせで、最大32台のトランシーバをバスに接続可能
  • 入力ヒステリシス: 60mV(標準)
  • SN75176A、DS75176A、SN75LBC176とピン互換

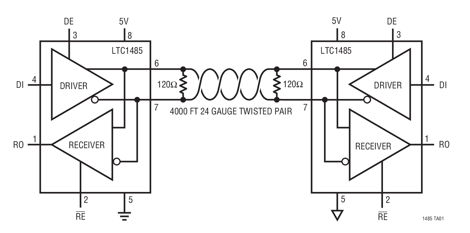
LTC1485は、拡張された同相範囲 (+12V~-7V)を備え、マルチポイント・データ通信規格RS485アプリケー ション向けに設計された低消費電力の差動バス/ライン・トランシーバです。このデバイスはRS422の要件も満たしています。

ショットキーをともなうCMOS設計により、過負荷や静電破壊に対する強度を損なうことなく、バイポーラ・プロセスを用いた製品と比較して消費電力を大幅に低減します。

ドライバとレシーバは3ステート出力を装備し、ドライバ出力は全同相範囲でハイ・インピーダンスを維持します。サーマル・シャットダウン回路によってバスでのデータ衝突あるいは故障などによる過度の電力消費を防止し、その場合、出力はハイ・インピーダンスになります。I/Oピンは±10kVを超える複数回のESDに耐えられるように保護されています。

レシーバは、入力がオープンのときに出力を“H”状態に保持することを保証するフェイルセーフ機能を搭載しています。

AC特性とDC特性はいずれも、-40℃~85℃および4.75V~5.25Vの電源電圧で保証されています。


アプリケーション

  • 低消費電力RS485/RS422トランシーバ
  • レベル変換器

LTC1485
差動バス・トランシーバ
Product Package 1
myAnalogに追加

myAnalogの製品セクション(通知受け取り)、既存/新規プロジェクトに製品を追加する。

新規プロジェクトを作成
質問する
サポート

アナログ・デバイセズのサポート・ページはアナログ・デバイセズへのあらゆるご質問にお答えするワンストップ・ポータルです。


ドキュメント

データシート

これは最新改訂バージョンのデータシートです。

さらに詳しく
myAnalogに追加

myAnalogのリソース・セクション、既存/新規プロジェクトにメディアを追加する。

新規プロジェクトを作成

ハードウェア・エコシステム

製品モデル 製品ライフサイクル 詳細
インターフェース・トランシーバ & アイソレータ 1
LTM2881 製造中 絶縁型 RS485/RS422 μModule トランシーバ+電源
Modal heading
myAnalogに追加

myAnalogの製品セクション(通知受け取り)、既存/新規プロジェクトに製品を追加する。

新規プロジェクトを作成

評価用キット

eval board
EVAL-RS485HDEBZ

標準のRS-485半二重評価用ボード、EVAL-RS485HDEBZ

製品詳細

EVAL-RS485HDEBZは、半二重RS-485標準8ピンSOICフットプリントのトランシーバーを素早く簡単に評価できます。評価用ボードでは、スクリュー端子ブロックにより、ドライバ入力(DI)、レシーバー出力(RO)、ドライバ・イネーブル(DE)、レシーバの出力(RO)のデジタルI/Oに接続できます。バス信号AおよびB(半二重バス)をバスのスクリュー端子ブロックに接続できます。1つまたは2つの終端抵抗をジャンパ設定を使用してAおよびBに接続して、半二重RS-485ドライバおよびレシーバーを評価します。バスのプルアップとプルダウン(バイアス抵抗)にはフットプリントが提供されます。

ボードでの評価用のデバイスは別売りです。

EVAL-RS485HDEBZ
標準のRS-485半二重評価用ボード、EVAL-RS485HDEBZ
EVAL-RS485HDEBZ Image

最新のディスカッション

最近表示した製品