LTC1483

製造中

シャットダウン機能付き超低消費 RS485低EMIトランシーバ

利用上の注意

本データシートの英語以外の言語への翻訳はユーザの便宜のために提供されるものであり、リビジョンが古い場合があります。最新の内容については、必ず最新の英語版をご参照ください。

なお、日本語版のデータシートは基本的に「Rev.0」(リビジョン0)で作成されています。そのため、英語版が後に改訂され、複数製品のデータシートがひとつに統一された場合、同じ「Rev.0」の日本語版のデータシートが異なる製品のデータシートとして表示されることがあります。たとえば、「ADM3307E」の場合、日本語データシートをクリックすると「ADM3311E」が表示されます。これは、英語版のデータシートが複数の製品で共有できるように1本化され、「ADM3307E/ADM3310E/ADM3311E/ADM3312E/ADM3315E」(Rev.J)と改訂されたからで、決して誤ってリンクが張られているわけではありません。和文化されたデータシートを少しでも有効に活用していただくためにこのような方法をとっておりますので、ご了解ください。

アナログ・デバイセズ社は、提供する情報が正確で信頼できるものであることを期していますが、その情報の利用に関して、あるいはその利用によって生じる第三者の特許やその他の権利の侵害に関して一切の責任を負いません。また、アナログ・デバイセズ社の特許または特許の権利の使用を明示的または暗示的に許諾するものでもありません。仕様は予告なしに変更する場合があります。本紙記載の商標および登録商標は、各社の所有に属します。

Viewing:

製品情報

  • 低消費電力:ICC=120μA(最大)(ドライバ・ディスエーブル時) 
  • ICC=500μA(最大)(ドライバ・イネーブル、無負荷時) 
  • シャットダウン時の消費電流: 1μA 
  • スルーレート制御可能なドライバにより、EMIを低減 
  • 単一5V電源動作 
  • ドライバ/レシーバは±10kVのESD保護機能搭載 
  • -7V~+12Vの同相範囲により、データライン上のデバイス間で±7Vのグランド電位差を許容 
  • サーマル・シャットダウン保護 
  • 電源投入/切断グリッチのないドライバ出力により、電源投入状態でトランシーバを挿抜可能 
  • 3ステートまたは電源切断状態で、ドライバが高インピーダンスを維持
  • バスに最大32個のトランシーバを接続可能
  • LTC485とピン・コンパチブル

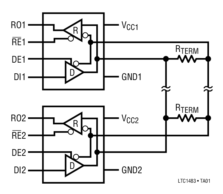
LTC1483は、拡張同相範囲(-7V~12V)に対応するデータ伝送規格RS485アプリケーション用に設計された超低消費電力の差動ライン・トランシーバです。RS422の要件にも適合しています。 LTC1483は、スルーレートを制御可能な出力ドライバを内蔵しており、RS485ラインから放射されるEMIを低減し、誤終端ラインでの信号忠実度を改善します。 CMOSプロセスを採用しながら過負荷や静電破壊に対する強度を損なうことなく、バイポーラ・デバイスに比べて大幅に消費電力を低減しています。標準消費電流は動作時にわずか80μA、シャットダウン時には1μA以下に低減されます。

ドライバおよびレシーバは3ステート出力を備えているため、ドライバ出力は同相範囲全域で高インピーダンスに保持されます。バス衝突やフォールトによる過剰な電力消費を防止するために、ドライバ出力を強制的に高インピーダンスにするサーマル・シャットダウン回路を内蔵しています。レシーバには、入力がオープンのときの出力状態が“H”になることを保証するフェールセーフ機能があります。I/Oピンは ±10kVを超える複数の ESDスパイクに対して保護されています。

LTC1483は、コマーシャル温度範囲と拡張インダストリアル温度範囲で完全に規格されており、8ピンDIPおよびSOパッケージで供給されます。


アプリケーション

  • バッテリ駆動RS485/RS422アプリケーション 
  • 低消費電力RS485/RS422トランシーバ 
  • レベル変換器 

LTC1483
シャットダウン機能付き超低消費 RS485低EMIトランシーバ
Product Package 1
myAnalogに追加

myAnalogの製品セクション(通知受け取り)、既存/新規プロジェクトに製品を追加する。

新規プロジェクトを作成
質問する
サポート

アナログ・デバイセズのサポート・ページはアナログ・デバイセズへのあらゆるご質問にお答えするワンストップ・ポータルです。


ドキュメント

データシート

これは最新改訂バージョンのデータシートです。

さらに詳しく
myAnalogに追加

myAnalogのリソース・セクション、既存/新規プロジェクトにメディアを追加する。

新規プロジェクトを作成

ハードウェア・エコシステム

製品モデル 製品ライフサイクル 詳細
インターフェース・トランシーバ & アイソレータ 1
LTM2881 製造中 絶縁型 RS485/RS422 μModule トランシーバ+電源
Modal heading
myAnalogに追加

myAnalogの製品セクション(通知受け取り)、既存/新規プロジェクトに製品を追加する。

新規プロジェクトを作成

評価用キット

eval board
EVAL-RS485HDEBZ

標準のRS-485半二重評価用ボード、EVAL-RS485HDEBZ

製品詳細

EVAL-RS485HDEBZは、半二重RS-485標準8ピンSOICフットプリントのトランシーバーを素早く簡単に評価できます。評価用ボードでは、スクリュー端子ブロックにより、ドライバ入力(DI)、レシーバー出力(RO)、ドライバ・イネーブル(DE)、レシーバの出力(RO)のデジタルI/Oに接続できます。バス信号AおよびB(半二重バス)をバスのスクリュー端子ブロックに接続できます。1つまたは2つの終端抵抗をジャンパ設定を使用してAおよびBに接続して、半二重RS-485ドライバおよびレシーバーを評価します。バスのプルアップとプルダウン(バイアス抵抗)にはフットプリントが提供されます。

ボードでの評価用のデバイスは別売りです。

EVAL-RS485HDEBZ
標準のRS-485半二重評価用ボード、EVAL-RS485HDEBZ
EVAL-RS485HDEBZ Image

最新のディスカッション

最近表示した製品