Two engineers working in the lab

Save time and deliver your solutions faster with ADI’s new suite of precision technology signal chains. Align your applications ranging from Smart Industry to Instrumentation, Electrification to Digital Health, to exactly the right precision technology combinations.

Tailor your signal chain with confidence

LT6604-2.5

新規設計に推奨

デュアル低ノイズ差動アンプおよび2.5MHzローパス・フィルタ

利用上の注意

本データシートの英語以外の言語への翻訳はユーザの便宜のために提供されるものであり、リビジョンが古い場合があります。最新の内容については、必ず最新の英語版をご参照ください。

なお、日本語版のデータシートは基本的に「Rev.0」(リビジョン0)で作成されています。そのため、英語版が後に改訂され、複数製品のデータシートがひとつに統一された場合、同じ「Rev.0」の日本語版のデータシートが異なる製品のデータシートとして表示されることがあります。たとえば、「ADM3307E」の場合、日本語データシートをクリックすると「ADM3311E」が表示されます。これは、英語版のデータシートが複数の製品で共有できるように1本化され、「ADM3307E/ADM3310E/ADM3311E/ADM3312E/ADM3315E」(Rev.J)と改訂されたからで、決して誤ってリンクが張られているわけではありません。和文化されたデータシートを少しでも有効に活用していただくためにこのような方法をとっておりますので、ご了解ください。

アナログ・デバイセズ社は、提供する情報が正確で信頼できるものであることを期していますが、その情報の利用に関して、あるいはその利用によって生じる第三者の特許やその他の権利の侵害に関して一切の責任を負いません。また、アナログ・デバイセズ社の特許または特許の権利の使用を明示的または暗示的に許諾するものでもありません。仕様は予告なしに変更する場合があります。本紙記載の商標および登録商標は、各社の所有に属します。

Viewing:

製品情報

  • 2.5MHzローパス・フィルタ付きデュアル差動アンプ
    • 4次フィルタ
    • チェビシェフ応答を近似
    • 位相と利得の整合を保証
    • 抵抗で設定可能な微分利得
  • 信号対ノイズ比(SNR):>86dB(3V電源、1VRMS出力)
  • 低歪み(1MHz、1VRMS出力、800Ω負荷)
    • HD2:92dBc
    • HD3:88dBc
  • 3V、5V、±5V電源での動作を規定
  • 完全差動入出力
  • 出力同相電圧を調整可能
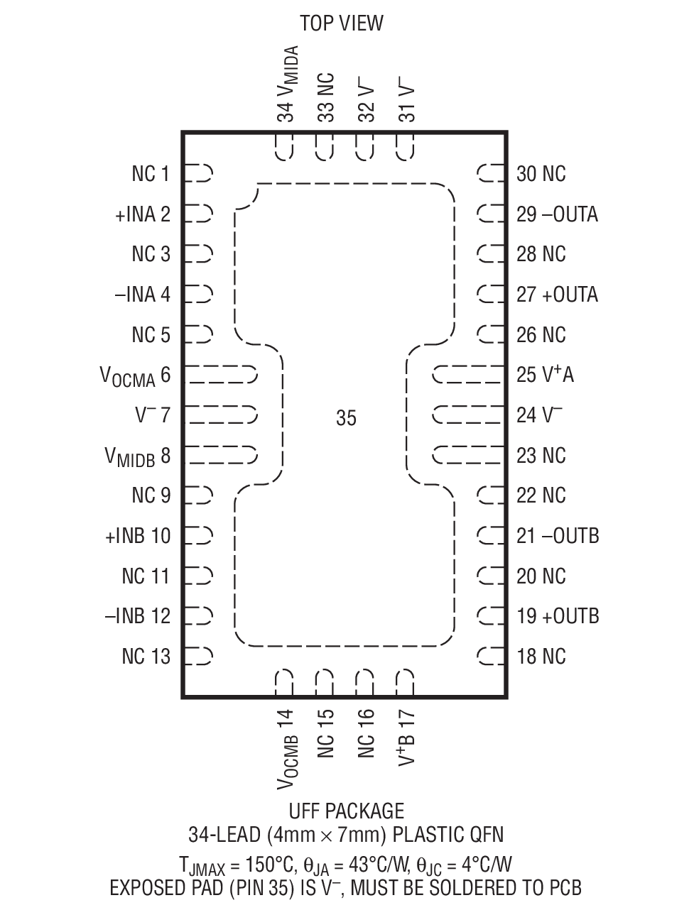
  • 4mm×7mm×0.75mmのQFNパッケージ

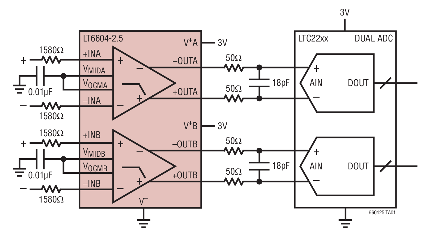
LT6604-2.5は、2個の整合した完全差動アンプから構成され、各アンプごとに4次2.5MHzローパス・フィルタを装備しています。固定周波数ローパス・フィルタはチェビシェフ応答を近似します。フィルタと差動アンプを内蔵することにより、歪みとノイズが極めて低くなります。ユニティ・ゲインで帯域内で測定された信号対ノイズ比は86dBで、非常に優れています。利得がさらに高い場合は、入力基準のノイズが減少するので、信号対ノイズ比を大幅に低下させることなく、より小さい入力差動信号を処理することができます。

利得と位相は2つのチャネル間で十分に整合されています。各チャネルの利得は2本の外付け抵抗で個別に設定されます。LT6604-2.5は調整可能な出力同相電圧を供給することによってレベルシフトを可能にするので、ADCに直接インターフェイスするのに最適です。LT6604-2.5は3V動作向けに完全に規定されています。差動設計により、単一3V電源で動作しながら最大4VP-Pの信号レベルで優れた性能を実現することができます。

関連する2.5MHz~20MHzローパス・フィルタ付きシングルおよびデュアル差動アンプの全体リストについては、このデータシートの最終ページをご覧ください。


アプリケーション

  • デュアル差動ADCドライバおよびフィルタ
  • シングルエンドから差動への変換
  • 整合したデュアルの微分利得またはフィルタ段
  • 差動信号の同相変換
  • ワイヤレス・インフラストラクチャまたはネットワーク・アプリケーションでの高速ADCアンチエイリアシングとDACの平滑化
  • 高速テストおよび計測機器
  • 医療用画像処理

LT6604-2.5
デュアル低ノイズ差動アンプおよび2.5MHzローパス・フィルタ
Channel to Channel Gain Matching Product Package 1
myAnalogに追加

myAnalogの製品セクション(通知受け取り)、既存/新規プロジェクトに製品を追加する。

新規プロジェクトを作成
質問する
サポート

アナログ・デバイセズのサポート・ページはアナログ・デバイセズへのあらゆるご質問にお答えするワンストップ・ポータルです。


ドキュメント

データシート

これは最新改訂バージョンのデータシートです。

さらに詳しく
myAnalogに追加

myAnalogのリソース・セクション、既存/新規プロジェクトにメディアを追加する。

新規プロジェクトを作成

ソフトウェア・リソース

必要なソフトウェア/ドライバが見つかりませんか?

ドライバ/ソフトウェアをリクエスト

ツールおよびシミュレーション

Keysight Genesys向けのSys-Parameterモデル

Sys-Parameterモデルは、デバイスの直線性と非直線性を明らかにするP1dB、IP3、ゲイン、ノイズ指数、リターン損失などの挙動パラメータを提供します。

ツールを開く

ADIsimRF

ADIsimRFは使いやすいRFシグナル・チェーン計算ツールです。最大50段までのシグナル・チェーンについて、カスケード・ゲイン、ノイズ、歪み、消費電力を計算し、プロット、エクスポートが可能です。ADIsimRFには、アナログ・デバイセズのRFおよびミックスド・シグナル部品のデバイス・モデルの広範なデータ・ベースも含まれています。

ツールを開く

評価用キット

eval board
DC1418A-A

LT6604-2.5 | Dual Matched 2.5MHz 4th Order LP Filter Demo Board

製品詳細

DC1418A-A: Demo Board for the LT6604-2.5 Dual Very Low Noise, Differential Amplifier and 2.5MHz Lowpass Filter.

DC1418A-A
LT6604-2.5 | Dual Matched 2.5MHz 4th Order LP Filter Demo Board
DC1418A-A - Schematic

最新のディスカッション

LT6604-2.5に関するディスカッションはまだありません。意見を投稿しますか?

EngineerZone®でディスカッションを始める

最近表示した製品